Установка двигателя
Применимость для следующих годов выпуска и кузовов: 2009, CU1
-
Подсоедините комплект для подъема двигателя в наклонном положении (приспособление, имеющееся в продаже для моделей, поставляемых в ЕС) к двигателю, как показано на рисунке. Установите двигатель на место в автомобиле.
ПРИМЕЧАНИЕ: Установите обратно крепежные болты и гайки в указанной последовательности. Несоблюдение данной последовательности может вызвать повышенный уровень шума и вибраций и привести к снижению срока службы крепления двигателя.
|
МКП
АКП
07KAK-SJ40101
07MAK-PY30100
07KAK-SJ40200
}
|
-
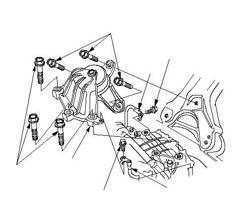
Установите заднюю опору двигателя (А), затем затяните новые крепежные болты задней опоры двигателя (В).
-
Слегка затяните новый крепежный болт задней опоры (С).
|
C Заменить.
B 12 x 1.25 mm 78 N·m (8.0 kgf·m) Заменить.
A
}
|
-
Затяните крепежный болт передней опоры двигателя (А), затем установите фиксатор передней опоры двигателя (В) и крепежный болт вакуумного трубопровода (С) и вакуумный шланг (D).
|
B
D
12 x 1.25 mm 78 N·m (8.0 kgf·m) Заменить.
A 10 x 1.25 mm 54 N·m (5.5 kgf·m) Заменить.
C 6 x 1.0 mm 9.8 N·m (1.0 kgf·m)
}
|
-
Затяните крепежные болты задней опоры.
-
Поднимите автомобиль на полную высоту подъемника.
|
12 x 1.25 mm 78 N·m (8.0 kgf·m)
}
|
-
Установите нижние крепления автоматической трансмиссии.
-
Опустите автомобиль на подъемнике.
-
Отсоедините комплект для подъема двигателя в наклонном положении от двигателя.
|
Модель с МКП
10 x 1.25 mm 44 N·m (4.5 kgf·m)
10 x 1.25 mm 44 N·m (4.5 kgf·m) Заменить.
}
Модель с АКП
10 x 1.25 mm 44 N·m (4.5 kgf·m) Заменить.
10 x 1.25 mm 44 N·m (4.5 kgf·m)
}
|
-
Снимите стойку вспомогательного подъемника (имеющийся в продаже для моделей EU).
|
07MAK-PY30100
}
|
-
Установите кронштейн боковой опоры двигателя (A), затем слегка затяните новый болт и гайку (В), а также болт (C).
-
Установите кабель соединения с "массой" кузова (D).
|
D
B 14 x 1.5 mm 54 N·m (5.5 kgf·m) Заменить.
6 x 1.0 mm 9.8 N·m (1.0 kgf·m)
C 12 x 1.25 mm 64 N·m (6.5 kgf·m)
A
}
|
-
Установите опору коробки передач (А), затем затяните новые болты опоры коробки передач в указанной последовательности.
-
Установите кабели "массы" (В).
-
Поднимите автомобиль на полную высоту подъемника.
-
Установите новое стопорное кольцо на каждый конец приводного вала, затем установите приводные валы. Убедитесь, что каждое стопорное кольцо ‘‘защелкнулось'' при установке на место в канавке дифференциала и промежуточного вала.
-
-
-
|
Модель с МКП
B
A
B
(1)
12 x 1.25 mm 54 N·m (5.5 kgf·m) Заменить.
(2)
12 x 1.25 mm 59 N·m (6.0 kgf·m) Заменить.
6 x 1.0 mm 9.8 N·m (1.0 kgf·m)
6 x 1.0 mm 9.8 N·m (1.0 kgf·m)
}
Модель с АКП
B
A
(2)
12 x 1.25 mm 59 N·m (6.0 kgf·m) Заменить.
(1)
12 x 1.25 mm 54 N·m (5.5 kgf·m) Заменить.
B
6 x 1.0 mm 9.8 N·m (1.0 kgf·m)
6 x 1.0 mm 9.8 N·m (1.0 kgf·m)
}
|
-
Установите выхлопную трубу А. Используйте новые прокладки (В) и новые самостопорящиеся гайки (С).
|
C 10 x 1.25 mm 33 N·m (3.4 kgf·m) Заменить.
8 x 1.25 mm 24 N·m (2.4 kgf·m)
C 10 x 1.25 mm 54 N·m (5.5 kgf·m) Заменить.
A
B
B
}
|
-
Установите грязезащитный щиток.
-
Установите передние колеса.
-
Опустите автомобиль на подъемнике.
|
}
|
-
|
B
A
B
A
}
|
-
Установите верхний шланг радиатора (А), нижний шланг радиатора (В) и шланги отопителя (С).
|
A
B
C
}
|
-
С кондиционером: Установите компрессор кондиционера (A).
-
С кондиционером: Присоедините разъем муфты сцепления компрессора кондиционера (В), затем установите зажимы жгута проводов (С).
-
-
-
|
B
C
A
8 x 1.25 mm 22 N·m (2.2 kgf·m)
}
|
-
Установите шланг (А) бачка абсорбера паров топлива (EVAP) и вакуумный шланг тормозного усилителя (B).
|
B
A
}
|
-
|
B
A
}
|
-
Установите впускную трубу.
|
}
|
-
Установите опорный кронштейн аккумуляторной батареи (А), затем установите фиксатор жгута проводов (В) и крепежный болт впускного воздуховода (С).
|
B
A
8 x 1.25 mm 22 N·m (2.2 kgf·m)
C 6 x 1.0 mm 9.8 N·m (1.0 kgf·m)
8 x 1.25 mm 22 N·m (2.2 kgf·m)
}
|
-
Подсоедините разъем жгута проводов двигателя (А).
-
Установите разъем (B) жгута проводов двигателя на кронштейн, затем подсоедините разъем.
-
Установите зажимы жгутов проводов (С).
-
Подсоедините кабели аккумулятора(B) к блоку электрических предохранителей/реле в мотороном отделении.
|
D
C
B
A
}
|
-
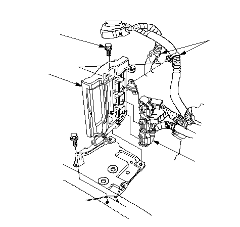
Установите скобу (А) в сборе модуля управления двигателем (ECM)/модуля управлением силовым агрегатом (PCM).
-
Подсоедините разъемы ECM/PCM (B).
-
Установите зажимы жгутов проводов (С).
-
-
-
-
Модель с АКП: Последовательно переместите рычаг переключения во все положения и убедитесь, что индикатор режимов АКП точно указывает выбранный режим работы АКП.
-
Модель с МКП: Убедитесь в плавном переключении всех передач.
-
Убедитесь в отсутствии утечек топлива. Включите зажигание (положение ON (II)) (не включайте стартер), чтобы топливный насос поработал примерно в течение 2 секунд и создал давление в топливной магистрали. Повторите данную операцию три раза, затем проверьте на наличие утечек топлива во всех точках топливной системы.
-
-
Залейте в коробку передач трансмиссионную жидкость:
-
-
-
-
-
-
|
C
B
A
6 x 1.0 mm 9.8 N·m (1.0 kgf·m)
}
|