Руководство по обслуживанию и ремонту Honda Accord
8 поколения

Honda Accord

  • Общая информация
  • Спецификация
  • График техобслуживания
  • Двигатель
  • Топливо и система снижения токсичности
  • Трансмиссия
  • Рулевое управление
  • Подвеска
  • Тормозная система
  • HVAC (Система отопителя, вентилятора, кондиционера)
  • Кузов
  • Средства безопасности
  • Поиск неисправностей DTC
  • Схемы электропроводки

  • Снятие двигателя

    Применимость для следующих годов выпуска и кузовов: 2009, CU2

    Требуются специальные инструменты

    Комплект для подвешивания двигателя в наклонном положении
     07KAK-SJ40101

    Стойка подъемника двигателя
     07KAK-SJ40200

    Стойка вспомогательного подъемника
     07MAK-PY30100
    Эти инструменты используются исключительно для европейских моделей.
    ПРИМЕЧАНИЕ:
    • Защитите крылья, чтобы не допустить повреждения лакокрасочного покрытия.
    • Для того, чтобы не допустить повреждений проводов и клемм, отсоединяйте электрические разъемы осторожно, удерживая разъем за его корпус.
    • Пометьте все жгуты проводов и шланги, чтобы не перепутать их при установке. Также убедитесь, что они не касаются других проводов или шлангов и не касаются других деталей.
    1. Зафиксируйте капот в полностью открытом положении (удерживающая стойка должна быть установлена в нижнее отверстие).

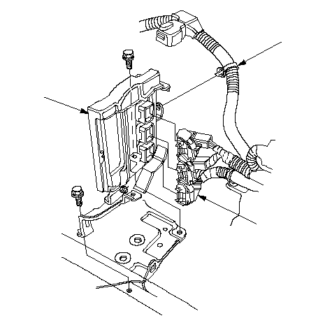
    1. Снимите хомут жгута проводов (А).
    1. Остоедините разъемs (В) модуля управления двигателем (ECM)/ модуля управлением силовым агрегатом (PCM).
    1. Снимите кронштейн (С) блока ECM/PCM.

    1. Отсоедините кабели аккумуляторной батареи (А) от блока электрических предохранителей/реле.
    1. Снимите жгуты проводов (В).
    1. Отсоедините разъем (С) дополнительного жгута проводов стартера, затем снимите разъем с кронштейна.
    1. Отсоедините разъем жгута проводов двигателя (D).

    1. Снимите хомуты жгута (A) и крепежный болт впускного воздуховода (B). Снимите два болта (С) и отпустите два болта (D), затем снимите основу аккумулятора (E).

    1. Снимите впускную трубу.

    1. Отсоедините шланг (А) бачка абсорбера паров топлива (EVAP) и вакуумный шланг тормозного усилителя (B).

    1. Снимите крышку радиатора.
    1. Поднимите автомобиль на полную высоту подъемника.
    1. Снимите передние колеса.

    1. Снимите грязезащитный щиток.
    1. Слейте трансмиссионную жидкость:

    1. Снимите выпускную трубу А.
    1. Снимите приводные валы. Смажьте все обработанные с высокой точностью поверхности свежим моторным маслом. Наденьте пластиковые защитные чехлы на концы приводных валов.

    1. С кондиционером: Отсоедините разъем муфты (А) компрессора кондиционера, затем снимите компрессор кондиционера (В), не отсоединяя шланги кондиционера.

    1. Снимите нижние крепления коробки передач.
    1. Опустите автомобиль на подъемнике.
    Модель с МКП
    Модель с АКП

    1. Модель с АКП: Отсоедините шланги охладителя рабочей жидкости автоматической трансмиссии (ATF), затем заткните шланги и трубопровод.

    1. Отсоедините верхний шланг радиатора (А) и шланги отопителя (В).
    1. Очистите от грязи быстроразъемное соединение трубопроводов (А), крышку термостата и нижний шланг радиатора. Выньте фиксатор рукой, затем покачайте быстроразъемное соединение и снимите его с крышки термостата. Не используйте никаких инструментов для снятия быстроразъемного соединения трубопроводов.
    1. Удерживайте двигатель с помощью домкрата и деревянного бруска, подложенного под масляный поддон.

    1. Снимите кабель соединения с "массой" (А), затем снимите боковой кронштейн крепления двигателя (В).

    1. Установите регулировочную прокладку 15 мм (А) и стойку вспомогательного подъемника (В) (имеющийся в продаже для моделей EU).

    1. Подсоедините специальные инструменты (инструменты, имеющийся в продаже для моделей EU) к двигателю, как показано.

    1. Снимите кабели "массы" (А), затем снимите крепление трансмиссии (В).
      ПРИМЕЧАНИЕ: Не снимайте болт TORX (C) с верхней опоры коробки передач. После снятия болта TORX верхняя опора коробки передач подлежит замене в сборе.
    Модель с МКП
    Модель с АКП

    1. Снимите заднюю опору двигателя.
    Модель с МКП
    Модель с АКП

    1. Снимите вакуумный шланг (А), удерживающую скобу передней опоры двигателя (В) и крепежный кронштейн вакуумного шланга (С), затем снимите болт передней опоры (D).
    1. Убедитесь, что от двигателя и коробки передач отсоединены все вакуумные шланги, топливопроводы и трубки с охлаждающей жидкостью, а также электрические провода.
    1. Медленно поднимите узел двигателя/трансмиссии примерно на 150 мм. Еще раз убедитесь, что все шланги и электрические провода отсоединены от двигателя/коробки передач.
    1. Полностью поднимите двигатель и снимите его с автомобиля.