Руководство по обслуживанию и ремонту Honda Accord
8 поколения

Honda Accord

  • Общая информация
  • Спецификация
  • График техобслуживания
  • Двигатель
  • Топливо и система снижения токсичности
  • Трансмиссия
  • Рулевое управление
  • Подвеска
  • Тормозная система
  • HVAC (Система отопителя, вентилятора, кондиционера)
  • Кузов
  • Средства безопасности
  • Поиск неисправностей DTC
  • Схемы электропроводки

  • Снятие двигателя

    Применимость для следующих годов выпуска и кузовов: 2009, CU1

    Требуются специальные инструменты

    Комплект для подвешивания двигателя в наклонном положении
     07KAK-SJ40101

    Стойка подъемника двигателя
     07KAK-SJ40200

    Стойка вспомогательного подъемника
     07MAK-PY30100
    Эти инструменты используются исключительно для европейских моделей.
    ПРИМЕЧАНИЕ:
    • Защитите крылья, чтобы не допустить повреждения лакокрасочного покрытия.
    • Для того, чтобы не допустить повреждений проводов и клемм, отсоединяйте электрические разъемы осторожно, удерживая разъем за его корпус.
    • Пометьте все жгуты проводов и шланги, чтобы не перепутать их при установке. Также убедитесь, что они не касаются других проводов или шлангов и не касаются других деталей.
    1. Зафиксируйте капот в полностью открытом положении (удерживающая стойка должна быть установлена в нижнее отверстие).

    1. Снимите хомуты (А).
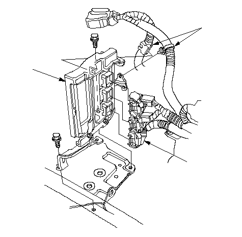
    1. Остоедините разъем (В) модуля управления двигателем (ECM)/ модуля управлением силовым агрегатом (PCM).
    1. Снимите кронштейн (С) блока ECM/PCM.

    1. Отсоедините кабели аккумуляторной батареи (А) от блока электрических предохранителей/реле.
    1. Снимите жгуты проводов (В).
    1. Отсоедините разъем (С) жгута проводов двигателя, затем снимите разъем с кронштейна.
    1. Отсоедините разъем жгута проводов двигателя (D).

    1. Снимите хомут жгута (A) и крепежный болт впускного воздуховода (B). Снимите два болта (С) и отпустите два болта (D), затем снимите основу аккумулятора (E).

    1. Снимите впускную трубу.


    1. Отсоедините шланг (А) бачка абсорбера паров топлива (EVAP) и вакуумный шланг тормозного усилителя (B).

    1. С кондиционером: Отсоедините разъем реле муфты сцепления компрессора кондиционера (A), затем снимите хомуты жгута проводов (B).
    1. С кондиционером: Снимите компрессор кондиционера воздуха (C), не отсоединяя шлангов от кондиционера.
    1. Снимите крышку радиатора.
    1. Поднимите автомобиль на полную высоту подъемника.
    1. Снимите передние колеса.

    1. Снимите грязезащитный щиток.
    1. Слейте трансмиссионную жидкость:

    1. Снимите выпускную трубу А.
    1. Снимите приводные валы. Смажьте все обработанные с высокой точностью поверхности моторным маслом. Наденьте пластиковые защитные чехлы на концы приводных валов.

    1. Снимите нижние крепления коробки передач.
    1. Опустите автомобиль на подъемнике.
    Модель с МКП
    Модель с АКП

    1. Модель с АКП: Отсоедините шланги охладителя рабочей жидкости автоматической трансмиссии (ATF), затем заткните шланги и трубопровод.

    1. Отсоедините верхний шланг радиатора (А), нижний шланг радиатора (В) и шланги отопителя (С).

    1. Установите стойку вспомогательного подъемника (имеющийся в продаже для моделей EU).

    1. Подсоедините специальные инструменты (инструменты, имеющийся в продаже для моделей EU) к двигателю, как показано.

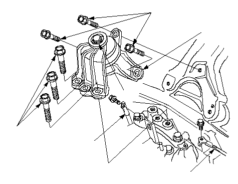
    1. Снимите кабель соединения с "массой" (А), затем снимите боковой кронштейн крепления двигателя (В).

    1. Снимите кабели "массы" (А), затем снимите крепление трансмиссии (В).
      ПРИМЕЧАНИЕ: Не снимайте болт TORX (C) с верхней опоры коробки передач. После снятия болта TORX верхняя опора коробки передач подлежит замене в сборе.
    Модель с МКП
    Модель с АКП

    1. Снимите заднюю опору двигателя.

    1. Снимите вакуумный шланг (А), крепежный болт вакуумного трубопровода (В) и фиксатор передней опоры двигателя (С), затем снимите крепежный болт (D) передней опоры двигателя.
    1. Убедитесь, что от двигателя и коробки передач отсоединены все вакуумные шланги, топливопроводы и трубки с охлаждающей жидкостью, а также электрические провода.
    1. Медленно поднимите узел двигателя/трансмиссии примерно на 150 мм. Еще раз убедитесь, что все шланги и электрические провода отсоединены от двигателя/коробки передач.
    1. Полностью поднимите двигатель и снимите его с автомобиля.