Руководство по обслуживанию и ремонту Honda Jazz/Fit
2 поколения


Honda Jazz/Fit

  • Общая информация
  • Спецификация
  • График техобслуживания
  • Двигатель
  • Топливо и система снижения токсичности
  • Трансмиссия
  • Рулевое управление
  • Подвеска
  • Тормозная система
  • HVAC (Система отопителя, вентилятора, кондиционера)
  • Кузов
  • Средства безопасности
  • Поиск неисправностей DTC
  • Схемы электропроводки

  • Отопитель/Замена радиатора

    Применимость для следующих годов выпуска и кузовов: 2009, GE6, GE8, GG1, GG2, GG3

    Компоненты системы SRS расположены в этой области. Ознакомьтесь с расположением компонентов SRS и правилами безопасности, прежде чем начать ремонт или обслуживание.
    1. Кроме моделей KZ, KP и MA:
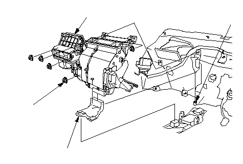
      • Снимите зажим (А) с впускного шланга обогревателя. Отодвиньте хомуты шланга (В) назад, затем отсоедините впускной шланг (С) и отводящий (D) шланг обогревателя от блока обогревателя. Из отсоединенных шлангов потечет охлаждающая жидкость, которую необходимо слить в чистый поддон. Не допускайте попадания охлаждающей жидкости на электрические компоненты и окрашенные поверхности. При попадании охлаждающей жидкости немедленно промойте это место.

    1. Отверните гайку крепления узла отопителя. Будьте внимательны, чтобы не повредить или погнуть топливные и тормозные трубопроводы и.т.д.

    1. Отсоедините разъем (А) от датчика испарителя. Снимите жгут проводов (В).

    1. Снимите патрубок (А) и слейте жидкость из шланга (В). Открутите гайки крепления и снимите блок отопителя-обогревателя (С).

    1. Открутите самонарезающие винты, затем снимите кожух радиатора отопителя (А).
    1. Кроме моделей KZ, KP и MA; снимите стойку (В), втулку (С) и аккуратно вытяните радиатор обогревателя (D).
    1. Устанавливайте радиатор отопителя и радиатор испарителя, выполняя операции в порядке, обратном снятию.
    1. Установите отопитель в порядке, обратном снятию, соблюдая следующее: