Процедуры и предосторожности в системе SRS
Применимость для следующих годов выпуска и кузовов: 2009, GE6, GE8, GG1, GG2, GG3
|
Правила безопасности при работе с деталями рулевого управления
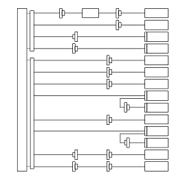
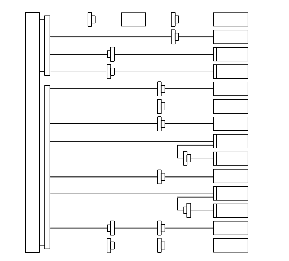
Расположение соединительных проводов
|
|
|
|
Блок SRS, датчики лобового и бокового ударов
|
|
|
Предостережения при работе с электрическими цепями
Некоторые кабели системы SRS имеют желтый цвет наружной изоляции, разъемы системы также имеют желтую окраску. Соблюдайте инструкции.
|
|
|
Предостережения при проверке электрических цепей
|
|
|
Разъемы блока SRS
Когда диагностика/поиск неисправностей завершены на разъеме блока SRS (А), используйте тестовое гнездо (В) под клеммой (С), которую надо проверить. Аккуратно вставьте щуп тестера или провод-перемычку в тестовое гнездо со стороны клеммы.
ПРИМЕЧАНИЕ:
|
|
Влагонепроницаемые разъемы для системы SRS
Когда диагностика/поиск неисправностей завершены на влагонепроницаемом разъеме (А), используйте тестовое гнездо (В) над клеммой (С), которую надо проверить. Аккуратно приложите щуп тестера или провод-перемычку к тестовому гнезду со стороны клеммы.
ПРИМЕЧАНИЕ:
|
|
Разъем с рычажным фиксатором
Разъемы блока SRS оснащены фиксаторами рычажного типа.
Разъемы блока SRS
Отсоединение
Чтобы отпустить замок, потяните рычаг (A), одновременно надавив на фиксатор (B) с внешней стороны разъема, затем потяните соединитель (C).
Соединение разъема
|
|
Чтобы заново подключить соединитель, нажмите на рукав (А). После установки соединителя рычаг (B) замыкается.
|
|
Разъем с пружинной фиксацией
Некоторые элементы системы SRS имеют разъемы с пружинным фиксатором.
Разъемы передних подушек безопасности
Отсоединение
Потяните часть (А) разъема в направлении ограничителя (В), удерживая другую часть разъема рукой. Затем разъедините две части разъема. Еще раз обратите внимание, что при рассоединении необходимо потянуть рукав разъема, а не сам разъем.
Соединение разъема
|
|
Для подсоединения разъема, удерживая разъем с фиксирующим выступом, вставьте и надавите на разъем с фиксирующей муфтой в направлении, показанном на рисунке. Как только вы соедините две части разъема, фиксирующий выступ (С) переместит фиксирующую муфту (А). Не держитесь руками за муфту разъема.
|
|
Разъем боковых подушек безопасности
Отсоединение
Потяните часть (А) разъема в направлении ограничителя (В), удерживая другую часть разъема рукой. Затем разъедините две части разъема. При рассоединении необходимо потянуть муфту (А) разъема, а не сам разъем.
Соединение разъема
|
|
Возьмите обе части разъема и крепко вставьте их одну в другую пока не услышите характерного щелчка фиксирующего выступа (С).
|
|
Открытие разъемов блока SRS для диагностики
Требуются специальные инструменты
Электрический компенсатор системы SRS
070AZ-SAA0100
ПРИМЕЧАНИЕ:
Когда сняты разъемы А (39P) или В (39P) блока SRS, их электрические выводы автоматически шунтируются. Это предотвращает случайное срабатывание подушек безопасности. Для проведения диагностики системы иногда необходимо открывать цепь. Вставьте электрический компенсатор (070AZ-SAA0100) в соответствующие контактные гнезда, когда это требуется при диагностике.
|
|
Номера клемм показаны со стороны провода клеммы выхода. Вставьте электрический компенсатор на контакты разъема со стороны клемм.
|
|
Сиденья с встроенными боковыми подушками безопасности
Сиденья с встроенными боковыми подушками безопасности имеют обозначение ‘‘SIDE AIRBAG" на спинке. Так как элементы сидений (обивка спинки/ подушки и т.д.) с подушками безопасности и без подушек безопасности отличаются, убедитесь, что при замене вы устанавливаете подходящие запасные части.
|
|
Рассоединение электрических разъемов системы SRS
Поверните ключ зажигания в положение блокировки "LOCK" (0). Отсоедините отрицательный провод от аккумулятора. Подождите 3 минуты прежде чем приступить к следующим процедурам.
|
Подушка безопасности водителя
|
|
Подушка безопасности переднего пассажира
|
|
Боковые подушки безопасности
|
|
Боковая шторка безопасности
|
|
Натяжители ремней безопасности
|
|
Электронный блок SRS
|


