Руководство по обслуживанию и ремонту Honda CR-V
3 поколения

Honda CR-V

  • Общая информация
  • Спецификация
  • График техобслуживания
  • Двигатель
  • Топливо и система снижения токсичности
  • Трансмиссия
  • Рулевое управление
  • Подвеска
  • Тормозная система
  • HVAC (Система отопителя, вентилятора, кондиционера)
  • Кузов
  • Средства безопасности
  • Поиск неисправностей DTC
  • Схемы электропроводки

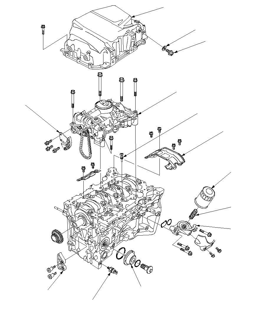
  • Перечень расположения компонентов смазки двигателя

    Применимость для следующих годов выпуска и кузовов: 2007, RE3, RE4

    КОНТАКТНЫЙ ДАТЧИК ДАВЛЕНИЯ МАСЛА

    МАСЛЯНЫЙ ФИЛЬТР
    Замена,

    МАСЛЯНЫЙ НАСОС
    Переборка,

    ПОДДОН
    Снятие,
    Установка,

    ШАЙБА

    НАТЯЖИТЕЛЬ
    ЦЕПИ МАСЛЯНОГО НАСОСА

    ПОДВОДЯЩАЯ ТРУБКА МАСЛЯНОГО ФИЛЬТРА

    СЛИВНОЙ БОЛТ

    ОТВЕРСТИЕ ДЛЯ КОНТРОЛЯ УРОВНЯ МАСЛА

    МАСЛООТРАЖАТЕЛЬНАЯ
    ПЛАСТИНА

    ОСНОВАНИЕ ФИЛЬТРА МАСЛА

    НАПРАВЛЯЮЩИЙ ЭЛЕМЕНТ
    ЦЕПИ ПРИВОДА МАСЛЯНОГО НАСОСА

    КРЫШКА РЕЗЕРВУАРА МАСЛА ДВИГАТЕЛЯ
    Замена,

    }