Руководство по обслуживанию и ремонту Honda Jazz/Fit
2 поколения


Honda Jazz/Fit

  • Общая информация
  • Спецификация
  • График техобслуживания
  • Двигатель
  • Топливо и система снижения токсичности
  • Трансмиссия
  • Рулевое управление
  • Подвеска
  • Тормозная система
  • HVAC (Система отопителя, вентилятора, кондиционера)
  • Кузов
  • Средства безопасности
  • Поиск неисправностей DTC
  • Схемы электропроводки

  • Разбор насоса моторного масла

    Применимость для следующих годов выпуска и кузовов: 2009, GE6, GE8


    В разобранном виде
    Требуются специальные инструменты

    Стойка вспомогательного подъемника
     07MAK-PY30100
    Снятие
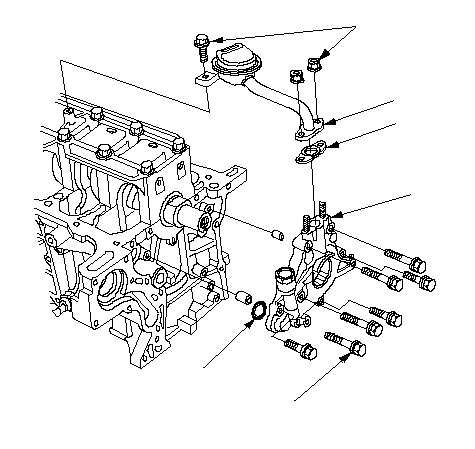
    1. Снимите крепежный болт генератора, затем установите стойку вспомогательного подъемника.
    1. Прикрепите цепь к стойке вспомогательного подъемника. Поднимите и поддержите двигатель с помощью цепи.

    1. Снимите сетчатый фильтр грубой очистки (А), затем масляный насос (В).
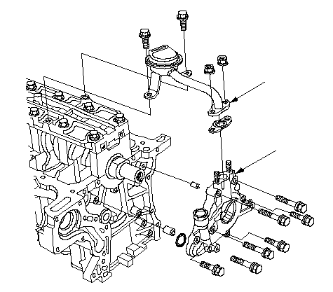
    Двигатель L15A7
    Двигатель L13Z1

    Проверка
    1. Удалите винты с корпуса насоса, затем отделите крышку от корпуса.
    1. Проверьте радиальный зазор между внутренним и внешним роторами (между внутренним ротором (А) и внешним ротором (В)). Если зазор между внутренним и внешним роторами превышает предельное значение, замените масляный насос в сборе.

      Радиальный зазор между внутренним и внешним роторами

      Стандартный (новый):
      0,06−0,16 мм
      Рабочий предел:
      0,20 мм


    1. Проверьте осевой зазор между роторами корпуса насоса (А) и корпусом насоса (В). Если осевой зазор между ротором и корпусом насоса превышает предельное значение, замените масляный насос в сборе.

      Зазор между ротором и корпусом

      Стандартный (новый):
      0,02−0,06 мм
      Рабочий предел:
      0,15 мм


    1. Проверьте осевой зазор между корпусом и внешним ротором (между ротором (А) и корпусом насоса (В)). Если радиальный зазор между корпусом и внешним ротором насоса превышает предельное значение, замените масляный насос в сборе.

      Зазор между внешним ротором и корпусом насоса

      Стандартный (новый):
      0,100−0,175 мм
      Рабочий предел:
      0,20 мм

    1. Проверьте оба ротора и корпус насоса, чтобы убедиться в отсутствии царапин и других повреждений. При необходимости замените детали.
    1. Убедитесь, что масляный насос вращается свободно.

    Установка
    1. Очистите канавку для уплотнительного кольца круглого сечения и контактную поверхность блока цилиндров двигателя.
    1. Установите масляный насос (А) с новым уплотнительным кольцом круглого сечения (В).
    1. Установите сетчатый фильтр грубой очистки (С) с новой прокладкой (D).
    1. Удерживайте двигатель с помощью домкрата и деревянного бруска, подложенного под масляный поддон.
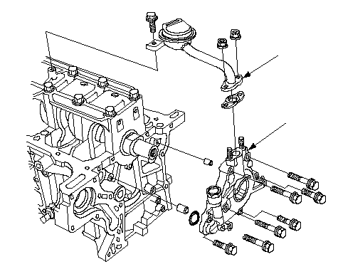
    Двигатель L15A7
    Двигатель L13Z1

    1. Снимите цепь и стойку вспомогательного подъемника, затем затяните крепежный болт генератора.