Руководство по обслуживанию и ремонту Honda Jazz/Fit
2 поколения


Honda Jazz/Fit

  • Общая информация
  • Спецификация
  • График техобслуживания
  • Двигатель
  • Топливо и система снижения токсичности
  • Трансмиссия
  • Рулевое управление
  • Подвеска
  • Тормозная система
  • HVAC (Система отопителя, вентилятора, кондиционера)
  • Кузов
  • Средства безопасности
  • Поиск неисправностей DTC
  • Схемы электропроводки

  • Установка поддона моторного масла

    Применимость для следующих годов выпуска и кузовов: 2009, GE6, GE8, GG1, GG2, GG3

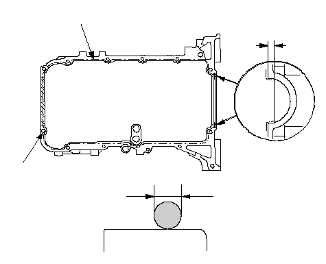
    1. Полностью удалите старый герметик с соединяемой поверхности масляного поддона, болтов и отверстий под болты.
    1. Очистите и высушите соединяемые поверхности масляного поддона.
    1. Установите новую прокладку масляного поддона (А), затем установите новое уплотнительное кольцо (В) и установочные штифты (C) на масляный поддон.

    1. Нанесите жидкий герметик (P/N 08C70-K0234M, 08C70-K0334M или 08C70-X0331S) на соединяемую с блоком цилиндров поверхность масляного поддона и внутреннюю резьбу отверстий под болты.
      ПРИМЕЧАНИЕ:
      • Нанесите жидкий герметик слоем толщиной примерно 2,5 мм по ломанной линии (А).
      • Нанесите жидкий герметик слоем толщиной примерно 5,0 мм на заштрихованный участок (А).
      • Если после нанесения жидкого герметика прошло 5 минут или более, не устанавливайте детали. Вместо этого уберите старый слой жидкого герметика и нанесите новый слой.

    1. Установите масляный поддон.
      ПРИМЕЧАНИЕ:
      • Подождите 30 минут, прежде чем заливать масло в двигатель.
      • Не запускайте двигатель по крайней мере 3 часа после установки масляного поддона.

    1. Затяните болты в три этапа. Удалите лишний жидкий герметик с каждой стороны шкива коленчатого вала и маховика/ведущего диска.

      Рекомендованный момент:

      (1):
      24 Н·м (2,4 кгс·м)
      (2)−(13):
      12 Н·м (1,2 кгс·м)


    1. Установите крышку фрикциона/кожух гидротрансформатора (А) и крепежные болты трансмиссии (В).
    Модель с МКП
    Модель с АКП

    1. Подсоедините разъем датчика СКР (А), затем установите крышку (В) датчика СКР.

    1. Установите трубку щупа (А) с новым уплотнительным кольцом (В), затем установите щуп.
    1. Если двигатель все еще не снят с автомобиля, выполните шаги с Этап 12 по 16.

    1. Модель с АКП: Установите чехол троса переключения передач.