Руководство по обслуживанию и ремонту Honda Jazz/Fit
2 поколения


Honda Jazz/Fit

  • Общая информация
  • Спецификация
  • График техобслуживания
  • Двигатель
  • Топливо и система снижения токсичности
  • Трансмиссия
  • Рулевое управление
  • Подвеска
  • Тормозная система
  • HVAC (Система отопителя, вентилятора, кондиционера)
  • Кузов
  • Средства безопасности
  • Поиск неисправностей DTC
  • Схемы электропроводки

  • Поиск неисправностей по кодам (DTC): B1277

    Применимость для следующих годов выпуска и кузовов: 2009, GE6, GE8, GG1, GG2, GG3

    DTC B1277:
     Неисправность в цепи включенного положения AUTO (авто) фар
    1. Сотрите коды неисправности DTC с помощью HDS.
    1. Поверните ключ зажигания в положение LOCK (0), а затем в положение ON (II).
    1. Переключите комбинированный переключатель освещения на 6 секунд в каждое из положений POSITION (SMALL), AUTO и ON (ближний свет), затем в положение OFF.
    1. Проверьте при помощи HDS, записаны ли в память какие-либо коды неисправностей.
    Код DTC B1277 имеется на экране?
    ДА -
    Перейдите к Этап 5 .
    НЕТ -
    Пропадающая неисправность, на момент проверки система исправна. Проверьте надежность контакта и крепления клемм.■
    1. Выберите LIGHTING (освещение) в меню BODY ELECTRICAL (электрооборудование кузова) и зайдите в меню DATA LIST (список данных).
    1. Проверьте значение каждого положения комбинированного переключателя освещения в меню DATA LIST.

      Когда комбинированный переключатель освещения выключен (OFF)

      Список данных
      Значение
      Выключатель света фар (OFF)
      ON
      Переключатель фар (SMALL)
      OFF
      Переключатель фар (AUTO)
      OFF
      Переключатель света фар (ФАРЫ)
      OFF


      Когда комбинированный переключатель освещения в положении POSITION (SMALL)

      Список данных
      Значение
      Выключатель света фар (OFF)
      OFF
      Переключатель фар (SMALL)
      ON
      Переключатель фар (AUTO)
      OFF
      Переключатель света фар (ФАРЫ)
      OFF


      Когда комбинированный переключатель освещения в положении AUTO

      Список данных
      Значение
      Выключатель света фар (OFF)
      OFF
      Переключатель фар (SMALL)
      ON
      Переключатель фар (AUTO)
      ON
      Переключатель света фар (ФАРЫ)
      ON


      Когда комбинированный переключатель освещения в положении ON (HEADLIGHT) (фары)

      Список данных
      Значение
      Выключатель света фар (OFF)
      OFF
      Переключатель фар (SMALL)
      ON
      Переключатель фар (AUTO)
      OFF
      Переключатель света фар (ФАРЫ)
      ON

    Все значения списка данных корректны?
    ДА -
    НЕТ -
    Перейдите к Этап 7 .
    1. Поверните ключ зажигания в положение блокировки "LOCK" (0).
    1. Отсоедините 12Р разъем комбинированного переключателя освещения.
    1. Включите зажигание, повернув ключ в положение ON (II).
    1. Выберите LIGHTING (освещение) в меню BODY ELECTRICAL (электрооборудование кузова) и зайдите в меню DATA LIST (список данных).
    1. Проверьте значение каждого положения комбинированного переключателя освещения в меню DATA LIST.

      Когда комбинированный переключатель освещения выключен (OFF)

      Список данных
      Значение
      Выключатель света фар (OFF)
      OFF
      Переключатель фар (SMALL)
      OFF
      Переключатель фар (AUTO)
      OFF
      Переключатель света фар (ФАРЫ)
      OFF

    Все значения списка данных указаны OFF?
    ДА -
    Перейдите к Этап 15 .
    НЕТ -
    Перейдите к Этап 12 .
    1. Поверните ключ зажигания в положение блокировки "LOCK" (0).
    1. Отсоедините разъем М (34P) блока предохранителей/ реле под панелью приборов.
    1. Проверьте неразрывность цепи между клеммами № 5, № 7 и № 8 разъема М (34P) блока предохранителей/реле под панелью приборов и "массой" кузова по отдельности.
    Непрерывно ли соединение?
    ДА -
    Устраните короткое замыкание в проводе.■
    НЕТ -
    1. Поверните ключ зажигания в положение блокировки "LOCK" (0).
    Комбинированный переключатель освещения в порядке?
    ДА -
    Перейдите к Этап 17 .
    НЕТ -
    Замените комбинированный выключатель приборов освещения.■
    1. Отсоедините разъемы М (34P) блока предохранителей/ реле под панелью приборов.

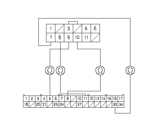
    1. Проверьте неразрывность цепи между клеммами разъема М (34Р) блока реле/предохранителей под панелью приборов и клеммами 12Р разъема комбинированного переключателя освещения, как показано на рисунке:
      Разъем М (34P) блока предохранителей/ реле под панелью приборов.
      Разъем 12P комбинированного переключателя освещения
      8
      10 [9]
      5
      9 [10]
      7
      8 [11]
      33
      7 [12]

      [ ]:
      Модель ЛРК (включая модели KE и KN)

    Непрерывно ли соединение?
    ДА -
    Перейдите к Этап 19 .
    НЕТ -
    Устраните разрыв в проводе.■
    1. Проверьте неразрывность цепи между клеммами разъема М (34Р) блока реле/ предохранителей под панелью приборов, как показано на рисунке:
      От клеммы
      К клеммам
      8
      3, 4, 5, 7
      7
      3, 4, 5

    Непрерывно ли соединение?
    ДА -
    Устраните замыкание между проводами.■
    НЕТ -
    Модель ПРК (исключая модели KE и KN)
    Модель ЛРК (включая модели KE и KN)