Руководство по обслуживанию и ремонту Honda Jazz/Fit
2 поколения


Honda Jazz/Fit

  • Общая информация
  • Спецификация
  • График техобслуживания
  • Двигатель
  • Топливо и система снижения токсичности
  • Трансмиссия
  • Рулевое управление
  • Подвеска
  • Тормозная система
  • HVAC (Система отопителя, вентилятора, кондиционера)
  • Кузов
  • Средства безопасности
  • Поиск неисправностей DTC
  • Схемы электропроводки

  • Коды поиска неисправностей (DTC): B1279

    Применимость для следующих годов выпуска и кузовов: 2009, GE6, GE8, GG1, GG2, GG3

    DTC B1279:
     Неисправность в цепи переключателя яркости
    1. Сотрите коды неисправности DTC с помощью HDS.
    1. Поверните ключ зажигания в положение LOCK (0), а затем в положение ON (II).
    1. Включите комбинированный переключатель освещения (фар) в положение ON.
    1. Переключите переключатель света фар с ближнего на дальний свет.
    1. Поверните комбинированный переключатель освещения в положение OFF, и затем в положение пропускания.
    1. Проверьте при помощи HDS, записаны ли в память какие-либо коды неисправностей.
    Код DTC B1279 отображается на экране?
    ДА -
    Перейдите к Этап 7 .
    НЕТ -
    Пропадающая неисправность, на момент проверки система исправна. Проверьте надежность контакта и крепления клемм.■
    1. Выберите LIGHTING в меню BODY ELECTRICAL и зайдите в меню DATA LIST.
    1. Проверьте значение каждого положения комбинированного переключателя освещения в меню DATA LIST.

      При применении переключателя мигания при пропускании

      Список данных
      Значение
      Переключатель света фар (СВЕТОВОЙ СИГНАЛ ОБГОНА)
      ON
      Переключатель фар (дальний свет)
      OFF


      Когда фары включены (ON), а регулятор яркости меняется с ближнего света на дальний свет

      Список данных
      Значение
      Переключатель света фар (СВЕТОВОЙ СИГНАЛ ОБГОНА)
      OFF
      Переключатель фар (дальний свет)
      ON
      Переключатель света фар (ФАРЫ)
      ON

    Все значения списка данных корректны?
    ДА -
    НЕТ -
    Перейдите к Этап 9 .
    1. Поверните ключ зажигания в положение блокировки "LOCK" (0).
    1. Отсоедините 12Р разъем комбинированного переключателя освещения.
    1. Включите зажигание, повернув ключ в положение ON (II).
    1. Выберите LIGHTING в меню BODY ELECTRICAL и зайдите в меню DATA LIST.
    1. Проверьте значение каждого положения комбинированного переключателя освещения в меню DATA LIST.

      Когда комбинированный переключатель освещения выключен (OFF)

      Список данных
      Значение
      Переключатель света фар (СВЕТОВОЙ СИГНАЛ ОБГОНА)
      OFF
      Переключатель фар (дальний свет)
      OFF
      Переключатель света фар (ФАРЫ)
      OFF

    Все значения списка данных указаны OFF?
    ДА -
    Перейдите к Этап 17 .
    НЕТ -
    Перейдите к Этап 14 .
    1. Поверните ключ зажигания в положение блокировки "LOCK" (0).
    1. Отсоедините разъем М (34P) блока предохранителей/ реле под панелью приборов.
    1. Проверьте неразрывность цепи между клеммами № 3, № 4 и № 5 разъема М (34P) блока предохранителей/реле под панелью приборов и "массой" кузова по отдельности.
    Непрерывно ли соединение?
    ДА -
    Устраните короткое замыкание в проводе.■
    НЕТ -
    1. Поверните ключ зажигания в положение блокировки "LOCK" (0).
    Комбинированный переключатель освещения в порядке?
    ДА -
    Перейдите к Этап 19 .
    НЕТ -
    Замените комбинированный выключатель приборов освещения.■
    1. Отсоедините разъем М (34P) блока предохранителей/ реле под панелью приборов.

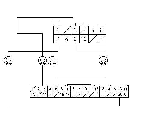
    1. Проверьте неразрывность цепи между клеммами разъема М (34Р) блока реле/предохранителей под панелью приборов и клеммами 12Р разъема комбинированного переключателя освещения, как показано на рисунке:
      Разъем М (34P) блока предохранителей/ реле под панелью приборов.
      Разъем 12P комбинированного переключателя освещения
      3
      3 [4]
      4
      1 [6]
      5
      9 [10]
      33
      7 [12]

      [ ]:
      Модель ЛРК

    Непрерывно ли соединение?
    ДА -
    Перейдите к Этап 21 .
    НЕТ -
    Устраните разрыв в проводе.■
    1. Проверьте неразрывность цепи между клеммами разъема М (34Р) блока реле/ предохранителей под панелью приборов, как показано на рисунке:
      От клеммы
      К клеммам
      5
      3, 4, 7, 8
      7
      3, 4, 8
      8
      3, 4

    Непрерывно ли соединение?
    ДА -
    Устраните замыкание между проводами.■
    НЕТ -
    Модель ПРК
    Модель ЛРК