Руководство по обслуживанию и ремонту Honda Jazz/Fit
2 поколения


Honda Jazz/Fit

  • Общая информация
  • Спецификация
  • График техобслуживания
  • Двигатель
  • Топливо и система снижения токсичности
  • Трансмиссия
  • Рулевое управление
  • Подвеска
  • Тормозная система
  • HVAC (Система отопителя, вентилятора, кондиционера)
  • Кузов
  • Средства безопасности
  • Поиск неисправностей DTC
  • Схемы электропроводки

  • Поиск неисправностей по кодам (DTC): B1275

    Применимость для следующих годов выпуска и кузовов: 2009, GE6, GE8, GG1, GG2, GG3

    DTC B1275:
     Неисправна цепь выключенного положения (OFF) фар
    1. Сотрите коды неисправности DTC с помощью HDS.
    1. Поверните ключ зажигания в положение LOCK (0), а затем в положение ON (II).
    1. Включите каждое положение комбинированного переключателя освещения, затем выключите его.
    1. Проверьте при помощи HDS, записаны ли в память какие-либо коды неисправностей.
    Код DTC B1275 отображается на экране?
    ДА -
    Перейдите к Этап 5 .
    НЕТ -
    Пропадающая неисправность, на момент проверки система исправна. Проверьте надежность контакта и крепления клемм.■
    1. Выберите LIGHTING из меню BODY ELECTRICAL.
    1. Проверьте значение каждого положения комбинированного переключателя освещения в меню DATA LIST.

      Когда комбинированный переключатель освещения в положении OFF:

      Список данных
      Значение
      Выключатель света фар (OFF)
      ON
      Переключатель света фар (СТОЯНКА)
      OFF
      Переключатель света фар (ФАРЫ)
      OFF


      Когда комбинированный переключатель освещения в положении SMALL:

      Список данных
      Значение
      Выключатель света фар (OFF)
      OFF
      Переключатель света фар (СТОЯНКА)
      ON
      Переключатель света фар (ФАРЫ)
      OFF


      Когда комбинированный переключатель освещения в положении ON (фары):

      Список данных
      Значение
      Выключатель света фар (OFF)
      OFF
      Переключатель света фар (СТОЯНКА)
      ON
      Переключатель света фар (ФАРЫ)
      ON

    Все значения списка данных корректны?
    ДА -
    НЕТ -
    Перейдите к Этап 7 .
    1. Поверните ключ зажигания в положение блокировки "LOCK" (0).
    1. Отсоедините 12Р разъем комбинированного переключателя освещения.
    1. Включите зажигание, повернув ключ в положение "ON" (II).
    1. Выберите LIGHTING из меню BODY ELECTRICAL.
    1. Проверьте значение каждого положения комбинированного переключателя освещения в меню DATA LIST.

      Когда комбинированный переключатель освещения в положении OFF:

      Список данных
      Значение
      Выключатель света фар (OFF)
      OFF
      Переключатель света фар (СТОЯНКА)
      OFF
      Переключатель света фар (ФАРЫ)
      OFF

    Все значения списка данных указаны OFF?
    ДА -
    Перейдите к Этап 15 .
    НЕТ -
    Перейдите к Этап 12 .
    1. Поверните ключ зажигания в положение блокировки "LOCK" (0).
    1. Отсоедините разъем М (34P) блока предохранителей/ реле под панелью приборов.
    1. Проверьте неразрывность цепи между клеммами № 5, № 7 и № 8 разъема М (34Р) блока предохранителей/реле под панелью приборов и "массой" кузова по отдельности.
    Непрерывно ли соединение?
    ДА -
    Устраните короткое замыкание в проводе.■
    НЕТ -
    1. Поверните ключ зажигания в положение блокировки "LOCK" (0).
    Комбинированный переключатель освещения в порядке?
    ДА -
    Перейдите к Этап 17 .
    НЕТ -
    Замените комбинированный выключатель приборов освещения.■
    1. Отсоедините разъем М (34P) блока предохранителей/ реле под панелью приборов.

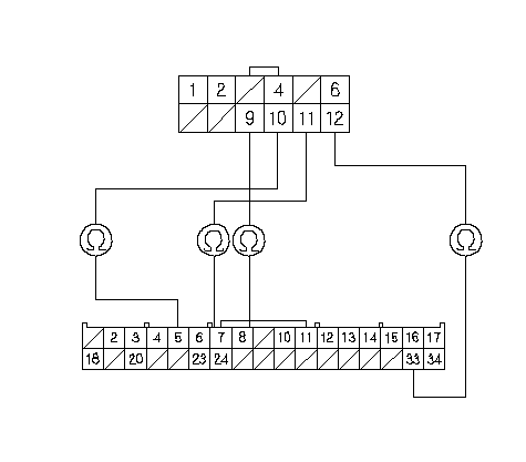
    1. Проверьте неразрывность цепи между клеммами разъема М (34Р) блока реле/предохранителей под панелью приборов и клеммами 12Р разъема комбинированного переключателя освещения, как показано на рисунке:
      Разъем М (34P) блока предохранителей/ реле под панелью приборов.
      Разъем 12P комбинированного переключателя освещения
      5
      9 [10]
      7
      8 [11]
      8
      10[9]
      33
      7[12]

      [ ]:
      Модель ЛРК

    Непрерывно ли соединение?
    ДА -
    НЕТ -
    Устраните разрыв в проводе.■
    Модель ПРК
    Модель ЛРК