Руководство по обслуживанию и ремонту Honda Jazz/Fit
2 поколения


Honda Jazz/Fit

  • Общая информация
  • Спецификация
  • График техобслуживания
  • Двигатель
  • Топливо и система снижения токсичности
  • Трансмиссия
  • Рулевое управление
  • Подвеска
  • Тормозная система
  • HVAC (Система отопителя, вентилятора, кондиционера)
  • Кузов
  • Средства безопасности
  • Поиск неисправностей DTC
  • Схемы электропроводки

  • Коды поиска неисправностей (DTC): B1175

    Применимость для следующих годов выпуска и кузовов: 2009, GE6, GE8, GG1, GG2, GG3

    DTC B1175:
     Неисправность в цепи датчика уровня топлива (передающее устройство указателя уровня топлива)
    1. Сотрите коды неисправности DTC с помощью HDS.
    1. Поверните ключ зажигания в положение LOCK (0), а затем в положение ON (II).
    1. Подождите 30 секунд.
    1. Проверьте при помощи HDS, записаны ли в память какие-либо коды неисправностей.
    Код DTC B1175 отображается на экране?
    ДА -
    Перейдите к Этап 5 .
    НЕТ -
    Временная неисправность, цепь датчика уровня топлива в данное время исправна. Проверьте надежность контакта и крепления клемм.■
    1. Поверните ключ зажигания в положение блокировки "LOCK" (0).
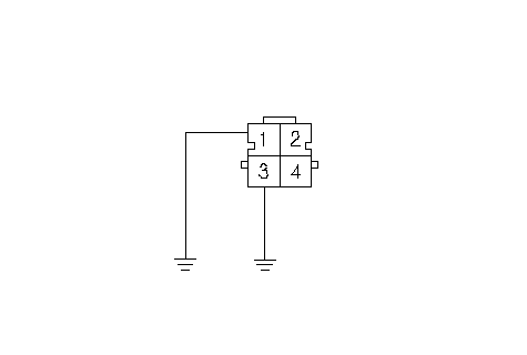
    1. Отсоедините 4P разъем блока топливного бака и 32P разъем модуля управления приборами.
    1. Соедините клеммы № 1 и № 3 4P разъема блока топливного бака с "массой" кузова с помощью провода-переходника.

    1. Проверьте неразрывность цепи между клеммами № 27 и № 28 32P разъема блока управления приборами и "массой" по отдельности.
    Непрерывно ли соединение?
    ДА -
    Перейдите к Этап 9 .
    НЕТ -
    Устраните разрыв в цепи между модулем управления приборами и блоком топливного бака.■
    Передающий блок указателя уровня топлива исправен?
    ДА -
    НЕТ -
    Замените блок топливного бака.■