Поиск неисправностей АБС по кодам DTC: 11-13, 13-13, 15-13, 17-13
Применимость для следующих годов выпуска и кузовов: 2009, GE6, GE8, GG1, GG2, GG3
|
DTC 11-13:
Неисправность в цепи датчика частоты вращения правого переднего колеса
DTC 13-13:
Неисправность цепи датчика частоты вращения левого переднего колеса
DTC 15-13:
Неисправность цепи датчика частоты вращения правого заднего колеса
DTC 17-13:
Неисправность цепи датчика частоты вращения левого заднего колеса
-
Включите зажигание, повернув ключ в положение ON (II).
-
Сотрите сообщение с кодом неисправности DTC с помощью HDS.
-
Поверните ключ зажигания в положение LOCK (0), а затем снова в положение ON (II).
-
Проверьте при помощи HDS, занесены ли в память какие-либо коды неисправностей.
|
Отображается код неисправности 11-13, 13-13, 15-13 и/или 17-13?
|
|
ДА
|
-
|
|
|
НЕТ
|
-
|
Пропадающая неисправность, на момент проверки система исправна. Проверьте надежность крепления клемм между 2P разъемом датчика скорости колеса и 25Р разъемом блока управления-модулятора ABS.
См. раздел поиска пропадающих неисправностей.
■
|
-
Поверните ключ зажигания в положение блокировки "LOCK" (0).
-
-
Отсоедините 2Р разъем датчика частоты вращения колеса.
-
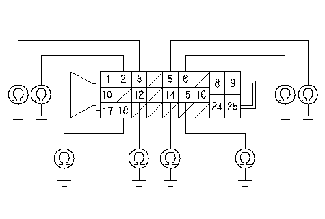
Проверьте неразрывность цепи между соответствующими клеммами +B и GND датчика частоты вращения колеса 25Р разъема блока управления-модулятора ABS (см. таблицу).
|
DTC
|
Клемма 25Р разъема блока управления-модулятора ABS
|
|
11-13
|
№ 2
|
№ 18
|
|
13-13
|
№ 12
|
№ 3
|
|
15-13
|
№ 6
|
№ 15
|
|
17-13
|
№ 14
|
№ 5
|
|
Непрерывно ли соединение?
|
|
ДА
|
-
|
Устраните замыкание в проводах между соответствующим датчиком частоты вращения колеса и блоком управления-модулятора ABS.■
|
|
НЕТ
|
-
|
|
|
Сторона проводов клемм-выходов
FL-GND (GRY)
FR +B (GRN)
RL-GND (RED)
RR +B (LT BLU)
RR-GND (GRY)
RL +B (YEL)
FR-GND (PNK)
FL +B (ORN)
25Р РАЗЪЕМ БЛОКА УПРАВЛЕНИЯ-МОДУЛЯТОРА ABS
}
|
-
Проверьте неразрывность цепи между соответствующей клеммой 25Р разъема блока управления-модулятора ABS и клеммой 2Р разъема датчика частоты вращения колеса.
|
DTC
|
25Р разъем блока управления-модулятора ABS
|
Соответствующий датчик частоты вращения колеса
|
|
11-13
|
№ 2
|
Передний правый
|
|
13-13
|
№ 12
|
Передний левый
|
|
15-13
|
№ 6
|
Задний правый
|
|
17-13
|
№ 14
|
Задний левый
|
|
Непрерывно ли соединение?
|
|
ДА
|
-
|
|
|
НЕТ
|
-
|
Устраните разрыв в проводе между соответствующим датчиком частоты вращения колеса и блоком управления-модулятора ABS.■
|
|
ПРАВЫЙ- ПЕРЕДНИЙ
25Р РАЗЪЕМ БЛОКА УПРАВЛЕНИЯ-МОДУЛЯТОРА ABS
RL +B (YEL)
FL +B (ORN)
RL +B (YEL)
RR +B (LT BLU)
RR +B (LT BLU)
FL +B (ORN)
FR +B (GRN)
2-КОНТАКТНЫЙ РАЗЪЕМ ДАТЧИКА СКОРОСТИ ВРАЩЕНИЯ КОЛЕСА
ЛЕВЫЙ- ПЕРЕДНИЙ
ПРАВЫЙ- ЗАДНИЙ
ЛЕВЫЙ- ЗАДНИЙ
Сторона проводов клемм-выходов
FR +B (GRN)
Сторона клемм-входов
Сторона проводов клемм-выходов
}
|
-
Проверьте неразрывность цепи между соответствующей клеммой 25Р разъема блока управления-модулятора ABS и клеммой 2Р разъема датчика частоты вращения колеса.
|
DTC
|
25Р разъем блока управления-модулятора ABS
|
Соответствующий датчик частоты вращения колеса
|
|
11-13
|
№ 18
|
Передний правый
|
|
13-13
|
№ 3
|
Передний левый
|
|
15-13
|
№ 15
|
Задний правый
|
|
17-13
|
№ 5
|
Задний левый
|
|
Непрерывно ли соединение?
|
|
ДА
|
-
|
|
|
НЕТ
|
-
|
Устраните разрыв в проводе между соответствующим датчиком частоты вращения колеса и блоком управления-модулятора ABS.■
|
|
FL-GND (GRY)
FR-GND (PNK)
RR-GND (GRY)
RL-GND (RED)
RR-GND (GRY)
RL-GND (RED)
ПРАВЫЙ- ПЕРЕДНИЙ
25Р РАЗЪЕМ БЛОКА УПРАВЛЕНИЯ-МОДУЛЯТОРА ABS
2-КОНТАКТНЫЙ РАЗЪЕМ ДАТЧИКА СКОРОСТИ ВРАЩЕНИЯ КОЛЕСА
ЛЕВЫЙ- ПЕРЕДНИЙ
Сторона проводов клемм-выходов
Сторона клемм-входов
Сторона проводов клемм-выходов
FL-GND (GRY)
FR-GND (PNK)
ПРАВЫЙ- ЗАДНИЙ
ЛЕВЫЙ- ЗАДНИЙ
}
|
-
Проверьте неразрывность цепи между "массой" кузова и соответствующей клеммой разъема 25Р блока управления ABS (см. таблицу).
|
DTC
|
Клемма 25Р разъема блока управления-модулятора ABS
|
|
11-13
|
№ 2
|
№ 18
|
|
13-13
|
№ 12
|
№ 3
|
|
15-13
|
№ 6
|
№ 15
|
|
17-13
|
№ 14
|
№ 5
|
|
Непрерывно ли соединение?
|
|
ДА
|
-
|
Устраните замыкание на "массу" в проводе между соответствующим датчиком частоты вращения колеса и блоком управления-модулятора ABS.■
|
|
НЕТ
|
-
|
|
-
Включите зажигание, повернув ключ в положение ON (II).
|
Сторона проводов клемм-выходов
RL-GND (RED)
RR +B (LT BLU)
RR-GND (GRY)
RL +B (YEL)
FR-GND (PNK)
FL +B (ORN)
25Р РАЗЪЕМ БЛОКА УПРАВЛЕНИЯ-МОДУЛЯТОРА ABS
FR +B (GRN)
FL-GND (GRY)
}
|
-
Измерьте напряжение между "массой" кузова и соответствующей клеммой 25Р разъема блока управления-модулятора ABS (см. таблицу).
|
DTC
|
Клемма 25Р разъема блока управления-модулятора ABS
|
|
11-13
|
№ 2
|
№ 18
|
|
13-13
|
№ 12
|
№ 3
|
|
15-13
|
№ 6
|
№ 15
|
|
17-13
|
№ 14
|
№ 5
|
|
Напряжение равно не менее 0,1 В?
|
|
ДА
|
-
|
Устраните замыкание на силовой провод в цепи между соответствующим датчиком частоты вращения колеса и блоком управления-модулятора ABS.■
|
|
НЕТ
|
-
|
|
-
Поверните ключ зажигания в положение блокировки "LOCK" (0).
-
Замените соответствующий датчик другим датчиком частоты вращения колеса или на заведомо исправный датчик.
-
Заново подсоедините все разъемы.
-
Включите зажигание, повернув ключ в положение ON (II).
-
Удалите сообщение с кодом неисправности DTC с помощью HDS.
-
Поверните ключ зажигания в положение LOCK (0), а затем снова в положение ON (II).
-
Проверьте при помощи HDS, занесены ли в память какие-либо коды неисправностей.
Выводится ли код DTC, указанный в
Этап 4
?
|
|
Сторона проводов клемм-выходов
RL-GND (RED)
RR +B (LT BLU)
RR-GND (GRY)
RL +B (YEL)
FR-GND (PNK)
FL +B (ORN)
25Р РАЗЪЕМ БЛОКА УПРАВЛЕНИЯ-МОДУЛЯТОРА ABS
FR +B (GRN)
FL-GND (GRY)
}
|