Руководство по обслуживанию и ремонту Honda Jazz/Fit
2 поколения


Honda Jazz/Fit

  • Общая информация
  • Спецификация
  • График техобслуживания
  • Двигатель
  • Топливо и система снижения токсичности
  • Трансмиссия
  • Рулевое управление
  • Подвеска
  • Тормозная система
  • HVAC (Система отопителя, вентилятора, кондиционера)
  • Кузов
  • Средства безопасности
  • Поиск неисправностей DTC
  • Схемы электропроводки

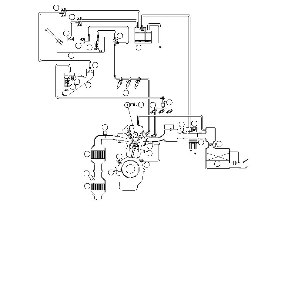
  • Распределение вакуума

    1

    20

    1

    2

    5

    4

    3

    6

    АТМОСФЕРА

    13

    8

    14

    7

    22

    21

    24

    23

    25

    26

    27

    17

    18

    19

    15

    16

    10

    11

    12

    9

    ОХЛАДИТЕЛЬ
    ДВИГАТЕЛЯ

    2

    4

    (1)

    (2)

    (3)

    (4)

    (5)

    (6)

    (9)

    (10)

    (11)

    (12)

    (13)

    (14)

    (15)

    (16)

    (17)

    (18)

    (19)

    (20)

    (23)

    (24)

    (25)

    (26)

    (27)

    ДВУХХОДОВОЙ КЛАПАН БАЧКА АБСОРБЕРА (EVAP)

    КЛАПАН ОТДЕЛЕНИЯ ПАРОВ ОТ ЖИДКОСТИ В ТОПЛИВНОМ БАКЕ

    ТОПЛИВНЫЙ БАК

    РЕГУЛЯТОР ДАВЛЕНИЯ ТОПЛИВА

    ТОПЛИВНЫЙ НАСОС

    ТОПЛИВНЫЙ ФИЛЬТР

    ДАТЧИК ОТНОШЕНИЯ МАССЫ ВОЗДУХА К МАССЕ ТОПЛИВА (А/F) (ДАТЧИК 1)

    ТРЕХСТОРОННИЙ КАТАЛИТИЧЕСКИЙ НЕЙТРАЛИЗАТОР ПОДОГРЕВА (WU-TWC)

    ВТОРИЧНЫЙ ДАТЧИК ПОДОГРЕВАЕМОГО КИСЛОРОДА
    (ВТОРИЧНЫЙ HO2S) (ДАТЧИК 2)

    ТРЕХСЕКЦИОННЫЙ КАТАЛИТИЧЕСКИЙ КОНВЕРТЕР TWC (ПОД ДНИЩЕМ)

    ИНЖЕКТОР

    ДАТЧИК ПОЛОЖЕНИЯ РАСПРЕДЕЛИТЕЛЬНОГО ВАЛА (СМР)

    КОНТАКТНЫЙ ДАТЧИК ДАВЛЕНИЯ МАСЛА

    ДАТЧИК ПОЛОЖЕНИЯ КОЛЕНЧАТОГО ВАЛА (CKP)

    ДАТЧИК ДЕТОНАЦИИ

    КЛАПАН СИСТЕМЫ ПРИНУДИТЕЛЬНОЙ ВЕНТИЛЯЦИИ КАРТЕРА (PCV)

    АБСОРБЕР ПАРОВ ТОПЛИВА (EVAP)

    ДАТЧИК АБСОЛЮТНОГО ДАВЛЕНИЯ ВО ВПУСКНОМ КОЛЛЕКТОРЕ (МАР)

    КЛАПАН ПРОДУВКИ БАЧКА АБСОРБЕРА ПАРОВ ТОПЛИВА (EVAP)

    ДАТЧИК МАССЫ ВОЗДУШНОГО
    ПОТОКА (MAF)/ДАТЧИК ТЕМПЕРАТУРЫ ВОЗДУХА НА ВПУСКЕ (IAT)

    ВОЗДУШНЫЙ ФИЛЬТР

    КОРПУС ДРОССЕЛЬНОЙ ЗАСЛОНКИ

    ДАТЧИК 1 ТЕМПЕРАТУРЫ ОХЛАЖДАЮЩЕЙ ЖИДКОСТИ (ECT)

    (7)

    (8)

    ТОПЛИВНЫЙ БАК ВСПОМОГАТЕЛЬНОЙ СИСТЕМЫ ПОДАЧИ ТОПЛИВА

    НАСОС ВСПОМОГАТЕЛЬНОЙ СИСТЕМЫ ПОДАЧИ ТОПЛИВА

    (21)

    (22)

    ЭЛЕКТРОМАГНИТ ВСПОМОГАТЕЛЬНОЙ СИСТЕМЫ ПОДАЧИ ТОПЛИВА

    ТОПЛИВНАЯ ФОРСУНКА

    }