Руководство по обслуживанию и ремонту Honda Jazz/Fit
2 поколения


Honda Jazz/Fit

  • Общая информация
  • Спецификация
  • График техобслуживания
  • Двигатель
  • Топливо и система снижения токсичности
  • Трансмиссия
  • Рулевое управление
  • Подвеска
  • Тормозная система
  • HVAC (Система отопителя, вентилятора, кондиционера)
  • Кузов
  • Средства безопасности
  • Поиск неисправностей DTC
  • Схемы электропроводки

  • Поиск неисправностей по кодам DTC: B2476

    Применимость для следующих годов выпуска и кузовов: 2009, GE6, GE8, GG1, GG2, GG3

    DTC B2476:
     Неисправность переднего датчика высоты
    1. Сотрите коды неисправности DTC с помощью HDS.
    1. Поверните ключ зажигания в положение LOCK (0), а затем в положение ON (II).
    1. Проверьте при помощи HDS, записаны ли в память какие-либо коды неисправностей.
    Код DTC B2476 имеется на экране?
    ДА -
    Перейдите к Этап 4 .
    НЕТ -
    Пропадающая неисправность, на момент проверки система исправна.■
    1. Проверьте при помощи HDS, записаны ли в память какие-либо коды неисправностей.
    Выводится ли код неисправности B2477 вместе с кодом B2476?
    ДА -
    Перейдите к Этап 10 .
    НЕТ -
    Перейдите к Этап 5 .
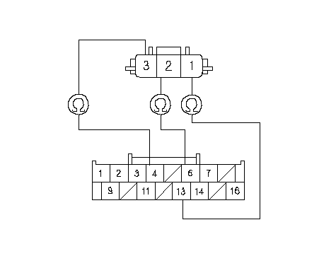
    1. Измерьте напряжение между клеммами № 4 и № 6 разъема 16P блока управления регулировкой направления фар.
    Напряжение меньше 0,4 В?
    ДА -
    Перейдите к Этап 6 .
    НЕТ -
    Перейдите к Этап 27 .
    1. Поверните ключ зажигания в положение блокировки "LOCK" (0).
    1. Отсоедините 3Р разъем датчика хода передней подвески.
    1. Отсоедините 16Р разъем блока управления регулировкой направления фар.

    1. Проверьте неразрывность цепи между клеммами № 4, № 6 и № 13 разъема 16Р блока управления регулировкой направления фар и клеммами № 3, № 2 и № 1 разъема 3P датчика хода передней подвески по отдельности.
    Непрерывно ли соединение?
    ДА -
    Замените датчик хода передней подвески .■
    НЕТ -
    Устраните разрыв в проводе.■
    1. Поверните ключ зажигания в положение блокировки "LOCK" (0).
    1. Отсоедините 3Р разъем датчика хода передней подвески.
    1. Включите зажигание, повернув ключ в положение ON (II).
    1. Сотрите коды неисправности DTC с помощью HDS.
    1. Поверните ключ зажигания в положение LOCK (0), а затем в положение ON (II).
    1. Проверьте при помощи HDS, записаны ли в память какие-либо коды неисправностей.
    Код DTC B2476 имеется на экране?
    ДА -
    Замените датчик хода передней подвески .■
    НЕТ -
    Перейдите к Этап 16 .
    1. Поверните ключ зажигания в положение блокировки "LOCK" (0).
    1. Отсоедините 3Р разъем датчика хода задней подвески.
    1. Включите зажигание, повернув ключ в положение ON (II).
    1. Сотрите коды неисправности DTC с помощью HDS.
    1. Поверните ключ зажигания в положение LOCK (0), а затем в положение ON (II).
    1. Проверьте при помощи HDS, записаны ли в память какие-либо коды неисправностей.
    Код DTC B2477 имеется на экране?
    ДА -
    Замените датчик хода задней подвески .■
    НЕТ -
    Перейдите к Этап 22 .
    1. Поверните ключ зажигания в положение блокировки "LOCK" (0).
    1. Отсоедините 16Р разъем блока управления регулировкой направления фар.

    1. Проверьте неразрывность цепи между клеммой № 13 16Р разъема блока управления регулировкой направления фар и "массой".
    Непрерывно ли соединение?
    ДА -
    Устраните короткое замыкание в проводе.■
    НЕТ -
    Перейдите к Этап 25 .

    1. Проверьте неразрывность цепи между клеммой № 13 разъема 16Р блока управления регулировкой направления фар и клеммой № 1 разъема 3Р датчика хода передней подвески.
    Непрерывно ли соединение?
    ДА -
    Перейдите к Этап 26 .
    НЕТ -
    Устраните разрыв в проводе.■

    1. Проверьте неразрывность цепи между клеммой № 4 разъема 16Р блока управления регулировкой направления фар и клеммой № 3 разъема 3Р датчика хода передней подвески.
    Непрерывно ли соединение?
    ДА -
    Замените блок управления регулировкой направления фар. ■
    НЕТ -
    Устраните разрыв в проводе.■
    1. Поверните ключ зажигания в положение блокировки "LOCK" (0).
    1. Отсоедините 3Р разъем датчика хода передней подвески.
    1. Отсоедините 16Р разъем блока управления регулировкой направления фар.

    1. Проверьте неразрывность соединения между клеммами № 1 и № 2 3Р разъема датчика хода передней подвески и "массой" кузова.
    Непрерывно ли соединение?
    ДА -
    Устраните короткое замыкание в проводе.■
    НЕТ -
    Замените датчик хода передней подвески .■