Снятие/установка панели управления обогревателем
Применимость для следующих годов выпуска и кузовов: 2009, GE6, GE8
-
-
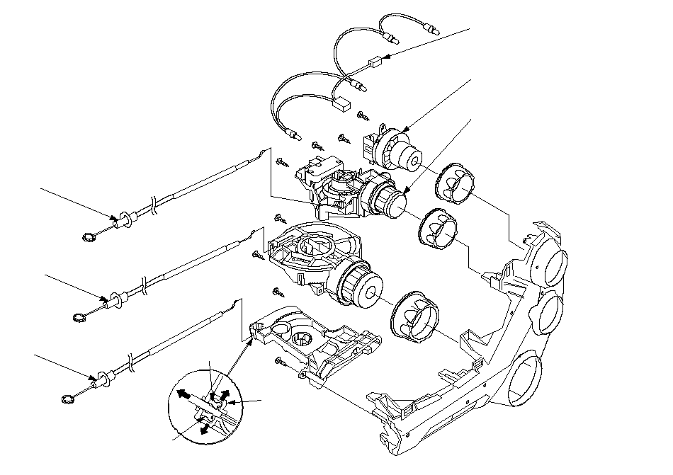
При помощи специальных клещей расширьте стопоры троса (А) в держателе троса (В), затем вытяните трос управления рециркуляцией (С), трос управления режимами (D) и трос управления смесителем воздуха (Е).
-
Зацепите кончик нового троса управления за регулятор или ползунок, затем вдавите корпус троса в держатель троса до защелкивания на свое место.
-
После сборки, проверьте чтобы рычаг скользил или ручка поворачивалась плавно на полном ходу справа налево.
|
|
-
-
При помощи специальных клещей расширьте стопоры троса (А) в держателе троса (В), затем вытяните трос управления рециркуляцией (С), трос управления режимами (D) и трос управления смесителем воздуха (Е).
|
A
B
C
A
D
E (Кроме моделей KZ, KP и MA)
РУКОЯТКА УПРАВЛЕНИЯ ТЕМПЕРАТУРОЙ
ВЫКЛЮЧАТЕЛЬ ВЕНТИЛЯТОРА ОБОГРЕВАТЕЛЯ
4Р РАЗЪЕМ РЕГУЛЯТОРА УПРАВЛЕНИЯ ТЕМПЕРАТУРОЙ (модели KZ, KP и MA)
}
|
-
Зацепите кончик нового троса управления за регулятор или ползунок, затем вдавите корпус троса в держатель троса до защелкивания на свое место.
-
После сборки, проверьте чтобы рычаг скользил или ручка поворачивалась плавно на полном ходу справа налево.
|