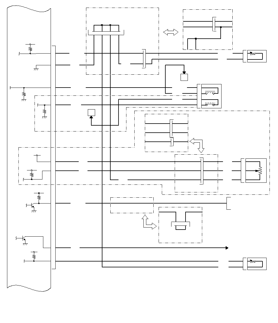
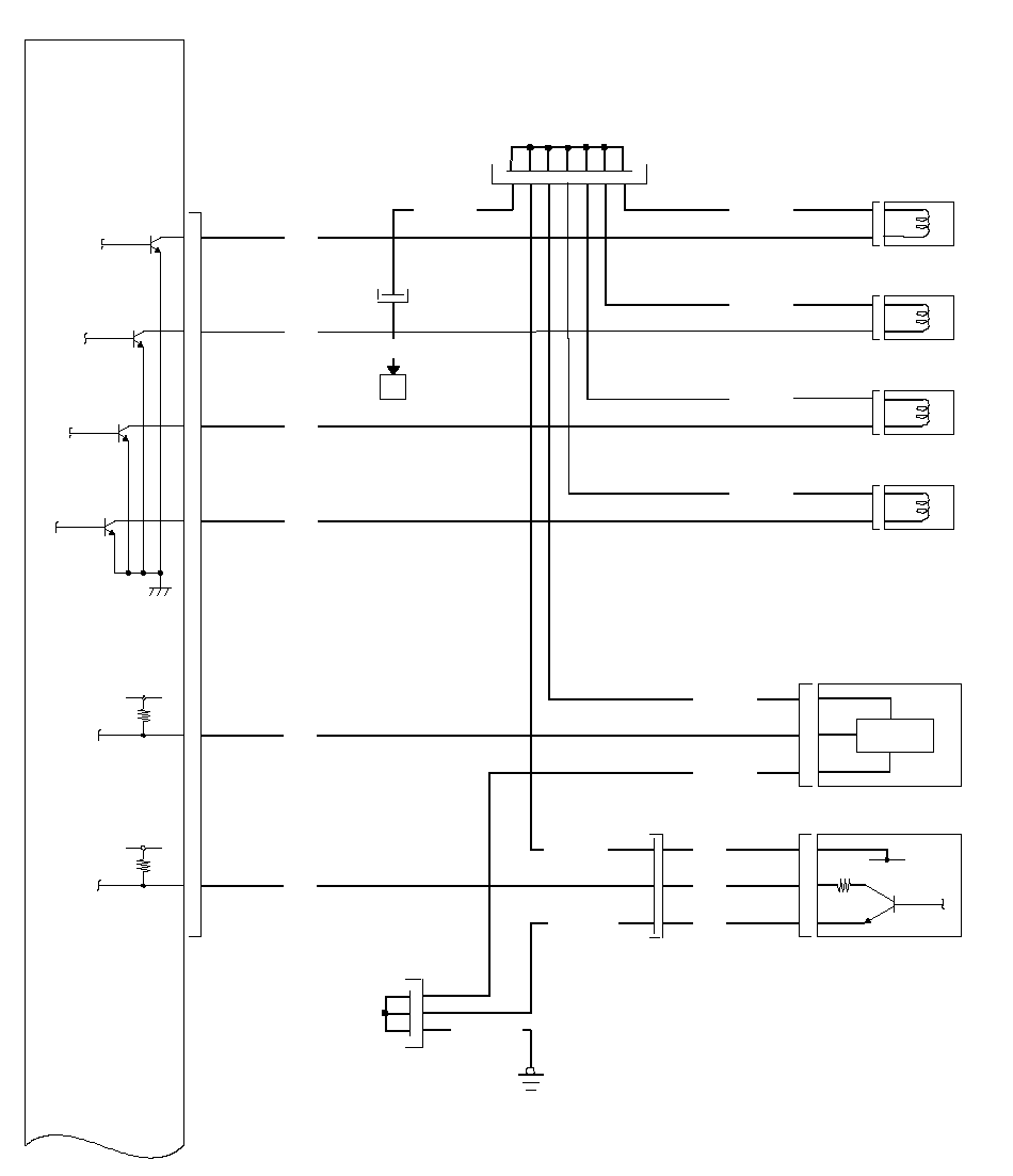
Электрическая схема топливной системы и системы выпуска отработанных газов
КОЛЕНЧАТОГО ВАЛА)
(13-контактный) РАЗЪЕМ
РАЗЪЕМ*1
(12P СОЕДИНИТЕЛЬНЫЙ
РАЗЪЕМ*2)
ЭЛЕКТРИЧЕСКИЙ
РАЗЪЕМ
*2: МКП
УПРАВЛЕНИЯ МАСЛОМ
КОРОМЫСЛА
*2: МКП
(22)
*2
полоской
(21)
*2
(23)
*2
(24)
*2
желтой
полоской
желтой
полоской
желтой
полоской
желтой
полоской
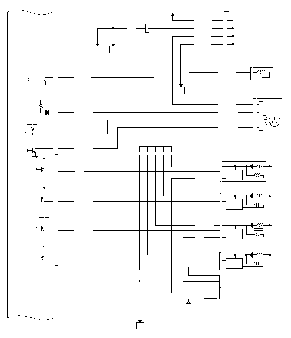
IAT
МЕХАНИЗМ
ДРОССЕЛЬНОЙ ЗАСЛОНКИ
МАССЫ
ВОЗДУШНОГО
ПОТОКА (MAF)
ЭЛЕКТРИЧЕСКИЙ
РАЗЪЕМ
СВЕЧЕ
ЗАЖИГАНИЯ
СВЕЧЕ
ЗАЖИГАНИЯ
СВЕЧЕ
ЗАЖИГАНИЯ
РАЗЪЕМ
YEL
(13-контактный) РАЗЪЕМ
(13-контактный) РАЗЪЕМ
СВЕЧЕ
ЗАЖИГАНИЯ
АБСОРБЕРА EVAP
(Системы поглощения
паров топлива)
*2: МКП
*5: С круиз-контролем
РАЗЪЕМ*1
(12P СОЕДИНИТЕЛЬНЫЙ
РАЗЪЕМ)*2
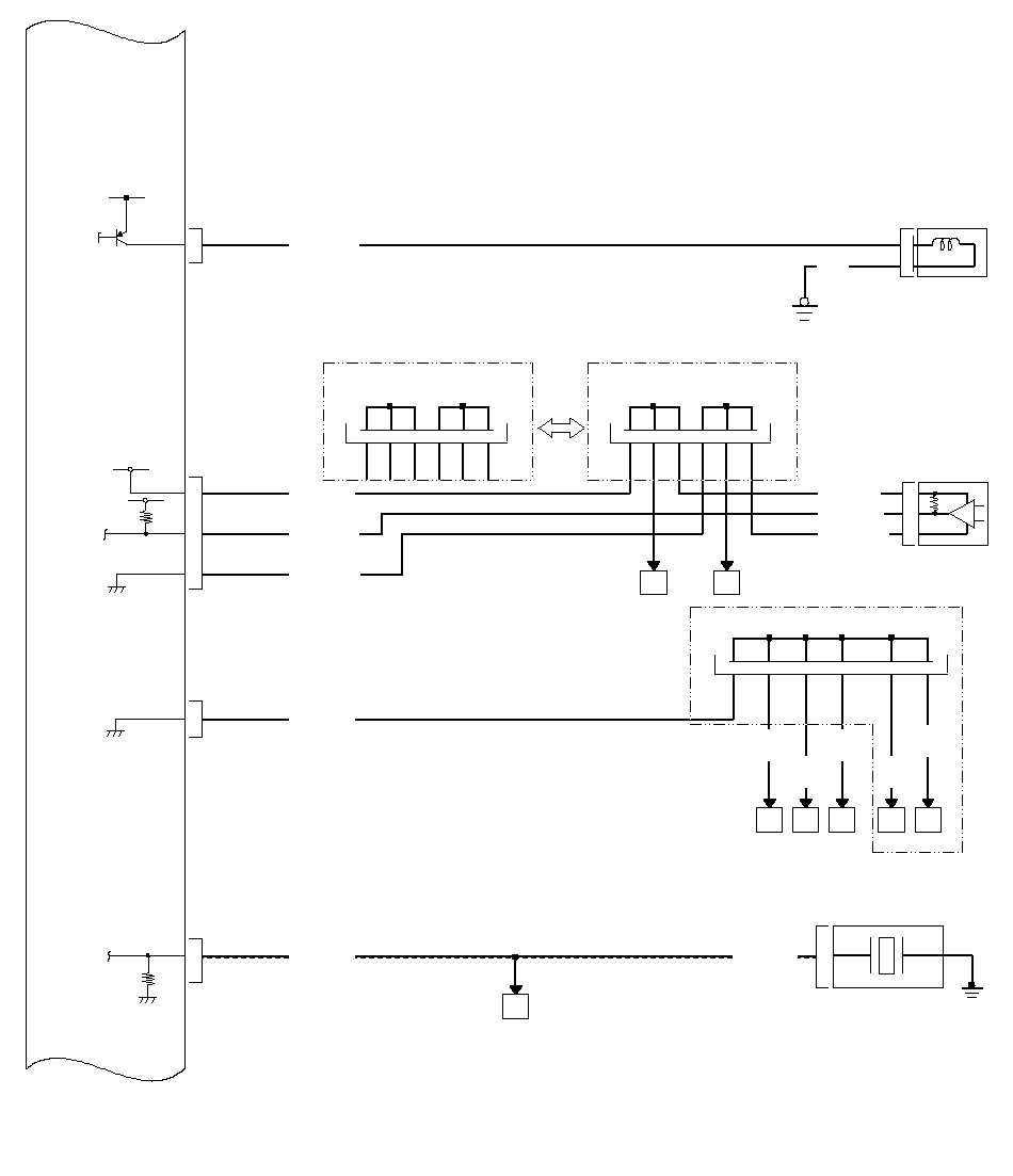
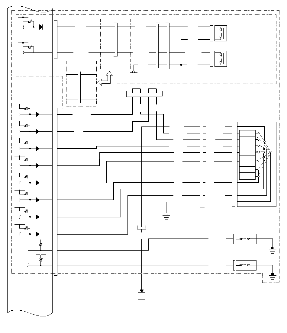
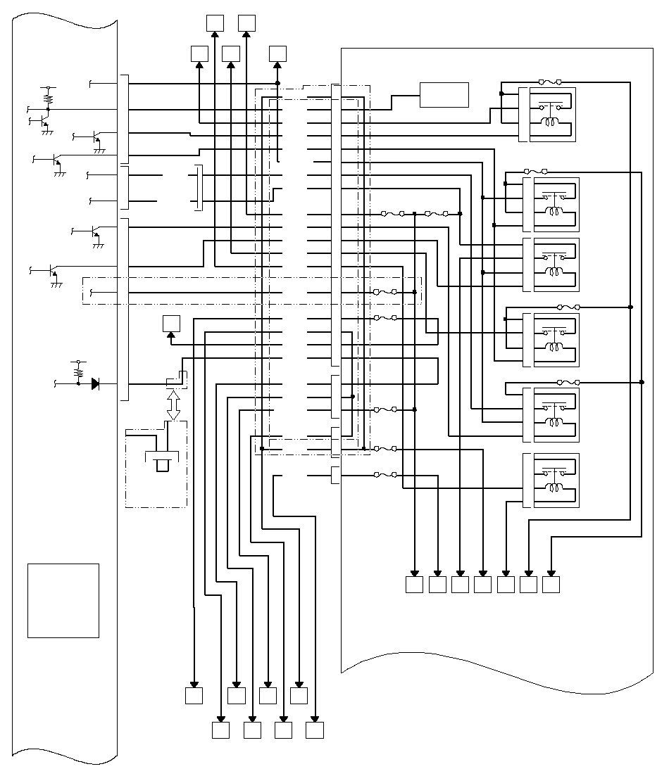
клапан включения D
ДАВЛЕНИЕМ ФРИКЦИОНА АКП
ДАВЛЕНИЕМ ФРИКЦИОНА АКП В
ДАВЛЕНИЕМ АКП С
ВТОРИЧНОГО ВАЛА
(ПРОМЕЖУТОЧНОГО ВАЛА)
КЛАПАН А ПЕРЕКЛЮЧЕНИЯ ПЕРЕДАЧ
КЛАПАН В ПЕРЕКЛЮЧЕНИЯ ПЕРЕДАЧ
КЛАПАН С ПЕРЕКЛЮЧЕНИЯ
ТЕМПЕРАТУРЫ МАСЛА АКП (ATF)
ВЕДУЩЕГО ВАЛА (ПЕРВИЧНОГО ВАЛА)
РЕЖИМОВ КОРОБКИ ПЕРЕДАЧ
ФРИКЦИОНА
2-ОЙ ПЕРЕДАЧИ
ФРИКЦИОНА
3-ЕЙ ПЕРЕДАЧИ
*3: Автомобиль с ПРК
*8: АКП (модель с рычажковым переключением передач)
*9: АКП (модель без рычажкового переключения
передач)
*10: Автомобиль с ЛРК
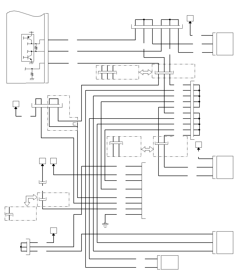
(ПЕРЕКЛЮЧАТЕЛЬ НА
ПОВЫШЕННУЮ ПЕРЕДАЧУ)
РАЗЪЕМ
РАЗЪЕМ
RED
(ПЕРЕКЛЮЧАТЕЛЬ
НА ПОНИЖЕННУЮ ПЕРЕДАЧУ)
RED
РАЗЪЕМ
BLK
(ATPS)*8
(КОЭФФИЦИЕНТА ИЗБЫТКА
ВОЗДУХА)
(ДАТЧИК 1)
HO2S
(ДАТЧИК 2)
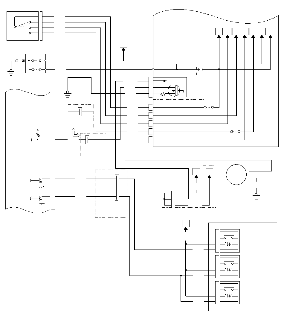
ДАВЛЕНИЯ МАСЛА
Педаль тормоза отпущена: закрыт
МЕХАНИЗМА БЛОКИРОВКИ
ПЕРЕКЛЮЧЕНИЯ ПЕРЕДАЧ
ПОЛОЖЕНИЯ ПЕДАЛИ СЦЕПЛЕНИЯ
*3: Автомобиль с ПРК
*4: МКП (с системой
круиз-контроля)
*10: Автомобиль с ЛРК
РАЗЪЕМ
РАЗЪЕМ
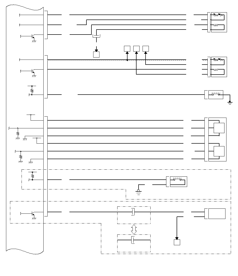
ОХЛАЖДАЮЩЕЙ
ЖИДКОСТИ (ECT) 2
(системы охлаждения двигателя) (ЕСТ2)
Педаль тормоза отпущена: открыт
Педаль тормоза отпущена: закрыт
*5: С системой круиз-контроля
*6: С регулятором направления фар
*7: модели KZ, KP
*10: Автомобиль с ЛРК
ПЕДАЛИ ТОРМОЗА
УПРАВЛЕНИЯ
ТЕМПЕРАТУРОЙ
РАЗЪЕМА ТАХОМЕТРА
ТЕМПЕРАТУРЫ
ИСПАРИТЕЛЯ
(18)*6
(16)*6
(20P РАЗЪЕМ)*6
УПРАВЛЕНИЯ
ETCS
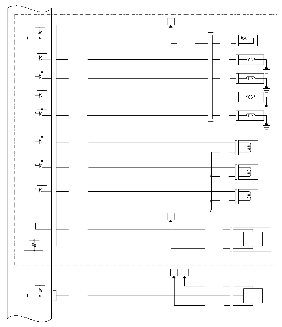
РЕЛЕ 1
СИСТЕМЫ
PGM-FI
ПРЕРЫВАНИЯ
ПОДАЧИ ТОКА
НА СТАРТЕР
РЕЛЕ 2
СИСТЕМЫ
PGM-FI
*3: Автомобиль с ПРК
*10: Автомобиль с ЛРК
КАТУШКИ
ЗАЖИГАНИЯ
ДАТЧИКА
A/F
СОЕДИНИТЕЛЬНЫЙ
РАЗЪЕМ
(13-контактный) РАЗЪЕМ
красной
полоской
ДАТЧИК
BARO(встроен
в блок ECM/PCM)
КЛЕММ
АККУМУЛЯТОРА
(19)*6
*3: Автомобиль с ПРК
*6: С регулятором направления фар
*10: Автомобиль с ЛРК
СОЕДИНИТЕЛЬНЫЙ
РАЗЪЕМ
РАЗЪЕМ
(6)*6
КОМПРЕССОРА
КОНДИЦИОНЕРА ВОЗДУХА
КОНДЕНСАТОРА
КОНДИЦИОНЕРА ВОЗДУХА
РАДИАТОРА
РАЗЪЕМ
РАЗЪЕМ
(20P
РАЗЪЕМ)*6
(PUR)*10
БЛОК РЕЛЕ В МОТОРНОМ ОТСЕКЕ
БЛОК РЕЛЕ/ПРЕДОХРАНИТЕЛЕЙ ПОД ПРИБОРНОЙ ПАНЕЛЬЮ:
(1)№ 26 A/F SENSOR (датчика A/F) (10 A)
(2)№ 39 IGP (15 A)
(3)№ 33 IGNITION COIL (катушка зажигания) (15 A)
(4)№ 52 ETCS (15 A)
(5)№ 20 FUEL PUMP (топливный насос) (15 A)
(6)№ 12 ALTERNATOR (генератор) (10 A)
(7)№ 7 MISSION SOLENOID (электромагнит трансмиссии) (10 A)
(8)№ 24 STOP, HORN (стоп-сигнал, звуковой сигнал) (15 A)
(9)№ 22 METER (указатель) (7,5 A)
(10)№ 10 A/C (кондиционер) (7,5 A)
(11)№ 1 BACK UP (задний ход) (7,5 A)
(12)№ 60 IG SW (замок зажигания) (50 A)
(13)№ 44 STARTER (стартер) (7,5 A)
БЛОК ПРЕДОХРАНИТЕЛЕЙ КЛЕММ АККУМУЛЯТОРА:
(14)20 A (с разъемом для приборов освещения прицепа: 30 A)
(15)100 A
В ПАНЕЛИ ПРИБОРОВ
ДАННЫХ
РАЗЪЕМ
УПРАВЛЕНИЯ
МОДУЛЯТОРА ABS
ПАНЕЛЬЮ ПРИБОРОВ
УПРАВЛЕНИЯ
EPS
*10: Автомобили с ЛРК
*11: С SRS
(11)
*10
РАЗЪЕМ
СОЕДИНИТЕЛЬНЫЙ
РАЗЪЕМ
(13-контактный)
РАЗЪЕМ
(12)
*10
РАЗЪЕМ
(13-контактный)
РАЗЪЕМ
РАЗЪЕМ
РАЗЪЕМ
РАЗЪЕМ
(11)
*10
(5)
*10
(6)
*10
(12)
*10
РАЗЪЕМ
РАЗЪЕМ


