Руководство по обслуживанию и ремонту Honda Jazz/Fit
2 поколения


Honda Jazz/Fit

  • Общая информация
  • Спецификация
  • График техобслуживания
  • Двигатель
  • Топливо и система снижения токсичности
  • Трансмиссия
  • Рулевое управление
  • Подвеска
  • Тормозная система
  • HVAC (Система отопителя, вентилятора, кондиционера)
  • Кузов
  • Средства безопасности
  • Поиск неисправностей DTC
  • Схемы электропроводки

  • Замена модуля управления переключением системы i-SHIFT

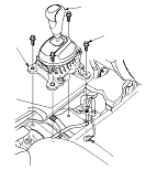
    Применимость для следующих годов выпуска и кузовов: 2009, GE6, GG3

    ПРИМЕЧАНИЕ: На рисунке показана модель с ЛРК, модель с ПРК аналогична.
    1. Отсоедините разъем (А) и снимите модуль управления приборами (В).
      ПРИМЕЧАНИЕ: Если необходима замена модуля управления переключением передач, снимите рукоятку рычага переключения (С) с модуля.

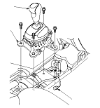
    1. Установите модуль (А) управления приборами, затем подсоедините разъем (В).
      ПРИМЕЧАНИЕ: Если модуль управления переключением передач был заменен, установите рукоятку рычага (С) в модуль управления (поверните рукоятку рычага переключения по часовой стрелке 11-13 раз и убедитесь, что схема переключения на рукоятке расположена правильно).
    1. Проверьте работу автомобиля на ходу.