Руководство по обслуживанию и ремонту Honda Jazz/Fit
2 поколения


Honda Jazz/Fit

  • Общая информация
  • Спецификация
  • График техобслуживания
  • Двигатель
  • Топливо и система снижения токсичности
  • Трансмиссия
  • Рулевое управление
  • Подвеска
  • Тормозная система
  • HVAC (Система отопителя, вентилятора, кондиционера)
  • Кузов
  • Средства безопасности
  • Поиск неисправностей DTC
  • Схемы электропроводки

  • Замена фильра рабочей жидкости (ATF)

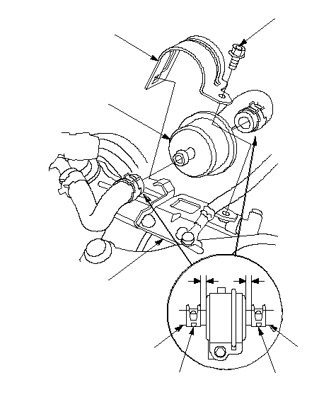
    Применимость для следующих годов выпуска и кузовов: 2009, GE6, GE8

    1. Отсоедините шланги (А) охладителя ATF от фильтра ATF (В).
    1. Снимите держатель фильтра рабочей жидкости АКП (С).
    1. Снимите фильтр ATF и замените его.
    1. Установите новый фильтр ATF на крепежный кронштейн фильтра (D) и закрепите его держателем и болтом.
    1. Сдвигайте шланги охладителя ATF на фильтр ATF, пока конец шланга не соприкоснется с корпусом фильтра, и закрепите шланг фиксатором (Е) на расстоянии 6-8 мм (F) от корпуса фильтра. Установите шланг охладителя на другую сторону фильтра ATF тем же способом.