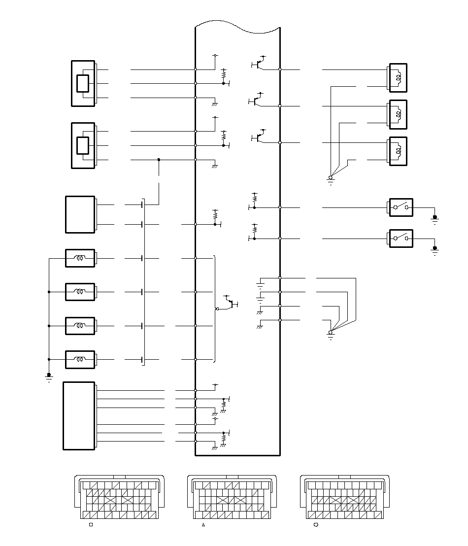
Электрическая схема системы АКП - система управления силовым агрегатом (РСМ) АКП
БАТАРЕЯ
КЛЕММ АККУМУЛЯТОРНОЙ БАТАРЕИ
ПРЕДОХРАНИТЕЛЕЙ
РЕЛЕ 1
PGM−FI
УПРАВЛЕНИЯ
МАСЛЕНКОЙ
ЦЕПЬ
СИСТЕМА
ИНДИКАТОРА
ПОЛОЖЕНИЯ
ПЕРЕДАЧ АКП
ЗАТЕМНЕНИЯ
АКП
F−CAN
МОДУЛЬ УПРАВЛЕНИЯ
СИЛОВЫМ АГРЕГАТОМ (РСМ)
КЛАПАН
МЕХАНИЗМА
БЛОКИРОВКИ
ПЕРЕКЛЮЧЕНИЯ
ПЕРЕДАЧ
ПОЛОЖЕНИЯ ПЕДАЛИ ТОРМОЗА
БЛОК УПРАВЛЕНИЯ (MICU)
ПЕРЕДАЧИ ДАННЫХ
(DLC)
НА СТАРТЕР
КЛАПАН А
УПРАВЛЕНИЯ
ДАВЛЕНИЕМ
БЛОКИРОВКИ
ГИДРОТРАНСФОРМАТОРА АКП
КЛАПАН В
УПРАВЛЕНИЯ
ДАВЛЕНИЕМ
БЛОКИРОВКИ
ГИДРОТРАНСФОРМАТОРА АКП
КЛАПАН С
УПРАВЛЕНИЯ
ДАВЛЕНИЕМ
БЛОКИРОВКИ
ГИДРОТРАНСФОРМАТОРА АКП
ЖИДКОСТИ ФРИКЦИОНА 2-ОЙ ПЕРЕДАЧИ
ЖИДКОСТИ ФРИКЦИОНА 3-ЕЙ ПЕРЕДАЧИ
СИЛОВЫМ АГРЕГАТОМ (РСМ)
ВРАЩЕНИЯ КОЛЕНЧАТОГО
ВАЛА
ВЕДУЩЕГО ВАЛА
(ВТОРИЧНОГО ВАЛА)
ТЕМПЕРАТУРЫ
РАБОЧЕЙ ЖИДКОСТИ
АКП
КЛАПАН А ПЕРЕКЛЮЧЕНИЯ ПЕРЕДАЧ
КЛАПАН В ПЕРЕКЛЮЧЕНИЯ ПЕРЕДАЧ
КЛАПАН С ПЕРЕКЛЮЧЕНИЯ ПЕРЕДАЧ
клапан включения D
ДАТЧИК
ПЕДАЛИ
АКСЕЛЕРАТОРА
БАТАРЕЯ
КЛЕММ АККУМУЛЯТОРНОЙ БАТАРЕИ
ПРЕДОХРАНИТЕЛЕЙ
PGM−FI
УПРАВЛЕНИЯ
МАСЛЕНКОЙ
ЦЕПЬ
СИСТЕМА
ИНДИКАТОРА
ПОЛОЖЕНИЯ
ПЕРЕДАЧ АКП
ЗАТЕМНЕНИЯ
АКП
F−CAN
КЛАПАН
МЕХАНИЗМА
БЛОКИРОВКИ
ПЕРЕКЛЮЧЕНИЯ
ПЕРЕДАЧ
ПОЛОЖЕНИЯ ПЕДАЛИ ТОРМОЗА
БЛОК УПРАВЛЕНИЯ (MICU)
ПЕРЕДАЧИ ДАННЫХ
(DLC)
РЕЖИМА
ПОСЛЕДОВАТЕЛЬНОГО
ПЕРЕКЛЮЧЕНИЯ
ПЕРЕДАЧ
СИЛОВЫМ АГРЕГАТОМ (РСМ)
НА СТАРТЕР
СИЛОВЫМ АГРЕГАТОМ (РСМ)
ВРАЩЕНИЯ КОЛЕНЧАТОГО
ВАЛА
ВРАЩЕНИЯ
ВЕДУЩЕГО ВАЛА
(ВТОРИЧНОГО ВАЛА)
ТЕМПЕРАТУРЫ
РАБОЧЕЙ ЖИДКОСТИ
АКП
КЛАПАН А ПЕРЕКЛЮЧЕНИЯ ПЕРЕДАЧ
КЛАПАН В ПЕРЕКЛЮЧЕНИЯ ПЕРЕДАЧ
КЛАПАН С ПЕРЕКЛЮЧЕНИЯ ПЕРЕДАЧ
клапан включения D
ДАТЧИК
ПЕДАЛИ
АКСЕЛЕРАТОРА
S UP
S DN
(ПЕРЕКЛЮЧАТЕЛЬ НА ПОВЫШЕННУЮ ПЕРЕДАЧУ)
(ПЕРЕКЛЮЧАТЕЛЬ НА ПОНИЖЕННУЮ ПЕРЕДАЧУ)
КЛАПАН А
УПРАВЛЕНИЯ
ДАВЛЕНИЕМ
БЛОКИРОВКИ
ГИДРОТРАНСФОРМАТОРА АКП
КЛАПАН В
УПРАВЛЕНИЯ
ДАВЛЕНИЕМ
БЛОКИРОВКИ
ГИДРОТРАНСФОРМАТОРА АКП
КЛАПАН С
УПРАВЛЕНИЯ
ДАВЛЕНИЕМ
БЛОКИРОВКИ
ГИДРОТРАНСФОРМАТОРА АКП
ЖИДКОСТИ ФРИКЦИОНА 2-ОЙ ПЕРЕДАЧИ
ЖИДКОСТИ ФРИКЦИОНА 3-ЕЙ ПЕРЕДАЧИ


