Руководство по обслуживанию и ремонту Honda Jazz/Fit
2 поколения


Honda Jazz/Fit

  • Общая информация
  • Спецификация
  • График техобслуживания
  • Двигатель
  • Топливо и система снижения токсичности
  • Трансмиссия
  • Рулевое управление
  • Подвеска
  • Тормозная система
  • HVAC (Система отопителя, вентилятора, кондиционера)
  • Кузов
  • Средства безопасности
  • Поиск неисправностей DTC
  • Схемы электропроводки

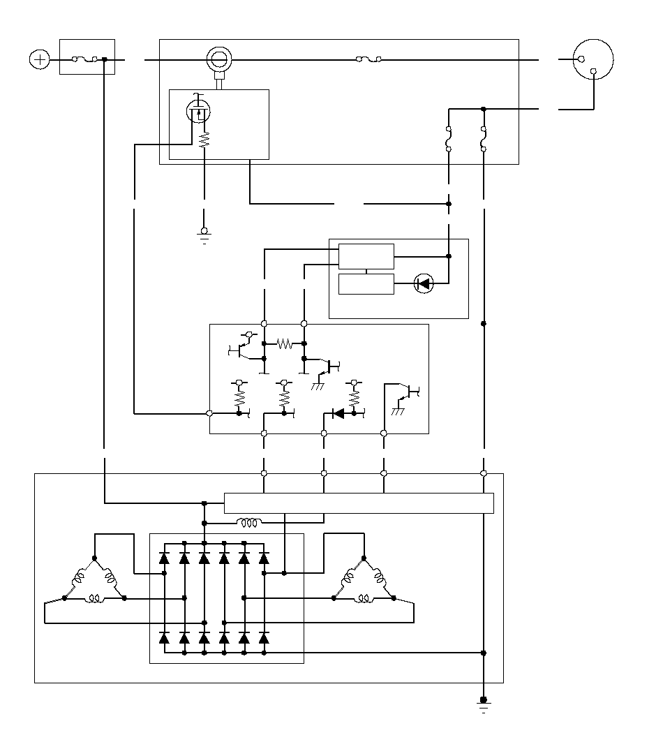
  • Электрическая схема системы зарядки аккумулятора

    Применимость для следующих годов выпуска и кузовов: 2009, GE6, GE8, GG1, GG2, GG3



    WHT/BLU

    WHT/GRN

    WHT/RED

    PNK

    № 1 (100 A)

    G501

    BLK

    B

    4

    3

    2

    РЕГУЛЯТОР НАПРЯЖЕНИЯ

    АККУМУЛЯТОРНАЯ
    БАТАРЕЯ

    (10 A)

    № 12

    ПРЕОБРАЗОВАТЕЛЬ

    ГЕНЕРАТОР

    BLK

    № 60 (50 A)

    BLK/YEL

    1

    CPU

    WHT

    RED

    A3

    A4

    B45

    B46

    B47

    Блок ECM/PCM

    МОДУЛЬ УПРАВЛЕНИЯ ПАНЕЛЬЮ ПРИБОРОВ

    A24

    ELD

    № 22

    (7,5 A)

    IG

    C

    L

    FR

    YEL

    5 В

    CANH

    CANL

    ALTF

    ALTL

    ALTC

    ELD

    YEL

    WHT

    ЗАМОК ЗАЖИГАНИЯ

    BAT

    IG1

    БЛОК РЕЛЕ/ПРЕДОХРАНИТЕЛЕЙ ПОД ПАНЕЛЬЮ ПРИБОРОВ

    LT BLU

    LT BLU

    LT BLU

    WHT

    T−9

    Y (ELD) 3

    Y (ELD) 2

    Y (ELD) 1

    T1

    W1

    Q8

    B17

    32

    СПЕЦИАЛЬНЫЙ
    КЛЮЧ

    30

    29

    2

    5

    БЛОК ПРЕДОХРАНИТЕЛЕЙ
    КЛЕММ АККУМУЛЯТОРНОЙ
    БАТАРЕИ

    ИНДИКАТОР СИСТЕМЫ
    ЗАРЯДКИ

    }