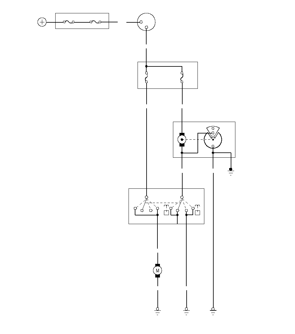
Электрическая схема цепи стеклоочистителя/омывателя заднего стекла - Без прерывистого режима стеклоочистителей
Применимость для следующих годов выпуска и кузовов: 2004, 2005, 2006, 2007, GD1, GD3, GD5, GE2, GE3, GE5
БАТАРЕЯ
ЗАЖИГАНИЯ
РЕЛЕ/ПРЕДОХРАНИТЕЛЕЙ
ПОД ПАНЕЛЬЮ ПРИБОРОВ
ЗАДНЕГО СТЕКЛА
ОЧИСТИТЕЛЯ/ОМЫВАТЕЛЯ
ЗАДНЕГО СТЕКЛА
СМЫВАТЕЛЯ
ЗАДНЕГО
СТЕКЛА


