Руководство по обслуживанию и ремонту Honda Jazz/Fit
1 поколения

Honda Jazz/Fit

  • Общая информация
  • Спецификация
  • График техобслуживания
  • Двигатель
  • Топливо и система снижения токсичности
  • Трансмиссия
  • Рулевое управление
  • Подвеска
  • Тормозная система
  • HVAC (Система отопителя, вентилятора, кондиционера)
  • Кузов
  • Средства безопасности
  • Поиск неисправностей DTC
  • Схемы электропроводки

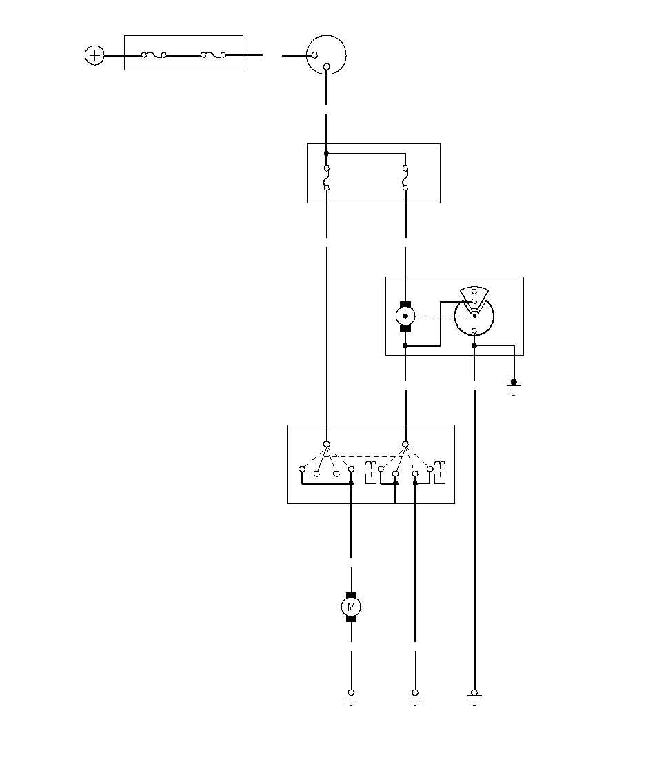
  • Электрическая схема цепи стеклоочистителя/омывателя заднего стекла - Без прерывистого режима стеклоочистителей

    Применимость для следующих годов выпуска и кузовов: 2002, 2003, GD1, GD3, GD5



    :

    G501

    G502

    :

    (10A)

    № 21

    : Тип ПРК кроме КЕ

    [ ]

    № 3 (50A)

    № 10

    (20A)

    ПОД ПАНЕЛЬЮ ПРИБОРОВ

    РЕЛЕ/ПРЕДОХРАНИТЕЛЕЙ

    БЛОК

    3

    2

    ЗАДНЕЕ СТЕКЛО

    ЭЛЕКТРОДВИГАТЕЛЬ СТЕКЛООЧИСТИТЕЛЯ

    1

    ЗАДНИЙ

    ОКНО

    ШАЙБА

    ДВИГАТЕЛЬ

    BLK

    G201

    BLK

    ЗАДНЕЕ СТЕКЛО

    СТЕКЛООЧИСТИТЕЛЬ/ОМЫВАТЕЛЬ

    ВЫКЛЮЧАТЕЛЬ

    WHT/RED

    3 [4]

    2 [5]

    1 [6]

    7 [14]

    OFF

    ON

    BLK

    LT GRN

    GRN

    BAT

    IG1

    ЗАЖИГАНИЕ

    ВЫКЛЮЧАТЕЛЬ

    БЛОК РЕЛЕ/ПРЕДОХРАНИТЕЛЕЙ МОТОРНОГО ОТСЕКА

    АККУМУЛЯТОРНАЯ БАТАРЕЯ

    № 1 (80A)

    G401

    GRN/BLK

    BLK/YEL

    WHT

    ЛРК

    ПРК

    }