Руководство по обслуживанию и ремонту Honda Jazz/Fit
1 поколения

Honda Jazz/Fit

  • Общая информация
  • Спецификация
  • График техобслуживания
  • Двигатель
  • Топливо и система снижения токсичности
  • Трансмиссия
  • Рулевое управление
  • Подвеска
  • Тормозная система
  • HVAC (Система отопителя, вентилятора, кондиционера)
  • Кузов
  • Средства безопасности
  • Поиск неисправностей DTC
  • Схемы электропроводки

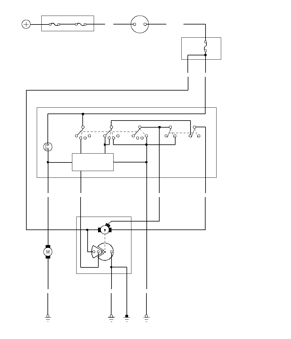
  • Электрическая схема цепи омывателя/стеклоочистителя ветрового стекла

    Применимость для следующих годов выпуска и кузовов: 2002, 2003, GD1, GD3, GD5



    :

    G301

    G201

    :

    [ ] : Тип ПРК кроме КЕ

    GRN/BLK

    БЛОК

    (20A)

    № 10

    BLU/WHT

    ЭЛЕКТРИЧЕСКАЯ ЦЕПЬ

    БЛОК УПРАВЛЕНИЯ
    СТЕКЛООЧИСТИТЕЛЕМ

    ПРЕРЫВИСТЫЙ

    ВЫКЛЮЧАТЕЛЬ СТЕКЛООЧИСТИТЕЛЯ/ОМЫВАТЕЛЯ ВЕТРОВОГО СТЕКЛА

    INT

    № 1 (80A)

    № 3 (50A)

    2

    1

    As

    BLU/YEL

    BLU

    11 [10]

    ТУМАН

    РЕЛЕ/ПРЕДОХРАНИТЕЛЕЙ

    GRN/BLK

    G401

    5

    5

    1

    4

    2

    ПОД ПАНЕЛЬЮ ПРИБОРОВ

    ЗАМОК ЗАЖИГАНИЯ

    БЛОК РЕЛЕ/ПРЕДОХРАНИТЕЛЕЙ МОТОРНОГО ОТСЕКА

    АККУМУЛЯТОРНАЯ
    БАТАРЕЯ

    ЭЛЕКТРОПРИВОД СТЕКЛООЧИСТИТЕЛЯ
    ВЕТРОВОГО СТЕКЛА

    LO

    HI

    14 [7]

    G201

    BLK

    ДВИГАТЕЛЬ

    ШАЙБА

    ВЕТРОВОЕ СТЕКЛО

    BLK

    BLK

    5 [2]

    4 [3]

    12 [9]

    6 [1]

    LO

    HI

    WHT/BLK

    ВЫКЛЮЧАТЕЛЬ

    ШАЙБА

    OFF

    INT

    ТУМАН

    BLK/YEL

    IG1

    BAT

    WHT

    ЛРК

    ПРК

    }