Руководство по обслуживанию и ремонту Honda Jazz/Fit
1 поколения

Honda Jazz/Fit

  • Общая информация
  • Спецификация
  • График техобслуживания
  • Двигатель
  • Топливо и система снижения токсичности
  • Трансмиссия
  • Рулевое управление
  • Подвеска
  • Тормозная система
  • HVAC (Система отопителя, вентилятора, кондиционера)
  • Кузов
  • Средства безопасности
  • Поиск неисправностей DTC
  • Схемы электропроводки

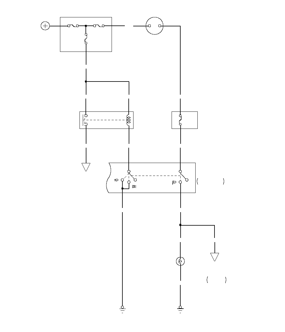
  • Электрическая схема цепи заднего противотуманного фонаря

    Применимость для следующих годов выпуска и кузовов: 2002, 2003, GD1, GD3, GD5

    Модели KE, KG, KR


    : ЛРК

    G501

    G502

    : ПРК

    блок

    СВЕТ

    ИНДИКАТОР

    СВЕТ

    В приборах

    ЗАДНИЙ ПРОТИВОТУМАННЫЙ

    WHT

    WHT

    WHT

    1

    2

    (21Вт)

    BLK

    G401

    БЛОК

    № 5

    (10A)

    ВЫКЛЮЧАТЕЛЬ ОГНЕЙ

    датчик освещения

    В комбинации

    ОСВЕЩЕНИЕ

    ГОСУДАРСТВЕННЫЙ НОМЕРНОЙ ЗНАК

    ЗАДНИЕ ГАБАРИТНЫЕ ФОНАРИ

    PARKING LIGHTS (Стояночные фонари)

    ПОДСВЕТКА ПАНЕЛИ УПРАВЛЕНИЯ

    RED/BLK

    RED/BLK

    RED/BLK

    RED/BLK

    (10A)

    № 9

    ПОД ПАНЕЛЬЮ ПРИБОРОВ

    РЕЛЕ/ПРЕДОХРАНИТЕЛЕЙ

    BLK/YEL

    ЗАМОК ЗАЖИГАНИЯ

    БЛОК РЕЛЕ/ПРЕДОХРАНИТЕЛЕЙ МОТОРНОГО ОТСЕКА

    АККУМУЛЯТОРНАЯ БАТАРЕЯ

    WHT

    № 1 (80A)

    BAT

    IG1

    № 3 (50A)

    (

    OFF

    16

    12

    13

    15

    OFF

    ЗАДНИЙ ПРОТИВОТУМАННЫЙ

    (

    BLU

    YEL

    ЗАДНИЕ ГАБАРИТНЫЕ ФОНАРИ

    РЕЛЕ

    BLK

    ЗАДНИЙ

    ТУМАН

    СВЕТ

    ·

    ·

    ·

    ·

    (

    )

    )

    )

    }