Руководство по обслуживанию и ремонту Honda Jazz/Fit
1 поколения

Honda Jazz/Fit

  • Общая информация
  • Спецификация
  • График техобслуживания
  • Двигатель
  • Топливо и система снижения токсичности
  • Трансмиссия
  • Рулевое управление
  • Подвеска
  • Тормозная система
  • HVAC (Система отопителя, вентилятора, кондиционера)
  • Кузов
  • Средства безопасности
  • Поиск неисправностей DTC
  • Схемы электропроводки

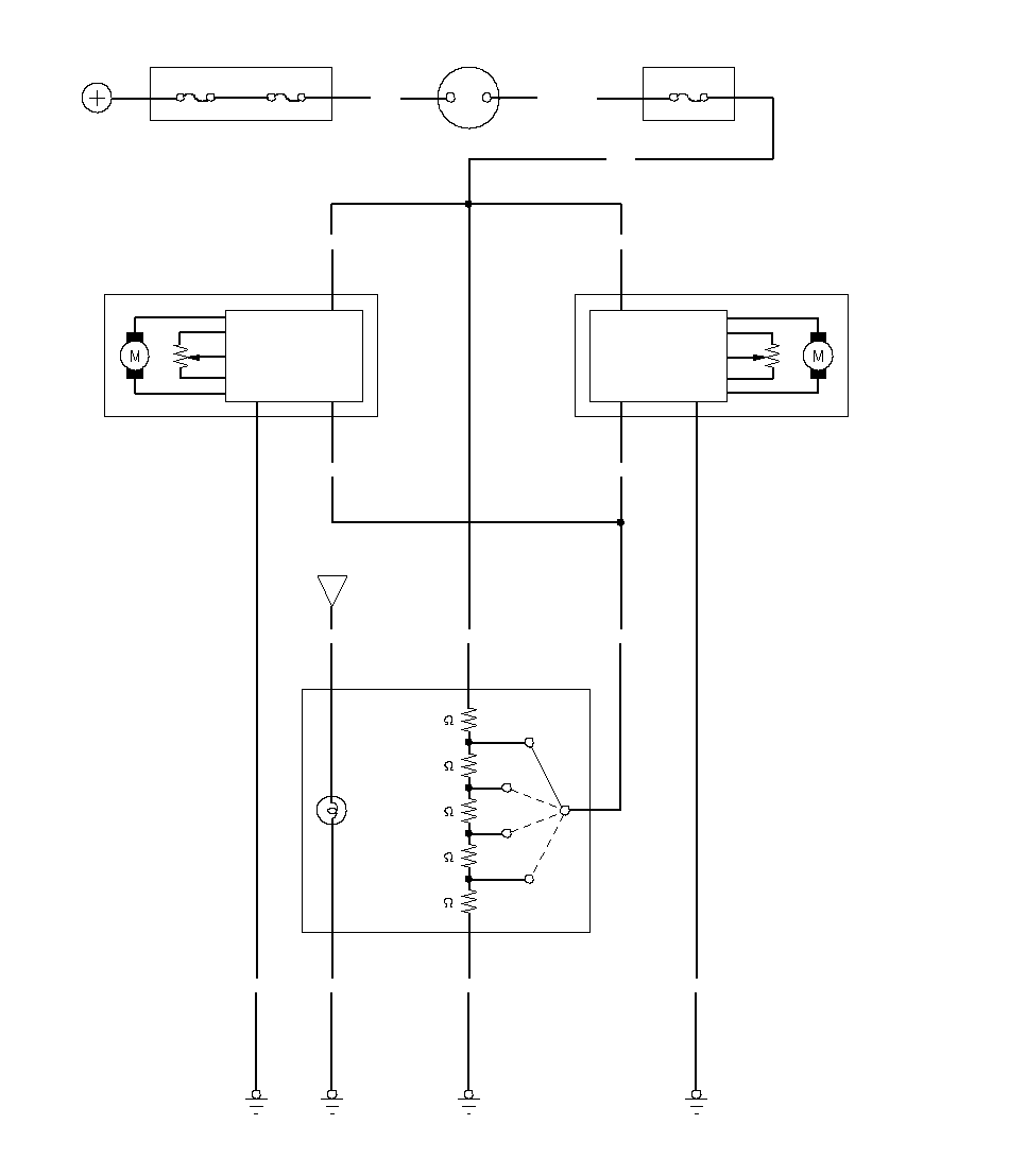
  • Схема электрической цепи регулятора положения фар

    Применимость для следующих годов выпуска и кузовов: 2002, 2003, GD1, GD3, GD5

    Модели KE, KG, KR


    732

    698

    196

    402

    BLK

    G401

    № 3 (50A)

    ЗАДНИЕ ГАБАРИТНЫЕ ФОНАРИ

    РЕЛЕ

    5

    4

    RED/BLK

    (0,84 Вт)

    СВЕТ

    2670

    G201

    G401

    1

    РЕГУЛИРУЮЩЕЕ УСТРОЙСТВО

    2

    3

    3

    2

    1

    2

    3

    1

    ВЫКЛЮЧАТЕЛЬ

    HEADLIGHT (Фары)

    3

    2

    1

    0

    YEL

    BLU/BLK

    BLK

    BLK

    BLK

    G301

    BLU/BLK

    БЛОК УПРАВЛЕНИЯ РЕГУЛЯТОРОМ
    НАПРАВЛЕНИЯ СВЕТА ЛЕВОЙ ФАРЫ

    ЭЛЕКТРИЧЕСКАЯ ЦЕПЬ

    Режим DRIVE

    ДВИГАТЕЛЬ

    РЕГУЛИРУЮЩЕЕ
    УСТРОЙСТВО

    HEADLIGHT (Фары)

    BLU/BLK

    БЛОК УПРАВЛЕНИЯ РЕГУЛЯТОРОМ НАПРАВЛЕНИЯ СВЕТА ПРАВОЙ ФАРЫ

    HEADLIGHT (Фары)

    РЕГУЛИРУЮЩЕЕ
    УСТРОЙСТВО

    ДВИГАТЕЛЬ

    Режим DRIVE

    ЭЛЕКТРИЧЕСКАЯ ЦЕПЬ

    YEL

    YEL

    YEL

    IG1

    BAT

    № 1 (80A)

    WHT

    АККУМУЛЯТОРНАЯ
    БАТАРЕЯ

    БЛОК РЕЛЕ/ПРЕДОХРАНИТЕЛЕЙ
    МОТОРНОГО ОТСЕКА

    ЗАМОК ЗАЖИГАНИЯ

    BLK/YEL

    № 16 (7,5A)

    БЛОК ПРЕДОХРАНИТЕЛЕЙ/РЕЛЕ

    ПОД ПАНЕЛЬЮ ПРИБОРОВ

    }