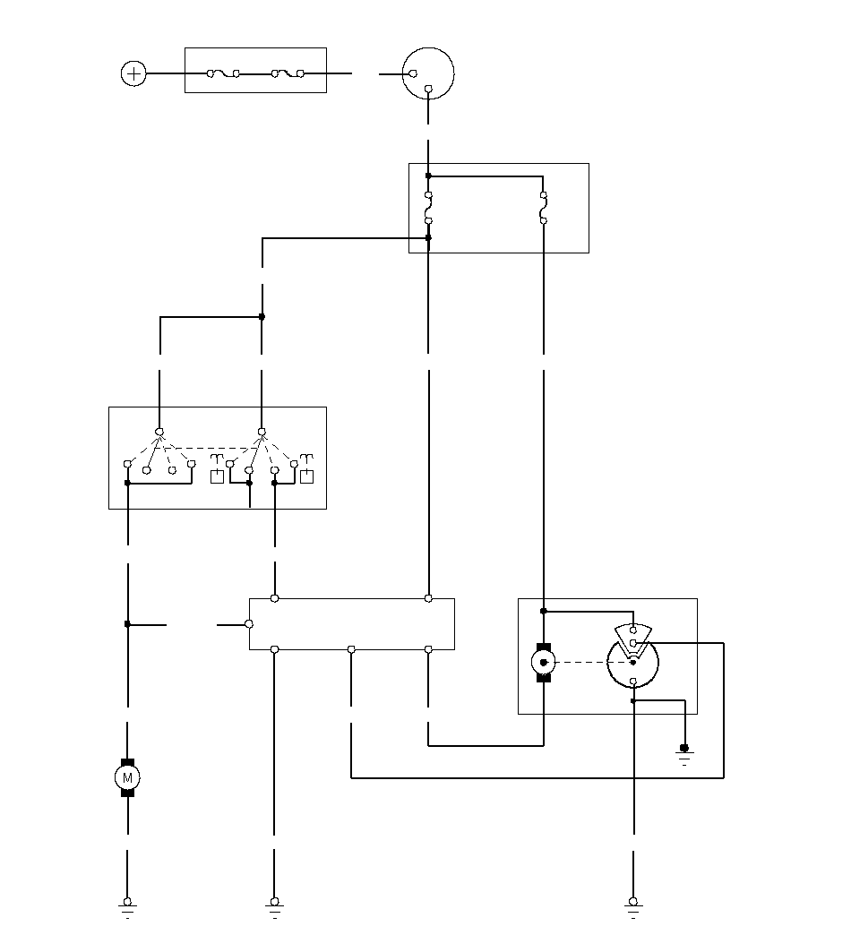
Электрическая схема цепи стеклоочистителя/смывателя заднего стекла
Применимость для следующих годов выпуска и кузовов: 2006, 2007, GD1, GD3, GD5, GE2, GE3, GE5
РЕЛЕ/ПРЕДОХРАНИТЕЛЕЙ
ПОД ПАНЕЛЬЮ ПРИБОРОВ
ОЧИСТИТЕЛЯ
/
ОМЫВАТЕЛЯ
ЗАДНЕГО СТЕКЛА
СМЫВАТЕЛЯ
ЗАДНЕГО
СТЕКЛА
ПРЕРЫВИСТЫМ РЕЖИМОМ
ЗАДНЕГО СТЕКЛООЧИСТИТЕЛЯ


