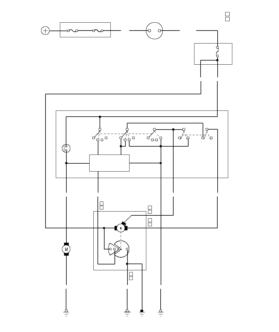
Электрическая схема цепи омывателя/стеклоочистителя ветрового стекла
МОТОРНОГО ОТСЕКА
БАТАРЕЯ
РЕЛЕ/ПРЕДОХРАНИТЕЛЕЙ
ПОД ПАНЕЛЬЮ ПРИБОРОВ
ОМЫВАТЕЛЯ
ПРЕРЫВИСТЫМ РЕЖИМОМ
СТЕКЛООЧИСТИТЕЛЯ
СТЕКЛООЧИСТИТЕЛЯ
ВЕТРОВОГО СТЕКЛА
ОМЫВАТЕЛЯ
ВЕТРОВОГО
СТЕКЛА


