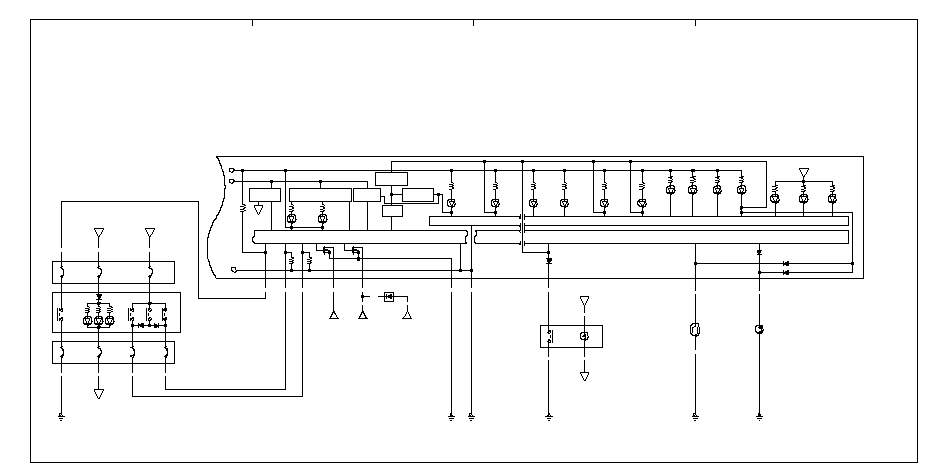
Схема электропроводки
СИСТЕМЫ VSA (5−С)
ВЫКЛЮЧАТЕЛЯ РАДИО (13−А)
ГОЛОСОВОГО УПРАВЛЕНИЯ (14−В)
УПРАВЛЕНИЯ СИСТЕМЫ HFT (14−D)
SELECT/RESET/INFORMATION (4−C)
ИНДИКАТОР
(LED)
СИСТЕМЫ
ЗАРЯДКИ
(LED)
НИЗКОГО
ДАВЛЕНИЯ
МАСЛА
(LED)
РЕМНЯ
БЕЗОПАСНОСТИ
ИНДИКАТОР
(LED)
ТОРМОЗНОЙ
СИСТЕМЫ
(LED)
ВКЛЮЧЕНИЯ
СВЕТА
ФОНАРЕЙ (5−A)
ПЕРЕДНИХ
ПРОТИВОТУМАННЫХ
ФОНАРЕЙ
(LED)
ЗАДНИХ
ПРОТИВОТУМАННЫХ
ФОНАРЕЙ
(LED)
ТОРМОЗНОЙ ЖИДКОСТИ
(Замкнут:
поплавок в нижнем положении)
(Открыт:
поплавок в верхнем положении)
СТОЯНОЧНОГО
ТОРМОЗА
(замкнут :
рычаг поднят)
СИГНАЛИЗАЦИИ (7−В)
(13−A)
(13−D)
ОСВЕЩЕНИЕ
(7−B)
ВКЛЮЧЕНИЯ
VSA
(LED)
(LED)
VSA
(LED)
ОХРАННОЙ
СИГНАЛИЗАЦИИ
(LED)
НИЗКОГО
УРОВНЯ
ТОПЛИВА
(LED)
EPS
ВЫКЛЮЧЕННОЙ
СИСТЕМЫ VSA
КРУИЗ-КОНТРОЛЯ
ВКЛЮЧЕННОГО
ОСВЕЩЕНИЯ
(5−D)
СВЕТА/
ПРОТИВОТУМАННЫХ
ФОНАРЕЙ
ИНДИКАТОР
СИСТЕМЫ
КРУИЗ-
КОНТРОЛЯ
(LED)
ПОДСВЕТКИ
ПАНЕЛИ
УПРАВЛЕНИЯ
ПРИНУДИТЕЛЬНОГО
ВКЛЮЧЕНИЯ
ЦЕПЬ
ПРИНУДИТЕЛЬНОГО
ВЫКЛЮЧЕНИЯ
ИНДИКАТОР
НЕИСПРАВНОСТИ
(MIL)
(LED)
SET/RESUME/CANCEL
ОСНОВНОГО ВЫКЛЮЧАТЕЛЯ
КРУИЗ-КОНТРОЛЯ (5−A)
ИНДИКАТОР
СИСТЕМЫ
КРУИЗ-
КОНТРОЛЯ
(LED)
(ЦЕПЬ ЗВУКОВОГО СИГНАЛА)
(10−C)
CONTROL
MAIN
(Основной
выключатель
круиз-
контроля)
SET
ПРОВОДА
ACCEL
CEL
ВЫКЛЮЧАТЕЛЬ
КРУИЗ-
КОНТРОЛЯ
ПОДСВЕТКИ
ПАНЕЛИ УПРАВЛЕНИЯ
(5−B)
ПРОВОДА
№ 14
(7,5 A) (2−D)
№ 14
(7,5 A) (2−D)
ПОДСВЕТКИ
ПАНЕЛИ УПРАВЛЕНИЯ
(5−B)
ВЫКЛЮЧАТЕЛЯ
РЕГУЛЯТОРА
НАПРАВЛЕНИЯ
СВЕТА ФАР
(6−С)
(12−A)


