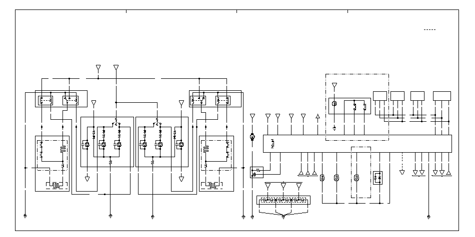
Схема электропроводки
УРОВЕНЬ
(LED)
ОБОГРЕВАТЕЛЯ
СИДЕНИЯ
ВОДИТЕЛЯ
(LED)
(LED)
ПОДСВЕТКИ
ПАНЕЛИ УПРАВЛЕНИЯ
(5−B)
ОБОГРЕВАТЕЛЯ
СИДЕНИЙ
(МИН.)
ОБОГРЕВАТЕЛЯ
СИДЕНИЙ
(МАКС.)
(LED)
(LED)
(LED)
ОБОГРЕВАТЕЛЯ
СИДЕНЬЯ
ПЕРЕДНЕГО ПАССАЖИРА
ОБОГРЕВАТЕЛЯ
СИДЕНИЙ
(МАКС.)
ОБОГРЕВАТЕЛЯ
СИДЕНИЙ
(МИН.)
ОБОГРЕВАТЕЛЯ
СИДЕНЬЯ
ПЕРЕДНЕГО
ПАССАЖИРА
ОБОГРЕВАТЕЛЯ СИДЕНЬЯ
ВОДИТЕЛЯ
№ 14
(7,5 A) (2−D)
№ 14
(7,5 A) (2−D)
№ 36
(10−В)
ПРЕДОХРАНИТЕЛЬ
№ 5 (20 A) (2−С)
ВЕНТИЛЯТОРА
ОТОПИТЕЛЯ
ПИТАНИЯ
ВЫКЛЮЧАТЕЛЬ
ОБОГРЕВАТЕЛЯ ЗАДНЕГО СТЕКЛА/
ОБОГРЕВАТЕЛЯ ЭЛЕКТРОЗЕРКАЛ
MICU
(10−D)
СИСТЕМЫ НАВИГАЦИИ (14−C)
(1,4 Вт)
№ 1
(7,5 A) (2−В)
УПРАВЛЕНИЯ
СМЕСИТЕЛЕМ
ВОЗДУХА СО
СТОРОНЫ ВОДИТЕЛЯ
УПРАВЛЕНИЯ
ЭЛЕКТРОДВИГАТЕЛЕМ
УПРАВЛЕНИЯ
РЕЦИРКУЛЯЦИЕЙ
УПРАВЛЕНИЯ
СМЕСИТЕЛЕМ
ВОЗДУХА СО
СТОРОНЫ ПАССАЖИРА
УПРАВЛЕНИЯ ТЕМПЕРАТУРЫ
СО СТОРОНЫ ПАССАЖИРА
(13−D)
ЯРКОСТИ
ПОДСВЕТКИ
ПАНЕЛИ
УПРАВЛЕНИЯ
(5−B)
№ 14
(7,5 A) (2−D)
СОЛНЕЧНОГО
СВЕТА
ТЕМПЕРАТУРЫ
ИСПАРИТЕЛЯ
ТЕМПЕРАТУРЫ
НАРУЖНОГО
ВОЗДУХА
ТЕМПЕРАТУРЫ
В САЛОНЕ
ЭЛЕКТРОПРИВОДА
ВЕНТИЛЯТОРА
САЛОНА
(1−D)
№ 36
(10−В)
ОБОГРЕВАТЕЛЯ
ЗАДНЕГО СТЕКЛА
(1−D)
ПОДСВЕТКИ
ПАНЕЛИ УПРАВЛЕНИЯ
(5−B)
ОБОГРЕВАТЕЛЯ
ЭЛЕКТРОЗЕРКАЛ
(8−А)
ПРИБОРАМИ (ТАХОМЕТР)
(4−B)
ДИСТАНЦИОННОГО УПРАВЛЕНИЯ
(8−А)
ВКЛЮЧЕНИЯ СВЕТА/
ДАТЧИК ДОЖДЯ (6−D)
УПРАВЛЕНИЯ HANDS−
FREE
(14−С)
(1−A)
ОТОПИТЕЛЯ
PCT


