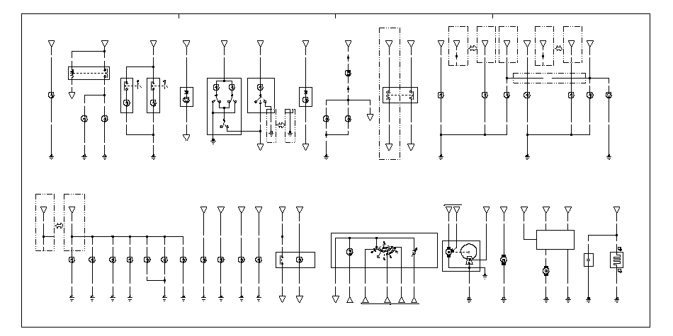
Схема электропроводки
№ 15
(7,5 A) (2−D)
ВКЛЮЧЕНИЯ
ОСВЕЩЕНИЯ В
ДНЕВНОЕ ВРЕМЯ
(10−C)
ПЕРЕДНИЙ
ГАБАРИТНЫЙ
ФОНАРЬ
(5 Вт)
ПЕРЕДНИЙ
ГАБАРИТНЫЙ
ФОНАРЬ
(5 Вт)
ЗАДНИЙ
ГАБАРИТНЫЙ
ФОНАРЬ
(ФОНАРЬ
В КРЫШКЕ
БАГАЖНИКА)
(5 Вт)
ЗАДНИЙ
ГАБАРИТНЫЙ
ФОНАРЬ
(ФОНАРЬ
В КРЫШКЕ
БАГАЖНИКА)
(5 Вт)
ОСВЕЩЕНИЯ
ГОСУДАРСТВЕННОГО
НОМЕРНОГО
ЗНАКА
(5 Вт х 2)
БОКОВОЙ
УКАЗАТЕЛЬ
ПОВОРОТА
(5 Вт)
(10−C)
ПЕРЕДНИЙ
УКАЗАТЕЛЬ
ПОВОРОТА
(21 Вт)
(10−C)
БОКОВОЙ
УКАЗАТЕЛЬ
ПОВОРОТА
(5 Вт)
ПЕРЕДНИЙ
УКАЗАТЕЛЬ
ПОВОРОТА
(21 Вт)
(0,56 Вт)
№ 16 (15 A)
(1−С)
№ 14
(7,5 A) (2−D)
(10−B)
ПОДСВЕТКИ
ПАНЕЛИ УПРАВЛЕНИЯ
(5−B)
АВАРИЙНОЙ
СИГНАЛИЗАЦИИ
ОМЫВАТЕЛЯ
ПАУЗЫ
ПРЕРЫВИСТОГО РЕЖИМА СТЕКЛООЧИСТИТЕЛЯ
(10−B)
(10−B)
ВЕТРОВОГО СТЕКЛА
ОМЫВАТЕЛЯ
ВЕТРОВОГО СТЕКЛА
ЗАДНЕГО СТЕКЛА
(1−D)
ШУМА
ЗАДНЕГО
СТЕКЛА
ОМЫВАТЕЛЯ
ФАР
СТЕКЛООЧИСТИТЕЛЯ/ОМЫВАТЕЛЯ
ВЕТРОВОГО СТЕКЛА (7−C)
ОЧИСТКИ
ФАР
H/L
(10−B)
ОЧИСТКИ
ФАР
(7−D)
ПРЕДОХРАНИТЕЛЬ
№16 (15 A) (С HID)
№ 16 (10 A) (Без HID) (2−D)
ПРЕДОХРАНИТЕЛЬ
№ 31 (30 A) (2−С)
(10−C)
(10−C)
ЗАДНИЙ
ГАБАРИТНЫЙ
ФОНАРЬ
(ВНУТРЕННИЙ
ЗАДНИЙ
ГАБАРИТНЫЙ
ФОНАРЬ)
(5 Вт)
ЗАДНИЙ
ГАБАРИТНЫЙ
ФОНАРЬ
(ВНУТРЕННИЙ
ЗАДНИЙ
ГАБАРИТНЫЙ
ФОНАРЬ)
(5 Вт)
МЕСТНОГО
ОСВЕЩЕНИЯ
ПРОТИВОТУМАННЫЕ
ФОНАРИ
(21 Вт)
ПРЕДОХРАНИТЕЛЬ
№ 17 (7,5 A) (4−В)
(10−D)
ПЕРЕДНЯЯ
ПРОТИВОТУМАННАЯ
ФАРА
(55 Вт)
ПЕРЕДНЯЯ
ПРОТИВОТУМАННАЯ
ФАРА
(55 Вт)
ПРЕДОХРАНИТЕЛЬ
№ 6 (20 A) (2−С)
(10−D)
ПЕРЕДНЕЙ
ПРОТИВОТУМАННОЙ
ФАРЫ
ТУАЛЕТНЫХ
ЗЕРКАЛ
СО СТОРОНЫ
ВОДИТЕЛЯ
(2 Вт)
ТУАЛЕТНОГО
ЗЕРКАЛА
СО СТОРОНЫ
ПАССАЖИРА
(2 Вт)
№ 14
(7,5 A) (2−D)
ОСВЕЩЕНИЕ
(LED)
ПОДСВЕТКИ
ПАНЕЛИ УПРАВЛЕНИЯ
(5−B)
ПРЕДОХРАНИТЕЛЬ
№ 17 (7,5 A) (4−В)
ПЛАФОН
ПРЕДОХРАНИТЕЛЬ
№ 17 (7,5 A) (4−В)
(10−B)
ПРЕДОХРАНИТЕЛЬ
№ 17 (7,5 A) (4−В)
(10−B)
БАГАЖНОГО
ОТДЕЛЕНИЯ
(5 Вт)
№ 10
(7,5 A) (2−В)
ФОНАРЬ
ЗАДНЕГО ХОДА
(18 Вт)
ФОНАРЬ
ЗАДНЕГО ХОДА
(18 Вт)
НАВИГАЦИИ (14−B)
ВКЛЮЧЕНИЯ
ЗАДНЕГО ХОДА
(Закрыт :
положение R)
№ 3
(2−В)
ПРЕДОХРАНИТЕЛЬ
№ 21 (15 A) (1−А)
(3−B)
ВЫКЛЮЧАТЕЛЬ
ПЕДАЛИ
ТОРМОЗА
(замкнут:
Педаль нажата)
(7−D)
(10−C)
№ 15
(7,5 A) (2−D)
ПОЛОЖЕНИЯ
ПЕДАЛИ
ТОРМОЗА
(7−C)
ВКЛЮЧЕНИЯ
ОСВЕЩЕНИЯ В ДНЕВНОЕ ВРЕМЯ
(10−C)
ЗАДНИЙ
УКАЗАТЕЛЬ
ПОВОРОТА
(21 Вт)
ЗАДНИЙ
ГАБАРИТНЫЙ ФОНАРЬ
(5 Вт)
ВКЛЮЧЕНИЯ
ОСВЕЩЕНИЯ В ДНЕВНОЕ ВРЕМЯ
(10−C)
№ 15
(7,5 A) (2−D)
(10−C)
ПОЛОЖЕНИЯ
ПЕДАЛИ
ТОРМОЗА
(7−C)
ЗАДНИЙ
УКАЗАТЕЛЬ
ПОВОРОТА
(21 Вт)
ЗАДНИЙ
ГАБАРИТНЫЙ ФОНАРЬ
(5 Вт)
СТОП
СИГНАЛ
(21 W)
СТОП
СИГНАЛ
(21 W)
ВЕРХНИЕ
СТОП
СИГНАЛЫ
(LED)


