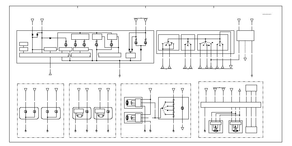
Схема электропроводки
СЕТЬ H/L
УРОВЕНЬ
УРОВЕНЬ
ФАРА
ФАРА
ПРЕДОХРАНИТЕЛЬ
№ 17 (10 A) (2−D)
ПРЕДОХРАНИТЕЛЬ
№ 13 (10 A) (2−D)
ПРЕДОХРАНИТЕЛЬ
№ 16 (10 A) (2−D)
ПРЕДОХРАНИТЕЛЬ
№ 12 (10 A) (2−D)
ПРЕДОХРАНИТЕЛЬ
№ 12 (10 A) (2−D)
ПРЕДОХРАНИТЕЛЬ
№ 16 (15 A) (2−D)
ПРЕДОХРАНИТЕЛЬ
№ 13 (10 A) (2−D)
ПРЕДОХРАНИТЕЛЬ
№ 17 (15 A) (2−D)
ФАРА
ФАРА
РЕГУЛЯТОРА НАПРАВЛЕНИЯ
СВЕТА ПРАВОЙ ФАРЫ
ЦЕПЬ
ЦЕПЬ
РЕГУЛЯТОРА НАПРАВЛЕНИЯ
СВЕТА ЛЕВОЙ ФАРЫ
№ 1
(7,5 A) (2−В)
№ 14
(7,5 A) (2−D)
№ 1
(7,5 A) (2−В)
РЕГУЛЯТОРА
НАПРАВЛЕНИЯ СВЕТА ФАР
(LED)
ПОДСВЕТКИ
ПАНЕЛИ УПРАВЛЕНИЯ
(5−B)
№ 1
(7,5 A) (2−В)
(13−A)
ПЕРЕДАЧИ
ДАННЫХ
(3−D)
РЕГУЛЯТОРА
НАПРАВЛЕНИЯ
СВЕТА ФАР
РЕГУЛЯТОРА НАПРАВЛЕНИЯ
СВЕТА ПРАВОЙ ФАРЫ
РЕГУЛЯТОРА НАПРАВЛЕНИЯ
СВЕТА ЛЕВОЙ ФАРЫ
РЕГУЛЯТОРА
НАПРАВЛЕНИЯ
СВЕТА ФАР
НАВИГАЦИИ (14−B)
ПРОТИВОТУМАННЫХ ФОНАРЕЙ
ЦЕПЬ
ЦЕПЬ
ИНДИКАТОРА
СИГНАЛА ПОВОРОТА
СИГНАЛ
ОБГОНА
СВЕТА ФАР
СХЕМА ЗАТЕМНЕНИЯ
ДЛЯ ИНДИКАТОРА
СВЕТОВОЙ
ИНДИКАТОР
(LEDx3)
СВЕТОВОЙ
ИНДИКАТОР
(LEDx3)
LCD
АВАРИЙНЫЙ
СИГНАЛ
(LED)
№ 16 (15 A)
(1−С)
10 В
ПРИБОРАМИ (ТАХОМЕТР)
(4−B)
АВАРИЙНОЙ СИГНАЛИЗАЦИИ
(ЗВУКОВОЙ ОПОВЕЩАТЕЛЬ)
СИГНАЛА
ПРАВОГО
ПОВОРОТА
(LED)
СИГНАЛА
ЛЕВОГО
ПОВОРОТА
(LED)
ПОДСВЕТКОЙ и
СХЕМА ЗАТЕМНЕНИЯ
ДЛЯ ЖИДКОКРИСТАЛЛИЧЕСКОГО
ДИСПЛЕЯ (DIAL)
ПОДСВЕТКОЙ и
СХЕМА ЗАТЕМНЕНИЯ
ДЛЯ ЖИДКОКРИСТАЛЛИЧЕСКОГО
ДИСПЛЕЯ (SP)
№ 10
(7,5 A) (2−В)
№ 1
(7,5 A) (2−В)
ПРЕДОХРАНИТЕЛЬ
№ 17 (7,5 A) (4−В)
ДОЖДЯ/
АВТОМАТИЧЕСКОГО
ВКЛЮЧЕНИЯ СВЕТА
ЗАДНИЙ
ПРОТИВОТУМАННЫЙ
ПРОТИВОТУМАННЫЙ
ПРОТИВОТУМАННЫЙ
ПРИБОРАМИ (ТАХОМЕТР) (4−B)
ДИСТАНЦИОННОГО
УПРАВЛЕНИЯ (8−А)
КЛИМАТ-КОНТРОЛЕМ (9−D)
СИСТЕМОЙ HANDS
FREE (14−С)


