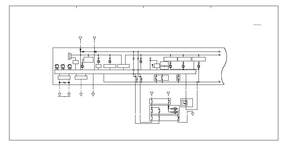
Схема электропроводки
ИММОБИЛАЙЗЕРА
ДИСТАНЦИОННОГО УПРАВЛЕНИЯ
(8−А)
УПРАВЛЕНИЯ
5 В
5 В
ДИСПЛЕЙ
(LED)
ИММОБИЛАЙЗЕРА
ПОДСВЕТКОЙ И ЗАТЕМНЕНИЕМ
ДЛЯ УКАЗАТЕЛЯ (БЕЛЫЙ)
ПОДСВЕТКОЙ И ЗАТЕМНЕНИЕМ
ДЛЯ УКАЗАТЕЛЯ (БЕЛЫЙ)
ПОДСВЕТКОЙ И ЗАТЕМНЕНИЕМ
ДЛЯ LCD (БЕЛЫЙ)
БЛОК
ИЗМЕРИТЕЛЯ
УРОВНЯ ТОПЛИВА
ТОПЛИВНОГО
БАКА
СМЕНЫ
ЕДИНИЦ
миль/ч -
км/ч
ЯРКОСТИ
ПОДСВЕТКИ
ПАНЕЛИ
УПРАВЛЕНИЯ
(−)
(+)
(12−A)
№ 14 (7,5 A) (2−D)
ДАТЧИК
SELECT/
RESET
ПРОВОДА
ПРОВОДА
ПОДСВЕТКИ
ПАНЕЛИ УПРАВЛЕНИЯ
(5−B)
ВЫБОР/СБРОС/
ИНФОРМАЦИЯ
10 В
ЦЕПЬ
ЗАТЕМНЕНИЯ
О СТОЯНОЧНОМ
ТОРМОЗЕ
О РЕМНЯХ
БЕЗОПАСНОСТИ
О КЛЮЧЕ ЗАЖИГАНИЯ
F−CAN
В−CAN
(LED)
ДАЛЬНЕГО
СВЕТА
О ВКЛЮЧЕННОМ
ОСВЕЩЕНИИ
ПОДСВЕТКОЙ и
СХЕМА ЗАТЕМНЕНИЯ
ДЛЯ ЖИДК
ОКРИСТАЛЛИЧЕСКОГО
ДИСПЛЕЯ (ЖЕЛТЫЙ)
ИНДИКАТОР
(LED)
ОХРАННОЙ
СИГНАЛИЗАЦИИ
ИНДИКАТОРА СИСТЕМЫ
БЕЗОПАСНОСТИ
УРОВНЯ
ТОПЛИВА
УРОВНЯ
ТЕМПЕРАТУРЫ
№ 16 (15 A)
(1−С)
№ 10
(7,5 A) (2−В)
ПРИБОРАМИ (СПИДОМЕТР)
(6−A)
КЛИМАТ-КОНТРОЛЕМ (
9−D)
АВТОМАТИЧЕСКОГО
ВКЛЮЧЕНИЯ
СВЕТА/ДАТЧИК
ДОЖДЯ
(6−D)
УПРАВЛЕНИЯ
HANDS−FREE
(14−С)
ПЕРЕДАЧИ ДАННЫХ
(3−C)
МОДУЛЯТОР VSA
(11−B)
МОДУЛЯТОР ABS
(11−A)
БЛОК УПРАВЛЕНИЯ EPS (11−С)
УСКОРЕНИЯ
(11−В)
(РЕЛЕ ЗВУКОВОГО СИГНАЛА)
(10−C)


