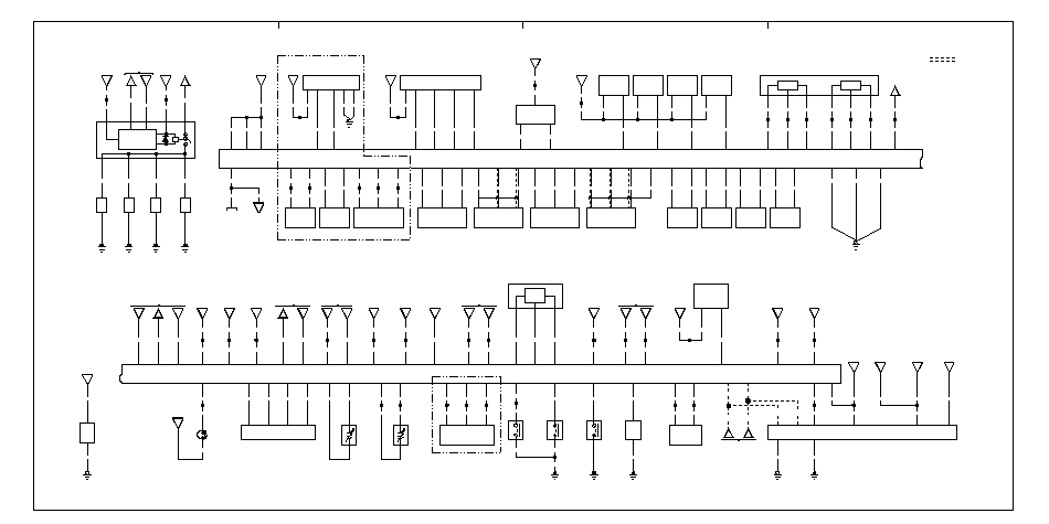
Схема электропроводки
ECT
ПЕДАЛИ ТОРМОЗА
(7−C)
СЦЕПЛЕНИЯ
КОМПРЕССОРА
КОНДИЦИОНЕРА
(1−D)
ВЕНТИЛЯТОРА
РАДИАТОРА
(1−D)
(10−A)
УПРАВЛЕНИЯ
ВЕНТИЛЯТОРОМ
(1−D)
(1−B, C)
№ 23
(7,5 A) (2−C)
БЛОКИРОВКИ
(2−C)
ЗАПУСКА
ДВИГАТЕЛЯ
(2−B)
УПРАВЛЕНИЯ
РЕГУЛЯТОРОМ
ФАР (6−D)
УПРАВЛЕНИЯ
EPS (11−С)
УПРАВЛЕНИЯ
EPS (11−С)
(11−С)
МОДУЛЯТОР ABS (11−A)
ПРИБОРАМИ
(ТАХОМЕТР) (4−А)
МОДУЛЯТОР VSA (11−B)
МОДУЛЯТОР VSA
(11−B)
МОДУЛЯТОР ABS
(11−A)
(12−B)
ВРАЩЕНИЯ КОЛЕНЧАТОГО
ВАЛА
ПОЛОЖЕНИЯ
ПЕДАЛИ
СЦЕПЛЕНИЯ B
(Закрыт :
Педаль сцепления
нажата)
№ 16 (15 A) (1−С)
ИММОБИЛАЙЗЕРА
ДИСТАНЦИОННОГО УПРАВЛЕНИЯ
(8−А)
УСКОРЕНИЯ
(11−В)
ТОПЛИВА
ОБОГРЕВАТЕЛЯ
ТОПЛИВА
(1−D)
СВЕЧАМИ НАКАЛИВАНИЯ
(3−А)
ВЕНТИЛЯТОРА
КОНДИЦИОНЕРА
(1−D)
№ 2 (15 А)
(2−B)
ОБОГРЕВАТЕЛЯ
ТОПЛИВА (1−D)
РЕЛЕ 1
PGM−FI
(ГЛАВНЫЙ 1−C)
ТОПЛИВОРАСПРЕДЕЛИТЕЛЬНОЙ РАМПЫ
УПРАВЛЕНИЯ
ISV
(1−C)
(10−D)
ТЕМПЕРАТУРЫ ТОПЛИВА
УРОВНЯ
ВОДЫ В
ТОПЛИВНОМ
ФИЛЬТРЕ
ДАТЧИК
ДАВЛЕНИЯ
МАСЛА
ПОЛОЖЕНИЯ
ПЕДАЛИ
СЦЕПЛЕНИЯ А
(Закрыт :
Педаль сцепления
нажата)
КОНДИЦИОНЕРА
ECT
ВЫКЛЮЧАТЕЛЬ
РЕЛЕ 1 PGM−FI
(ГЛАВНЫЙ 1−C)
МОТОРНОГО ОТСЕКА
ПОД ПАНЕЛЬЮ ПРИБОРОВ
ВПУСКНОЙ КЛАПАН
УПРАВЛЕНИЯ
ШКИВОМ ВПУСКНОГО
КОЛЛЕКТОРА (IMRC)
КОЛЕНЧАТОГО ВАЛА)
КОЛЕНЧАТОГО ВАЛА)
ТОПЛИВОРАСПРЕДЕЛИТЕЛЬНОЙ
РАМПЫ (FRP)
РАЗЪЕМА
ТАХОМЕТРА
PGM−FI
(ГЛАВНЫЙ 1−C)
УПРАВЛЕНИЯ
СВЕЧАМИ
НАКАЛИВАНИЯ
УПРАВЛЕНИЯ
EPS (11−С)
УПРАВЛЕНИЯ
ISV (1−C)
№ 5 (70 А)
(1−A)
МОТОРНОГО МАСЛА
2
(1−C)
PGM−FI
2
(1−C)
НАКАЛИВАНИЯ
№ 4
НАКАЛИВАНИЯ
№ 3
НАКАЛИВАНИЯ
№ 2
НАКАЛИВАНИЯ
№ 1
(ДИФФЕРЕНЦИАЛЬНОГО)
ДИЗЕЛЬНОГО ФИЛЬТРА
ТВЕРДЫХ ЧАСТИЦ (DPF)
№ 3
(2−В)
(3−A)
КЛАПАН
IMRC
КЛАПАН
НАДДУВА
ТУРБОНАГНЕТАТЕЛЯ
СИСТЕМЫ
РЕЦИРКУЛЯЦИИ
ОТРАБОТАННЫХ
ГАЗОВ (EGR)
КЛАПАН
БЛОКИРОВКИ
ЗАДНЕГО ХОДА
НАВИГАЦИИ (14−B)
(13−A)
УПРАВЛЕНИЯ
РЕГУЛЯТОРОМ ФАР (6−D)
РЕЛЕ
PGM−FI 2
(1−C)


