Руководство по обслуживанию и ремонту Honda Civic 3D
8 поколения


Honda Civic Civic 3D

  • Общая информация
  • Спецификация
  • График техобслуживания
  • Двигатель
  • Топливо и система снижения токсичности
  • Трансмиссия
  • Рулевое управление
  • Подвеска
  • Тормозная система
  • HVAC (Система отопителя, вентилятора, кондиционера)
  • Кузов
  • Средства безопасности
  • Поиск неисправностей DTC
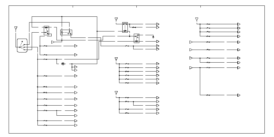
  • Схемы электропроводки

  • Схема электропроводки


    Expansion / Cuts down an image.

    A

    B

    C

    D

    MICU (10−B)

    (Гнездо блока
    предохранителей/реле)

    176

    WHT

    BLU

    WHT

    35

    ·

    РЕЛЕ ОБОГРЕВАТЕЛЯ PCT (1−A)

    36

    37

    ·

    РАЗЪЕМ БЛОКА ИММОБИЛАЙЗЕРА−
    ДИСТАНЦИОННОГО УПРАВЛЕНИЯ (8−А)

    ДАТЧИК ПОЛОЖЕНИЯ ПЕДАЛИ ТОРМОЗА (7−C)

    ПОДСВЕТКА ДИСТАНЦИОННОГО ВЫКЛЮЧАТЕЛЯ РАДИО (13−А)

    ·

    ·

    № 21 (20 A)

    № 21 (30 A)

    *2

    (с HID)

    (без HID)

    *2

    *2

    *2

    (без HID)

    (с HID)

    (без HID)

    (с HID)

    *1

    LT GRN

    ·

    БЛОК ELD (1−B)

    ·

    (Гнездо блока
    предохранителей/
    реле)

    70

    (Гнездо блока
    предохранителей/
    реле)

    69

    (Гнездо блока
    предохранителей/
    реле)

    68

    67

    ЛЕВЫЕ ГАБАРИТНЫЕ ФОНАРИ (7−A, C, D)

    ПРАВЫЕ ГАБАРИТНЫЕ ФОНАРИ (7−A, C, D)

    ПРАВЫЙ ПЕРЕДНИЙ ГАБАРИТНЫЙ ФОНАРЬ
    (ИСКЛЮЧАЯ МОДЕЛЬ KS) (7−А)

    ЛЕВЫЙ ПЕРЕДНИЙ ГАБАРИТНЫЙ ФОНАРЬ
    (ИСКЛЮЧАЯ МОДЕЛЬ KS) (7−А)

    ОГНИ ОСВЕЩЕНИЯ ГОСУДАРСТВЕННОГО
    РЕГИСТРАЦИОННОГО ЗНАКА (7−A)

    РЕЛЕ ВКЛЮЧЕНИЯ ОСВЕЩЕНИЯ В
    ДНЕВНОЕ ВРЕМЯ (модель KS) (10−С)

    ·

    ·

    ·

    ·

    ·

    ·

    80

    ·

    ·

    ·

    ПОДСВЕТКА ВЫКЛЮЧАТЕЛЯ РЕГУЛЯТОРА
    НАПРАВЛЕНИЯ СВЕТА ФАР (6−С)

    ПОДСВЕТКА ВЫКЛЮЧАТЕЛЯ АВАРИЙНОЙ СИГНАЛИЗАЦИИ (7−В)

    ПОДСВЕТКА ДАТЧИКА ВЫКЛЮЧЕННОЙ СИСТЕМЫ VSA (5−С)

    БЛОК УПРАВЛЕНИЯ КЛИМАТ-КОНТРОЛЕМ (9−С)

    ·

    ·

    ·

    ·

    ·

    79

    ·

    ·

    ·

    ·

    ПОДСВЕТКА ПЕРЕКЛЮЧАТЕЛЯ
    СОЛНЦЕЗАЩИТНОГО КОЗЫРЬКА (11−D)

    НАВИГАЦИОННЫЙ ДИСПЛЕЙ (14−B)

    НАРУЖНОЕ ОСВЕЩЕНИЕ (7−B)

    ПОДСВЕТКА АУДИОСИСТЕМЫ (13−A, D)

    78

    77

    ПРАВАЯ ФАРА (БЛИЖНИЙ СВЕТ) (6−A, B)

    БЛОК УПРАВЛЕНИЯ ОЧИСТКИ ФАР(7−D)

    ·

    ·

    76

    75

    74

    73

    72

    71

    *2

    *2

    № 17 (15 A)

    № 17 (10 A)

    № 16 (15 A)

    № 16 (10 A)

    *2

    *2

    *2

    *2

    *2

    *2

    *2

    17

    *1

    № 19 (15 A)

    Блок MICU (+B SMALL LT) (10−C)

    № 18 (20 A)

    № 20 (7,5 A)

    (Гнездо блока предохранителей/реле)

    (Гнездо блока предохранителей/реле)

    Блок MICU (+B H/L HI) (10−C)

    (Гнездо блока предохранителей/реле)

    Блок MICU (+B RR FOG) (10−D)

    (Гнездо блока предохранителей/реле)

    Блок MICU (+B H/L LO) (10−B)

    № 12 (10 A)

    WHT

    ПРАВАЯ ФАРА (ДАЛЬНИЙ СВЕТ) (6−A, B)

    ЛЕВАЯ ФАРА (ДАЛЬНИЙ СВЕТ) (6−A, B)

    RED

    № 13 (10 A)

    YEL

    ЛЕВАЯ ФАРА (БЛИЖНИЙ СВЕТ) (6−A)

    GRN

    GRY

    RED

    № 14 (7,5 A)

    № 15 (7,5 A)

    (Гнездо блока
    предохранителей/
    реле)

    63

    62

    61

    60

    ЭЛЕКТРОДВИГАТЕЛЬ СОЛНЦЕЗАЩИТНОГО КОЗЫРЬКА (11−D)

    59

    *2

    *2

    *2

    *2

    *1

    18

    № 25 (20 A)

    Блок MICU (+B DR LOCK) (10−C)

    № 24 (20 A)

    GRN

    № 26 (20 A)

    WHT

    (Гнездо блока предохранителей/реле)

    ГЛАВНЫЙ ВЫКЛЮЧАТЕЛЬ СТЕКЛОПОДЪЕМНИКОВ (8−D)

    № 30 (20 A)

    GRN

    ВЫКЛЮЧАТЕЛЬ СТЕКЛОПОДЪЕМНИКА ДВЕРИ ПЕРЕДНЕГО ПАССАЖИРА (8−D)

    РЕЛЕ СУПЕРБЛОКИРОВКИ (KE) (10−A)

    WHT

    БЛОК УПРАВЛЕНИЯ ОЧИСТКИ ФАР(7−D)

    58

    57

    РЕЛЕ ПРИКУРИВАТЕЛЯ (12−A)

    РЕЛЕ ГНЕЗДА ПИТАНИЯ АКСЕССУАРОВ (12−A)

    56

    РЕЛЕ ВКЛЮЧЕНИЯ ОСВЕЩЕНИЯ В
    ДНЕВНОЕ ВРЕМЯ (модель KS) (10−С)

    55

    54

    РЕЛЕ ПЕРЕДНИХ ПРОТИВОТУМАННЫХ ФАР (7−A)

    ·

    ·

    РЕЛЕ ОБОГРЕВАТЕЛЯ СИДЕНЬЯ
    ПЕРЕДНЕГО ПАССАЖИРА (9−A)

    РЕЛЕ ОБОГРЕВАТЕЛЯ
    СИДЕНЬЯ ВОДИТЕЛЯ (9−A)

    53

    *2

    *2

    *2

    *2

    *2

    *2

    *1

    НАВИГАЦИОННЫЙ ДИСПЛЕЙ (14−B)

    БЛОК СИСТЕМЫ НАВИГАЦИИ (14−B)

    АУДИОБЛОК (13−A)

    ИНТЕРФЕЙСНЫЙ НАБОР (13−C)

    РЕЛЕ ГНЕЗДА ПИТАНИЯ АКСЕССУАРОВ (12−A)

    БЛОК УПРАВЛЕНИЯ HANDS−FREE (14−С)

    РЕЛЕ ПРИКУРИВАТЕЛЯ (12−A)

    ·

    ·

    ·

    ·

    ·

    ·

    ·

    52

    51

    *2

    *2

    GRY

    GRY

    38

    GRY

    GRN

    G403

    BLK

    ECM (3−A)

    50

    WHT

    49

    48

    16

    WHT

    *2

    *2

    46

    47

    *2

    45

    ·

    ·

    ·

    МОДУЛЬ УПРАВЛЕНИЯ ПРИБОРАМИ (СПИДОМЕТР) (6−A)

    МОДУЛЬ УПРАВЛЕНИЯ ПРИБОРОМ (ТАХОМЕТРОМ) (4−B)

    ДАТЧИК−ВКЛЮЧЕНИЯ ПЕРЕДАЧИ ЗАДНЕГО ХОДА (7−C)

    *2

    № 9 (7,5 A)

    WHT

    БЛОК SRS (VA) (12−B)

    44

    *2

    ECM (3−A)

    РЕЛЕ, ПРЕРЫВАЮЩЕЕ ПОДАЧУ ТОКА НА СТАРТЕР (10−A)

    *2

    ДАТЧИК КУРСОВОГО− УГЛА И ПОПЕРЕЧНОГО
    УСКОРЕНИЯ АВТОМОБИЛЯ (с VSA) (11−В)

    БЛОК УПРАВЛЕНИЯ EPS (11−С)

    БЛОК УПРАВЛЕНИЯ−МОДУЛЯТОР VSA (11−B)

    БЛОК УПРАВЛЕНИЯ−МОДУЛЯТОР ABS (11−A)

    43

    ·

    ·

    ·

    ·

    *2

    *2

    14

    ·

    ·

    ГЕНЕРАТОР (10−B)

    ДАТЧИК MAF/1 ДАТЧИК IAT (3−В)

    Блок ECM (IG1) (3−C)

    41

    ·

    ·

    ·

    ·

    ·

    ·

    ·

    ·

    ·

    40

    *2

    39

    *2

    ·

    ·

    ВЫКЛЮЧАТЕЛЬ ОБОГРЕВАТЕЛЯ
    СИДЕНЬЯ ВОДИТЕЛЯ (9−A)

    ·

    БЛОК УПРАВЛЕНИЯ КЛИМАТ-
    КОНТРОЛЕМ (9−С)

    РЕЛЕ ОБОГРЕВАТЕЛЯ ЭЛЕКТРОЗЕРКАЛ (8−B)

    ·

    ·

    БЛОК−ПРЕДОХРАНИТЕЛЕЙ/РЕЛЕ
    В МОТОРНОМ ОТСЕКЕ (1−C)

    ВЫКЛЮЧАТЕЛЬ ЭЛЕКТРОЗЕРКАЛ (8−B)

    ·

    *1

    16

    *2

    № 6 (20 A)

    WHT

    № 31 (30 A)

    № 5 (20 A)

    № 7 (10 A)

    ORN

    № 28 (20 A)

    № 29 (20 A)

    BLU

    WHT

    РЕЛЕ, ПРЕРЫВАЮЩЕЕ ПОДАЧУ ТОКА НА СТАРТЕР 2 (10−А)

    WHT

    LT BLU

    ECM (3−A)

    № 35 (7,5 A)

    RED

    RED

    № 23 (7,5 A)

    GRY

    (Гнездо блока предохранителей/реле)

    MICU (10−B)

    GRN

    LT GRN

    GRY

    PUR

    LT BLU

    № 4 (7,5 A)

    GRN

    LT BLU

    № 10 (7,5 A)

    № 11 (10 A)

    RED

    Блок SRS (VB) (12−B)

    № 38 (30 A)

    (Гнездо блока предохранителей/реле)

    Блок MICU (IG1 WIPER 2) (10−B)

    № 3 (10 A)

    YEL

    № 8 (7,5 A)

    WHT

    № 1 (7,5 A)

    ЭЛЕКТРОДВИГАТЕЛЬ РЕГУЛЯТОРА ЛЕВОЙ ФАРЫ (без HID) (6−С)

    ЭЛЕКТРОДВИГАТЕЛЬ РЕГУЛЯТОРА ПРАВОЙ ФАРЫ (без HID) (6−С)

    ПОДСВЕТКА ВЫКЛЮЧАТЕЛЯ ЭЛЕКТРОЗЕРКАЛ (8−С)

    № 2 (15 A)

    YEL

    ГЛАВНЫЙ ВЫКЛЮЧАТЕЛЬ СТЕКЛОПОДЪЕМНИКОВ (8−C)

    РЕГУЛЯТОР ТЕМПЕРАТУРЫ СО СТОРОНЫ ПАССАЖИРА (9−C)

    ДАТЧИК АВТОМАТИЧЕСКОГО ВКЛЮЧЕНИЯ СВЕТА/ДАТЧИК ДОЖДЯ (6−D)

    БЛОК УПРАВЛЕНИЯ РЕГУЛЯТОРОМ ФАР (с HID) (6−C)

    ВЫКЛЮЧАТЕЛЬ РЕГУЛЯТОРА ФАР (без HID) (6−C)

    YEL

    КНОПКА ЗАПУСКА ДВИГАТЕЛЯ

    GRN

    LT GRN

    ЗАМОК ЗАЖИГАНИЯ

    BAT

    OFF

    ACC

    IG1

    № 36 (10 A)

    RED

    YEL

    MICU (ДНЕВ. LT) (KS) (10−B)

    WHT

    № 37 (7,5 A)

    IG2

    25

    WHT

    (Гнездо блока предохранителей/реле)

    YEL

    LT GRN

    ORN

    *2 : БЛОК РЕЛЕ/ПРЕДОХРАНИТЕЛЕЙ−ПОД ПАНЕЛЬЮ ПРИБОРОВ

    *1 : БЛОК РЕЛЕ−ПРЕДОХРАНИТЕЛЕЙ МОТОРНОГО ОТСЕКА

    2

    2

    Блок −предохранителей/реле под панелью управления

    Реле прерывания
    IG2


    РЕЛЕ
    ПРЕРЫВАНИЯ АСС

    РЕЛЕ, ПРЕРЫВАЮЩЕЕ ПОДАЧУ ТОКА НА
    СТАРТЕР 1


    ПРЕДОХРАНИТЕЛЬ № 2
    (IG) (50 A) (1−С)

    РЕЛЕ
    БЛОКИРОВКИ

    РЕЛЕ,
    ПРЕРЫВАЮЩЕЕ
    ПОДАЧУ
    ТОКА НА
    СТАРТЕР 2 (10−А)

    ПРЕДОХРАНИТЕЛЬ
    № 4
    (OP) (80 A) (1−D)

    ПРЕДОХРАНИТЕЛЬ
    № 6
    (P/W) (40 A) (1−C)

    ПРЕДОХРАНИТЕЛЬ
    № 2
    (H/L) (60 A) (1−C)

    ПОДСВЕТКА ПЕРЕКЛЮЧАТЕЛЯ ПОЗИЦИЙ
    SET/RESUME/CANCEL ОСНОВНОГО ВЫКЛЮЧАТЕЛЯ
    КРУИЗ-КОНТРОЛЯ ОСНОВНОГО ВЫКЛЮЧАТЕЛЯ
    КРУИЗ-КОНТРОЛЯ (5−A)

    Блок MICU
    (10−C)

    Блок MICU
    (10−C)

    Блок MICU
    (10−D)

    Блок MICU
    (10−C)

    ПОДСВЕТКА ПЕРЕКЛЮЧАТЕЛЯ ПОЛОЖЕНИЙ
    SELECT/RESET/INFORMATION (4−C)

    ПОДСВЕТКА ВЫКЛЮЧАТЕЛЯ
    ОБОГРЕВАТЕЛЯ СИДЕНЬЯ ВОДИТЕЛЯ (9−A)

    ПОДСВЕТКА ВЫКЛЮЧАТЕЛЯ
    ОБОГРЕВАТЕЛЯ СИДЕНЬЯ ПЕРЕДНЕГО ПАССАЖИРА (9−B)


    ПРЕДОХРАНИТЕЛЬ
    № 2 (IG) (50 A) (1−С)

    ПЕРЕКЛЮЧАТЕЛЬ ГОЛОСОВОГО
    УПРАВЛЕНИЯ/ГОЛОСОВОГО
    УПРАВЛЕНИЯ HFL (14−B, D)

    ВЫКЛЮЧАТЕЛЬ ОБОГРЕВАТЕЛЯ
    СИДЕНЬЯ ПЕРЕДНЕГО ПАССАЖИРА (9−A)

    }