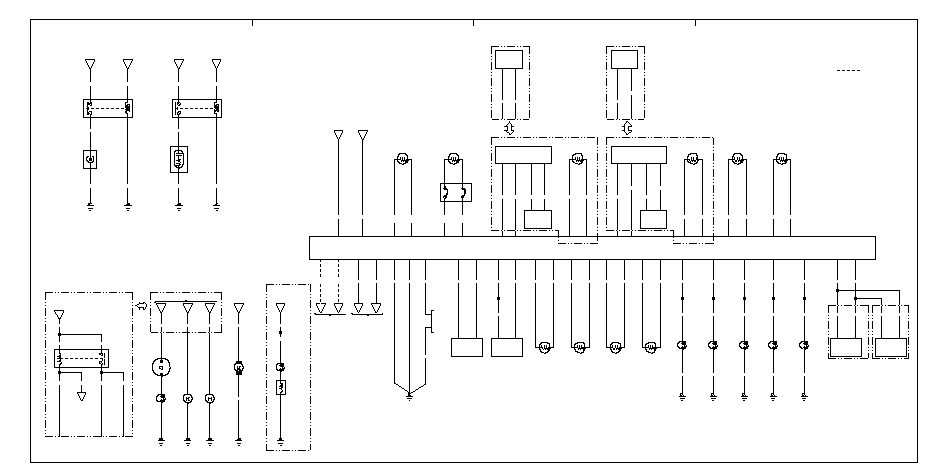
Схема электропроводки
ПОСАДКИ НА
СИДЕНЬЕ С
ПРАВОЙ СТОРОНЫ
ЗАМКА
ЗАДНЕГО
ЦЕНТРАЛЬНОГО
РЕМНЯ
БЕЗОПАСНОСТИ
ЗАМКА
ЗАДНЕГО
ЛЕВОГО
РЕМНЯ
БЕЗОПАСНОСТИ
ЗАМКА
ЗАДНЕГО
ПРАВОГО
РЕМНЯ
БЕЗОПАСНОСТИ
ЗАМКА
ЗАДНЕГО
ПРАВОГО
РЕМНЯ
БЕЗОПАСНОСТИ
ЗАМКА
ЛЕВОГО
РЕМНЯ
БЕЗОПАСНОСТИ
ПРОВОДА
ДАТЧИК
УДАРА
(ВТОРОЙ)
УДАРА С ЛЕВОЙ СТОРОНЫ
БОКОВОГО УДАРА С
ПРАВОЙ СТОРОНЫ
ДАТЧИК
УДАРА
(ВТОРОЙ)
ПЕРЕДАЧИ
ДАННЫХ
(DLC) (
3−D)
ДЛЯ СИГНАЛА
ОЧИСТКИ
ПАМЯТИ
(MES)
ПЕРЕДНИЙ
ДАТЧИК
УДАРА
ПЕРЕДНИЙ
ДАТЧИК
УДАРА
ПРИБОРАМИ (ТАХОМЕТР)
(4−А)
ПРАВОГО
БОКОВОГО РЕМНЯ
БЕЗОПАСНОСТИ
ЛЕВОГО
БОКОВОГО РЕМНЯ
БЕЗОПАСНОСТИ
ЛЕВОЙ БОКОВОЙ
ПОДУШКИ
БЕЗОПАСНОСТИ
ПРАВОЙ БОКОВОЙ
ПОДУШКИ
БЕЗОПАСНОСТИ
ПРАВОГО
БОКОВОГО РЕМНЯ
БЕЗОПАСНОСТИ
ЗАМКА ЛЕВОГО
БОКОВОГО РЕМНЯ
БЕЗОПАСНОСТИ
ПОДУШКИ
БЕЗОПАСНОСТИ
ПЕРЕДНЕГО
ПАССАЖИРА
ПОДУШКИ
БЕЗОПАСНОСТИ
ВОДИТЕЛЯ
ЛЕВОЙ БОКОВОЙ
ШТОРКИ БЕЗОПАСНОСТИ
ПРАВОЙ БОКОВОЙ
ШТОРКИ БЕЗОПАСНОСТИ
№ 11 (10 А)
(2−В)
№ 9
(7,5 A) (2−В)
ПРИКУРИВАТЕЛЯ
ПИТАНИЯ
АКСЕССУАРОВ
ПИТАНИЯ
АКСЕССУАРОВ
№ 35
(7,5 A) (2−C)
ПРЕДОХРАНИТЕЛЬ
№ 29 (20 A) (2−С)
№ 35
(7,5 A) (2−C)
ПРЕДОХРАНИТЕЛЬ
№ 28 (20 A) (2−С)
ПРОВОДА
ЗВУКОВОГО
СИГНАЛА
СИГНАЛ
(ГРОМКИЙ)
СИГНАЛ
(ТИХИЙ )
ВЕНТИЛЯТОРА
КОНДИЦИОНЕРА
(1−D)
СЦЕПЛЕНИЯ
КОМПРЕССОРА
КОНДИЦИОНЕРА (1−D)
ВЕНТИЛЯТОРА
КОНДЕНСАТОРА
СИСТЕМЫ
КОНДИЦИОНИРОВАНИЯ
ВОЗДУХА
УСТРОЙСТВО
СЦЕПЛЕНИЯ
КОМПРЕССОРА
КОНДИЦИОНЕРА
ВОЗДУХА
ПРЕДОХРАНИТЕЛЬ
№ 21 (15 A) (1−А)
ЗВУКОВОГО
СИГНАЛА
МОДУЛЯТОР ABS
(11−A)
МОДУЛЯТОР VSA
(11−B)
ПЕРЕДАЧИ ДАННЫХ (3−D)
EPS
(11−С)
УСКОРЕНИЯ
(11−В)
SELECT/
RESET/ INFORMATION
(4−C)
ПЕРЕКЛЮЧАТЕЛЬ
СИСТЕМЫ КРУИЗ-
КОНТРОЛЯ (5−А)
ПЕРЕКЛЮЧЕНИЕМ ПЕРЕДАЧ
(15−D)
ПОСАДКИ НА
СИДЕНЬЕ
С ЛЕВОЙ СТОРОНЫ
ДАТЧИК
БОКОВОГО
УДАРА
ДАТЧИК
БОКОВОГО
УДАРА


