Руководство по обслуживанию и ремонту Honda Civic 3D
8 поколения


Honda Civic Civic 3D

  • Общая информация
  • Спецификация
  • График техобслуживания
  • Двигатель
  • Топливо и система снижения токсичности
  • Трансмиссия
  • Рулевое управление
  • Подвеска
  • Тормозная система
  • HVAC (Система отопителя, вентилятора, кондиционера)
  • Кузов
  • Средства безопасности
  • Поиск неисправностей DTC
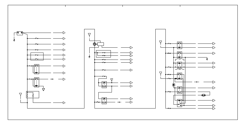
  • Схемы электропроводки

  • Схема электропроводки


    Expansion / Cuts down an image.

    A

    B

    C

    D

    *4

    *4 : С климат-контролем

    № 15 (20 A)

    *1

    *3 : i−ПЕРЕКЛЮЧЕНИЕ

    БЛОК УПРАВЛЕНИЯ HANDS−FREE (14−С)

    ·

    № 1

    (BAT)

    (100 A)

    *1

    №. 24 (15 A)

    *1

    *3

    WHT

    156

    № 5 (40 A)

    *1

    *1

    ГЛАВНОЕ РЕЛЕ 2 МОДУЛЯ PGM−FI (3−A)

    ·

    ·

    УПРАВЛЕНИЯ СИРЕНОЙ СИГНАЛИЗАЦИИ (10−А)

    ·

    MICU (10−B)

    УЛЬТРАЗВУКОВОЙ ДАТЧИК (10−A)

    ·

    РАЗЪЕМ БЛОКА ИММОБИЛАЙЗЕРА−
    ДИСТАНЦИОННОГО УПРАВЛЕНИЯ (8−А)

    ·

    ·

    ВЫКЛЮЧАТЕЛЬ АВАРИЙНОЙ СИГНАЛИЗАЦИИ (7−B)

    ·

    НАВИГАЦИОННЫЙ ДИСПЛЕЙ (14−B)

    МОДУЛЬ УПРАВЛЕНИЯ ПРИБОРАМИ (СПИДОМЕТР) (6−A)

    ·

    МОДУЛЬ УПРАВЛЕНИЯ ПРИБОРОМ (ТАХОМЕТРОМ) (4−B)

    ·

    ·

    РАЗЪЕМ ПЕРЕДАЧИ ДАННЫХ (3−D)

    ·

    ЗАМОК ЗАЖИГАНИЯ (2−A)

    РЕЛЕ ПРЕРЫВАНИЯ IG1 (2−B)

    ·

    14

    12

    ·

    ПОГЛОТИТЕЛЬ ШУМА (7−D)

    ОБОГРЕВАТЕЛЬ ЗАДНЕГО СТЕКЛА (7−D)

    ·

    34

    33

    32

    31

    30

    29

    28

    27

    26

    *1

    *1

    *1

    *1

    *1

    *1

    *2

    24

    23

    ТОПЛИВНЫЕ ИНЖЕКТОРЫ (3−A)

    ·

    ·

    ДАТЧИК CMP (3−A)

    ДАТЧИК CKP (3−A)

    ·

    21

    ·

    АУДИОБЛОК (13−A)

    БЛОК СИСТЕМЫ НАВИГАЦИИ (14−A)

    ·

    ·

    ДАТЧИК АВТОМАТИЧЕСКОГО ВКЛЮЧЕНИЯ СВЕТА/ДАТЧИК ДОЖДЯ (6−D)

    ·

    ОСВЕЩЕНИЕ БАГАЖНОГО ОТДЕЛЕНИЯ (7−B)

    ПОДСВЕТКА ЗАМКА ЗАЖИГАНИЯ (8−A)

    ·

    ·

    ОСВЕЩЕНИЕ ТУАЛЕТНОГО ЗЕРКАЛА СО СТОРОНЫ ВОДИТЕЛЯ (7−А)

    ОСВЕЩЕНИЕ ТУАЛЕТНОГО ЗЕРКАЛА СО СТОРОНЫ ПАССАЖИРА (7−А)

    ·

    ·

    ПОТОЛОЧНЫЙ ПЛАФОН (7−B)

    ПЛАФОНЫ МЕСТНОГО ОСВЕЩЕНИЯ (7−B)

    ·

    *1

    *1

    *1

    *1

    *1

    *1

    *1

    15

    13

    (1−B)

    *1

    8

    7

    ·

    ДАТЧИК СОСТАВА ТОПЛИВНО-
    ВОЗДУШНОЙ СМЕСИ (3−С)

    БЛОК−ПРЕДОХРАНИТЕЛЕЙ/
    РЕЛЕ В МОТОРНОМ ОТСЕКЕ (1−C)

    ·

    6

    *1

    *1

    *1

    5

    ·

    БЛОК УПРАВЛЕНИЯ−МОДУЛЯТОР ABS (11−A)

    БЛОК УПРАВЛЕНИЯ−МОДУЛЯТОР VSA (11−B)

    ·

    ·

    БЛОК УПРАВЛЕНИЯ−МОДУЛЯТОР ABS (11−A)

    БЛОК УПРАВЛЕНИЯ−МОДУЛЯТОР ABS (11−A)

    ·

    4

    *1

    *1

    ·

    ДАТЧИК ПОЛОЖЕНИЯ ПЕДАЛИ
    ТОРМОЗА (7−C)

    ·

    РЕЛЕ ЗВУКОВОГО СИГНАЛА (12−A)

    MICU (10−C)

    ·

    MICU (10−B)

    1

    ЭЛЕКТРОДВИГАТЕЛЬ ВЕНТИЛЯТОРА САЛОНА (9−C)

    G301

    ECM (FAN L) (3−B)

    ECM (ACC L) (3−B)

    СЦЕПЛЕНИЕ КОМПРЕССОРА КОНДИЦИОНЕРА (12−В)

    БЛОК УПРАВЛЕНИЯ КЛИМАТ-КОНТРОЛЕМ (9−С)

    ECM (ВЕНТИЛЯТОР H) (3−B)

    ЭЛЕКТРОДВИГАТЕЛЬ ВЕНТИЛЯТОРА
    КОНДЕНСАТОРА КОНДИЦИОНЕРА (12−А)

    ДАТЧИК УРОВНЯ МОТОРНОГО МАСЛА (3−В)

    35

    WHT

    № 18 (20 A)

    PUR

    № 19 (40 A)

    BLK

    RED

    № 12 (30 A)

    WHT

    25

    BRN

    RED

    PUR

    № 7 (7,5 A)

    GRY

    6

    RED

    ЭЛЕКТРОПРИВОД ВЕНТИЛЯТОРА РАДИАТОРА

    GRY

    BLU

    PUR

    № 20 (7,5 A)

    YEL/RED

    YEL

    № 4 (OP) (80 A)

    WHT

    16

    17

    18

    19

    ECM (MRLY) (3−A)

    ECM (DBWRLY−) (3−D)

    ECM (VBDBW) (3−D)

    20

    22

    ECM (ELD) (3−B)

    WHT

    № 2 (IG) (50 A)

    № 2 (H/L) (60 A)

    WHT

    БЛОК В МУЛЬТИ−ПРЕДОХРАНИТЕЛЕЙ

    № 6 (P/W) (40 A)

    BLU

    LT BLU

    WHT

    № 16 (15 A)

    № 17 (7,5 A)

    № 9 (15 A)

    11

    GRN

    ORN

    № 8 (15 A)

    WHT

    BLU

    WHT/GRN

    LT GRN

    BLK

    G301

    YEL

    БЛОК ELD

    G1

    BLK

    АККУМУЛЯТОРНАЯ БАТАРЕЯ

    WHT

    RED

    № 3 (ABS MTR) (40 A)

    WHT

    № 21 (15 A)

    BLK

    ЭЛЕКТРОДВИГАТЕЛЬ СТАРТЕРА (10−A)

    № 22 (10 A)

    2

    BLU

    № 3 (ABS FSR) (20 A)

    БЛОК С МУЛЬТИ−ПРЕДОХРАНИТЕЛЕЙ

    № 13 (15 A)

    PNK

    ECM (SUBRLY) (3−C)

    11

    КАТУШКИ ЗАЖИГАНИЯ (3−A)

    BLU

    3

    BLK/WHT

    PUR

    БЛОК УПРАВЛЕНИЯ EPS (11−С)

    BLK

    (70 A)

    (EPS)

    № 1

    WHT

    БЛОК А МУЛЬТИ−
    ПРЕДОХРАНИТЕЛЕЙ

    1

    1

    БЛОК−ПРЕДОХРАНИТЕЛЕЙ/РЕЛЕ В МОТОРНОМ ОТСЕКЕ

    *1 : БЛОК РЕЛЕ−ПРЕДОХРАНИТЕЛЕЙ МОТОРНОГО ОТСЕКА

    *2 : БЛОК РЕЛЕ/ПРЕДОХРАНИТЕЛЕЙ−ПОД ПАНЕЛЬЮ ПРИБОРОВ

    РЕЛЕ КАТУШКИ
    ЗАЖИГАНИЯ

    ДОПОЛНИТЕЛЬНОЕ РЕЛЕ PGM−FI

    РЕЛЕ
    СИСТЕМЫ ЭЛЕКТРОННОГО УПРАВЛЕНИЯ
    ДРОССЕЛЬНОЙ ЗАСЛОНКОЙ (ETCS)

    ГЛАВНОЕ РЕЛЕ 1
    PGM−FI

    БЛОК −ПРЕДОХРАНИТЕЛЕЙ /РЕЛЕ ПОД ПАНЕЛЬЮ
    ПРИБОРОВ (ГЛАВНЫЙ P/W) (2−B)

    БЛОК−ПРЕДОХРАНИТЕЛЕЙ/РЕЛЕ ПОД ПАНЕЛЬЮ
    ПРИБОРОВ (ГЛАВНЫЙ OP) (2−C)

    РЕЛЕ
    УПРАВЛЕНИЯ
    ВЕНТИЛЯТОРОМ

    ДОПОЛНИТЕЛЬНОЕ
    РЕЛЕ
    PGM−FI
    (1−A)

    РЕЛЕ МУФТЫ СЦЕПЛЕНИЯ
    КОМПРЕССОРА
    КОНДИЦИОНЕРА ВОЗДУХА

    РЕЛЕ
    ВЕНТИЛЯТОРА
    РАДИАТОРА

    РЕЛЕ ВЕНТИЛЯТОРА
    КОНДЕНСАТОРА
    КОНДИЦИОНЕРА ВОЗДУХА

    РЕЛЕ ЭЛЕКТРОПРИВОДА
    ВЕНТИЛЯТОРА САЛОНА

    РЕЛЕ ОБОГРЕВАТЕЛЯ
    ЗАДНЕГО СТЕКЛА

    ПРЕДОХРАНИТЕЛЬ
    № 36
    (10−В)

    БЛОК−ПРЕДОХРАНИТЕЛЕЙ/РЕЛЕ ПОД ПАНЕЛЬЮ
    ПРИБОРОВ (ГЛАВНЫЙ OP) (2−В)

    ГЕНЕРАТОР
    (10−A)

    ГЕНЕРАТОР
    (10−B)

    РЕЛЕ
    КАТУШКИ ЗАЖИГАНИЯ
    (1−A)

    МОДУЛЬ УПРАВЛЕНИЯ ТРАНСМИССИЕЙ
    (15−A)

    }