Руководство по обслуживанию и ремонту Honda Civic 3D
8 поколения


Honda Civic Civic 3D

  • Общая информация
  • Спецификация
  • График техобслуживания
  • Двигатель
  • Топливо и система снижения токсичности
  • Трансмиссия
  • Рулевое управление
  • Подвеска
  • Тормозная система
  • HVAC (Система отопителя, вентилятора, кондиционера)
  • Кузов
  • Средства безопасности
  • Поиск неисправностей DTC
  • Схемы электропроводки

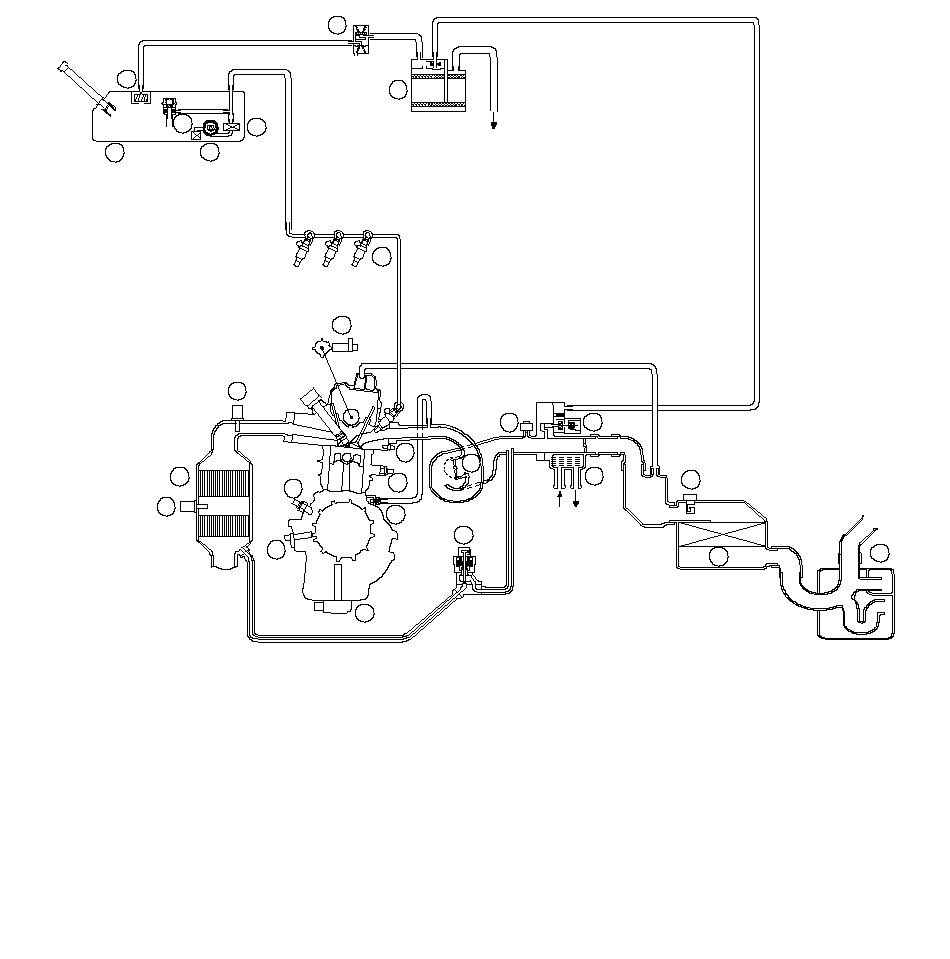
  • Распределение вакуума

    ОХЛАДИТЕЛЬ
    ДВИГАТЕЛЯ

    23

    10

    17

    18

    3

    9

    20

    8

    1

    2

    7

    6

    4

    5

    19

    21

    АТМОСФЕРА

    11

    12

    14

    13

    15

    16

    25

    24

    22

    26

    (1)

    (2)

    (3)

    (4)

    (5)

    (6)

    (7)

    (8)

    (9)

    (10)

    (11)

    (12)

    (13)

    (14)

    (15)

    (16)

    (17)

    (18)

    (19)

    (20)

    (21)

    (22)

    (23)

    (24)

    (25)

    ДАТЧИК ОТНОШЕНИЯ МАССЫ ВОЗДУХА К МАССЕ ТОПЛИВА (А/F) (ДАТЧИК 1)

    ВТОРИЧНЫЙ ДАТЧИК ПОДОГРЕВАЕМОГО КИСЛОРОДА
    (ВТОРИЧНЫЙ HO2S) (ДАТЧИК 2)

    ДАТЧИК АБСОЛЮТНОГО ДАВЛЕНИЯ ВО ВПУСКНОМ КОЛЛЕКТОРЕ (МАР)

    ДАТЧИК 1 ТЕМПЕРАТУРЫ ОХЛАЖДАЮЩЕЙ ЖИДКОСТИ (ECT)

    ДАТЧИК ПОЛОЖЕНИЯ КОЛЕНЧАТОГО ВАЛА (CKP)

    КОНТАКТНЫЙ ДАТЧИК ДАВЛЕНИЯ МАСЛА

    ДАТЧИК ПОЛОЖЕНИЯ РАСПРЕДЕЛИТЕЛЬНОГО ВАЛА (СМР)

    КОРПУС ДРОССЕЛЬНОЙ ЗАСЛОНКИ

    ДАТЧИК МАССЫ ВОЗДУШНОГО ПОТОКА (MAF)/ДАТЧИК ТЕМПЕРАТУРЫ ВОЗДУХА
    НА ВПУСКЕ (IAT)

    ИНЖЕКТОР

    ТОПЛИВНЫЙ ФИЛЬТР

    РЕГУЛЯТОР ДАВЛЕНИЯ ТОПЛИВА

    ТОПЛИВНЫЙ НАСОС

    ТОПЛИВНЫЙ БАК

    КЛАПАН ОТДЕЛЕНИЯ ПАРОВ ОТ ЖИДКОСТИ В ТОПЛИВНОМ БАКЕ

    ВОЗДУШНЫЙ ФИЛЬТР

    РЕЗОНАТОР

    КЛАПАН РЕГУЛЯТОРА ВПУСКНОГО КОЛЛЕКТОРА (IMT)

    КЛАПАН СИСТЕМЫ ПРИНУДИТЕЛЬНОЙ ВЕНТИЛЯЦИИ КАРТЕРА (PCV)

    ТРЕХКОМПОНЕНТНЫЙ КАТАЛИТИЧЕСКИЙ НЕЙТРАЛИЗАТОР (TWC)

    КЛАПАН СИСТЕМЫ РЕЦИРКУЛЯЦИИ ПЕРЕРАБОТАННЫХ ГАЗОВ (EGR) и
    ДАТЧИК ПОЛОЖЕНИЯ

    КЛАПАН ПРОДУВКИ БАЧКА АБСОРБЕРА ПАРОВ ТОПЛИВА (EVAP)

    АБСОРБЕР ПАРОВ ТОПЛИВА (EVAP)

    ДВУХХОДОВОЙ КЛАПАН БАЧКА АБСОРБЕРА (EVAP)

    ДАТЧИК ДЕТОНАЦИИ

    (26)

    ДАТЧИК УРОВНЯ МОТОРНОГО МАСЛА

    }