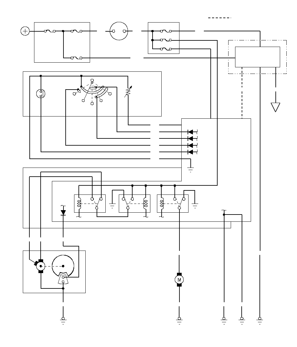
Электрическая схема цепи омывателя/стеклоочистителя ветрового стекла
предохранителей/реле)
БАТАРЕЯ
МОТОРНОГО ОТСЕКА
ОМЫВАТЕЛЯ
ПАУЗЫ
ПРЕРЫВИСТОГО
РЕЖИМА
СТЕКЛООЧИСТИТЕЛЯ
ОМЫВАТЕЛЯ
ВЕТРОВОГО СТЕКЛА
ПОД ПАНЕЛЬЮ ПРИБОРОВ
ВКЛЮЧЕНИЯ СВЕТА/
ДОЖДЯ
ПРИБОРОВ
ОСВЕЩЕНИЯ
СТЕКЛООЧИСТИТЕЛЯ
ВЕТРОВОГО СТЕКЛА


