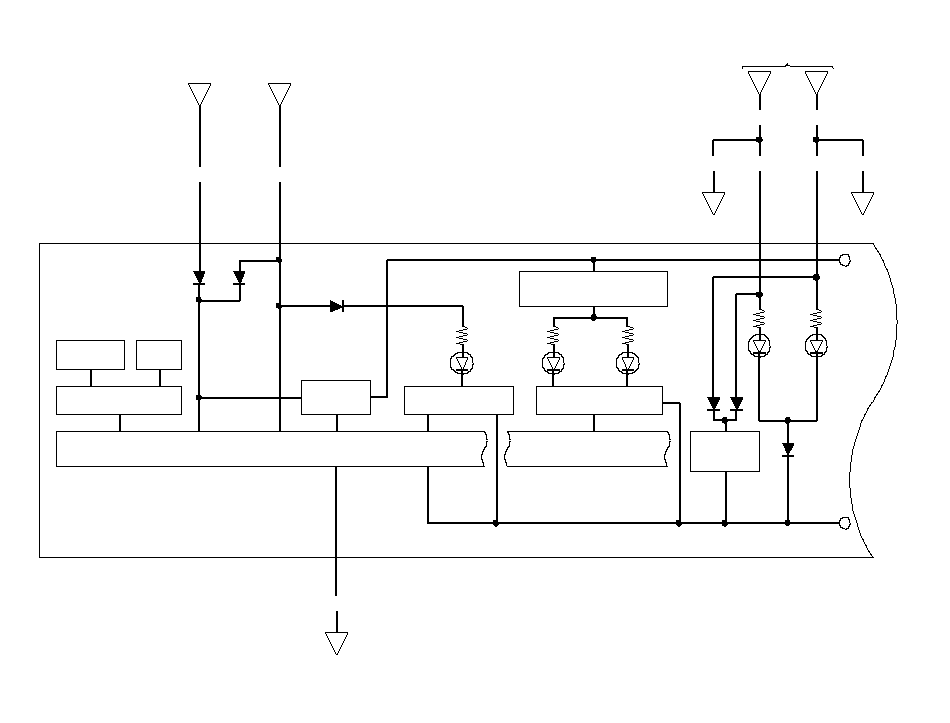
Электрическая схема приборов - Спидометр
ИНДИКАТОРА
ПРИБОРОВ (СПИДОМЕТР)
УПРАВЛЕНИЯ
ПРИБОРАМИ
(ТАХОМЕТР)
ЦЕПЬ
10 В
№.16 (15 A)
(БЛОК РЕЛЕ И
ПРЕДОХРАНИТЕЛЕЙ
МОТОРНОГО ОТСЕКА )
(БЛОК РЕЛЕ−
ПРЕДОХРАНИТЕЛЕЙ
ПОД ПАНЕЛЬЮ
ПРИБОРОВ)
АВАРИЙНЫЙ
СИГНАЛ
(LED)
LCD
СВЕТОВОЙ
ИНДИКАТОР
(LEDx3)
СВЕТОВОЙ
ИНДИКАТОР
(LEDx3)
СХЕМА ЗАТЕМНЕНИЯ ДЛЯ ИНДИКАТОРА
LCD
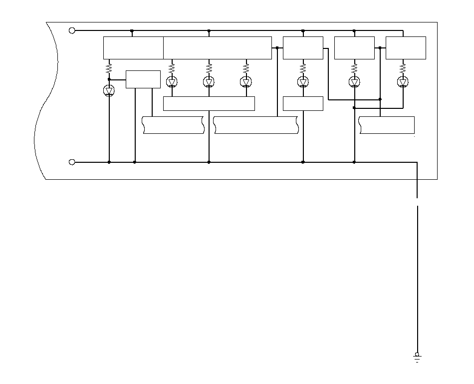
СИГНАЛА
ЛЕВОГО
ПОВОРОТА
(LED)
СИГНАЛА
ПРАВОГО
ПОВОРОТА
(LED)
ПОВОРОТА/
АВАРИЙНОЙ
СИГНАЛИЗАЦИИ
(ЗВУКОВОЙ
ОПОВЕЩАТЕЛЬ)
УКАЗАТЕЛИ ПОВОРОТА
УКАЗАТЕЛИ ПОВОРОТА
ЭЛЕКТРИЧЕСКАЯ ЦЕПЬ
ЭЛЕКТРИЧЕСКАЯ ЦЕПЬ
ПОДСВЕТКОЙ и
СХЕМА ЗАТЕМНЕНИЯ
ДЛЯ
ЖИДКОКРИСТАЛЛИЧЕСКОГО
ДИСПЛЕЯ (SP)
ПОДСВЕТКОЙ и
СХЕМА ЗАТЕМНЕНИЯ
ДЛЯ
ЖИДКОКРИСТАЛЛИЧЕСКОГО
ДИСПЛЕЯ (DIAL)
ПОДСВЕТКОЙ И
СХЕМА ЗАТЕМНЕНИЯ
ДЛЯ i−ДИСКА VTEC
ИНДИКАТОРА
СХЕМА ЗАТЕМНЕНИЯ ДЛЯ ИНДИКАТОРА
ПОДСВЕТКОЙ И
СХЕМА ЗАТЕМНЕНИЯ
ДЛЯ ЖИДКОКРИСТАЛЛИЧЕСКОГО
ДИСПЛЕЯ (i−SHIFT)
ИНДИКАТОРА
ПЕРЕКЛЮЧЕНИЯ
НА НИЗШУЮ
ПЕРЕДАЧУ
(СВЕТОДИОД)
ПЕРЕКЛЮЧЕНИЯ
НА ВЫСШУЮ
ПЕРЕДАЧУ
(СВЕТОДИОД)
i−VTEC
(СВЕТОДИОД)
ПРИНУДИТЕЛЬНОГО
ВЫКЛЮЧЕНИЯ


