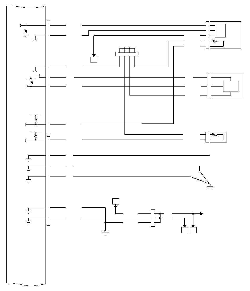
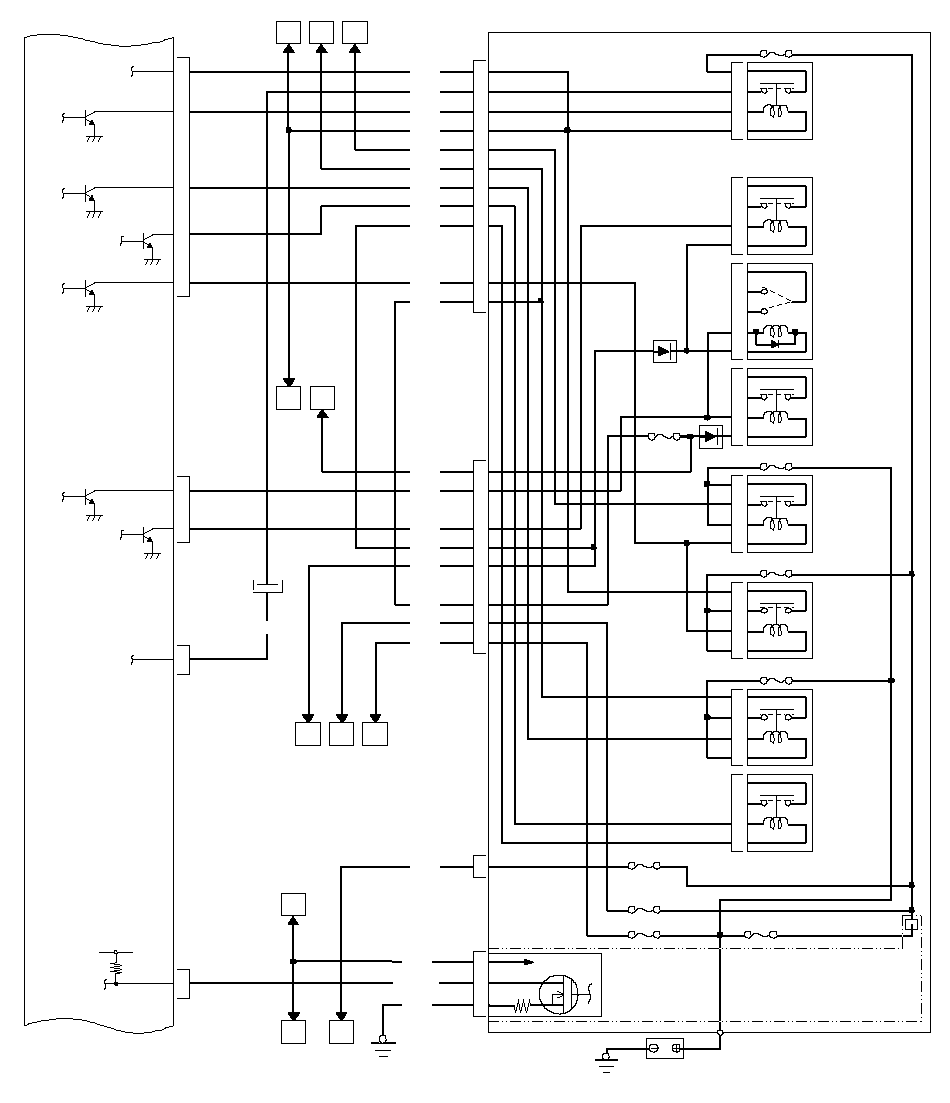
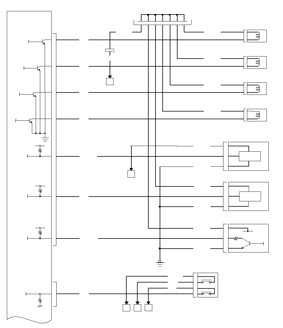
Электрическая схема топливной системы и системы выпуска отработанных газов
РАЗЪЕМ
КОЛЕНЧАТОГО ВАЛА)
РАЗЪЕМ
ПОЛОЖЕНИЯ ПЕДАЛИ ТОРМОЗА
Педаль тормоза отпущена: открыт
Педаль тормоза отпущена: закрыта
КЛАПАН РЕГУЛИРОВАНИЯ
ПОДАЧИ МАСЛА В СИСТЕМУ VTC
УПРАВЛЕНИЯ МАСЛОМ
КОРОМЫСЛА
ДЕЙСТВУЮЩИЙ
ПОД ДАВЛЕНИЕМ
МАСЛА КОРОМЫСЛА
ПОЛОЖЕНИЯ ПЕДАЛИ СЦЕПЛЕНИЯ
Педаль тормоза отпущена: закрыт
МОТОРНОГО МАСЛА
IAT
МАССЫ
ВОЗДУШНОГО
ПОТОКА (MAF)
ЖИДКОСТИ (ECT) 1
(СИСТЕМЫ ОХЛАЖДЕНИЯ ДВИГАТЕЛЯ) (ЕСТ) 1
РАЗЪЕМ
ДИСТАНЦИОННОГО
УПРАВЛЕНИЯ
РАЗЪЕМ
ВТОРИЧНОГО ВАЛА
(ПРОМЕЖУТОЧНОГО ВАЛА)
АБСОРБЕРА EVAP
(Системы поглощения паров топлива)
СВЕЧЕ
ЗАЖИГАНИЯ
СВЕЧЕ
ЗАЖИГАНИЯ
СВЕЧЕ
ЗАЖИГАНИЯ
СВЕЧЕ
ЗАЖИГАНИЯ
РАЗЪЕМ
РАЗЪЕМ
РАЗЪЕМ
РАЗЪЕМ
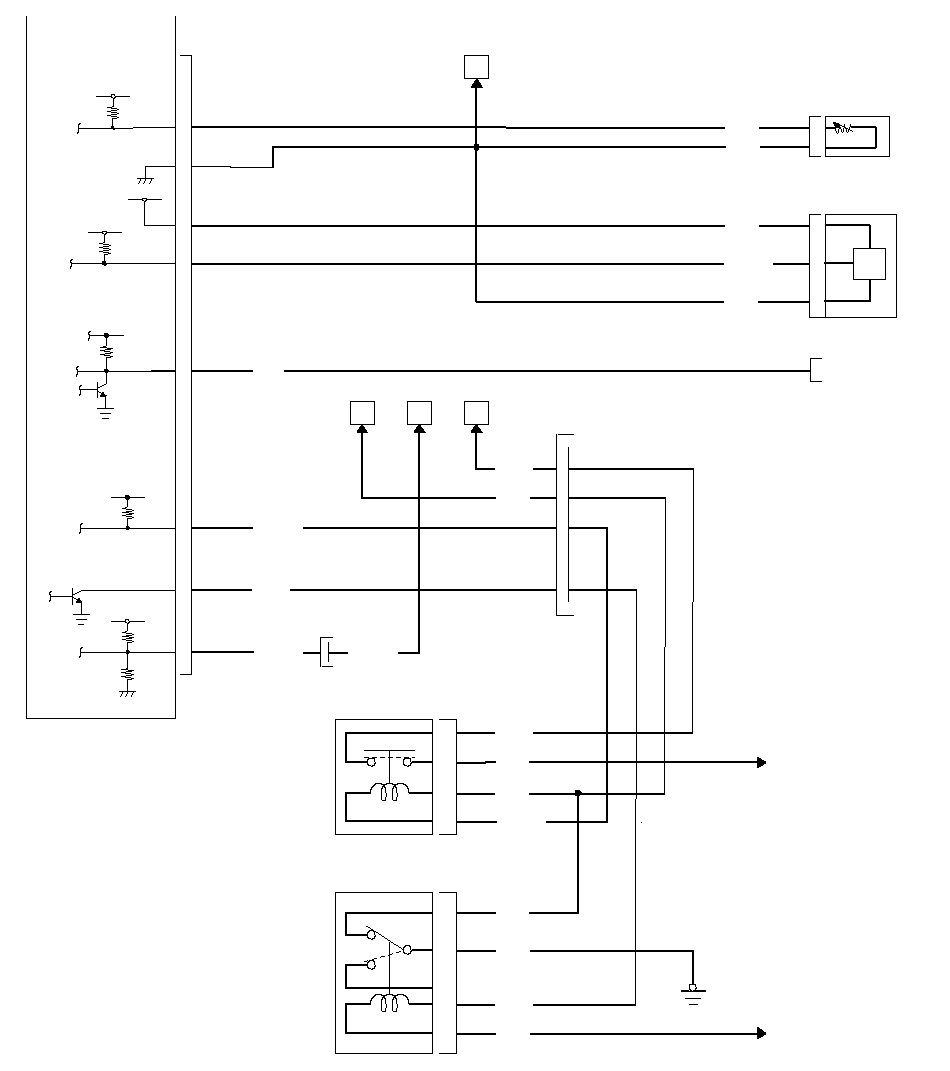
БЛОКИРОВКИ ЗАДНЕГО ХОДА
(КОЭФФИЦИЕНТА
ИЗБЫТКА ВОЗДУХА)
(ДАТЧИК 1)
РАЗЪЕМ
HO2S
(ДАТЧИК 2)
ДАВЛЕНИЯ МАСЛА
МЕХАНИЗМ
ДРОССЕЛЬНОЙ ЗАСЛОНКИ
управления
ETCS
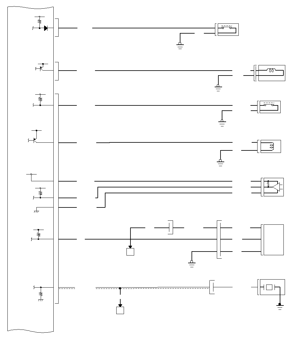
КОМПРЕССОРА КОНДИЦИОНЕРА ВОЗДУХА (A)
РЕЛЕ
PGM-FI
РЕЛЕ 1
СИСТЕМЫ
PGM-FI
КАТУШКИ
ЗАЖИГАНИЯ
ВЕНТИЛЯТОРА
КОНДЕНСАТОРА
КОНДИЦИОНЕРА
ВОЗДУХА
УПРАВЛЕНИЯ
ВЕНТИЛЯТОРОМ
СИСТЕМЫ
ОХЛАЖДЕНИЯ
ВЕНТИЛЯТОРА
РАДИАТОРА
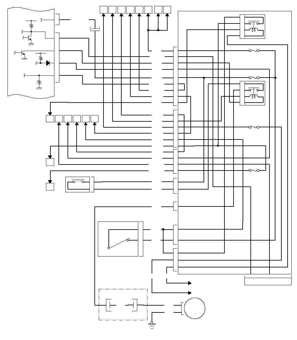
РАЗЪЕМ
СОЕДИНИТЕЛЬНЫЙ
РАЗЪЕМ
(20-КОНТАКТНЫЙ РАЗЪЕМ)*1
ПЕРЕДАЧИ
ДАННЫХ
УПРАВЛЕНИЯ ПРИБОРАМИ
(ТАХОМЕТР)
VSA
МОДУЛЯТОРА-
БЛОК
УПРАВЛЕНИЯ
МОДУЛЯ PGM-FI
(ТОПЛИВНЫЙ НАСОС)
ПРЕРЫВАНИЯ
ПОДАЧИ ТОКА
НА СТАРТЕР
(ST CUT)
РАЗЪЕМ
МОТОРНОГО ОТСЕКА:
(1)№ 8 DBW (УПРАВЛЕНИЕ
ИСПОЛНИТЕЛЬНЫМ ЭЛЕМЕНТОМ
ДРОССЕЛЬНОЙ ЗАСЛОНКИ) (15 A)
(2)№ 14 IG (15 A)
(3)№ 9 IGP (15 A)
(4)№ 13 LAF (датчик A/F) (15 A)
(5)№ 20 OIL LVL (7,5 A)
(6)№ 2 ГЛАВНАЯ КАТУШКА ЗАЖИГАНИЯ (50 A)
(7)№ 16 РЕЗЕРВ (15 A)
(8)№ 21 СТОП-СИГНАЛ, ЗВУКОВОЙ СИГНАЛ (15 A)
(9)№ 1 АККУМУЛЯТОРНАЯ БАТАРЕЯ (100 A)
БЛОК РЕЛЕ/ПРЕДОХРАНИТЕЛЕЙ
ПОД ПАНЕЛЬЮ ПРИБОРРОВ:
(10)№ 3 ГЕНЕРАТОР (10 A)
(11)№ 2 ТОПЛИВНЫЙ НАСОС (15 A)
(12)№ 36 IG2 HAC (A/C) (10 A)
(13)№ 23 СИГНАЛ СТАРТЕРА (7,5 A)
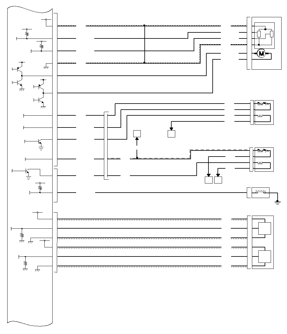
РАЗЪЕМ
РАЗЪЕМ
РАЗЪЕМ
РАЗЪЕМ
РАЗЪЕМА
ТАХОМЕТРА
КОНДИЦИОНЕРА
ОХЛАЖДАЮЩЕЙ
ЖИДКОСТИ (ECT) 2


