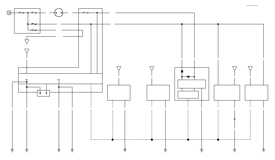
Электрическая схема цепи MICU
ЭЛЕКТРИЧЕСКАЯ ЦЕПЬ
В−CAN
ДИСТАНЦИОННОГО
УПРАВЛЕНИЯ
№ 2 (15 A)
(БЛОК РЕЛЕ/
ПРЕДОХРАНИТЕЛЕЙ
ПАНЕЛИ
УПРАВЛЕНИЯ)
№ 35 (7,5 A)
(БЛОК РЕЛЕ/
ПРЕДОХРАНИТЕЛЕЙ
ПОД ПАНЕЛЬЮ
ПРИБОРОВ)
ТЕЛЕФОННОЙ
СИСТЕМОЙ HANDS FREE
(БЛОК РЕЛЕ/ПРЕДОХРАНИТЕЛЕЙ
ПАНЕЛИ УПРАВЛЕНИЯ)
ОТОПИТЕЛЕМ/
БЛОК КЛИМАТ
-КОНТРОЛЯ
ПРИБОРОМ
(ТАХОМЕТРОМ)
МОТОРНОГО ОТСЕКА
БАТАРЕЯ
ПРОВЕРКИ
СИСТЕМЫ
MICU
САЛОНА
(БЛОК РЕЛЕ−ПРЕДОХРАНИТЕЛЕЙ
ПАНЕЛИ УПРАВЛЕНИЯ)
ДОЖДЯ/
АВТОМАТИЧЕСКОГО
ВКЛЮЧЕНИЯ СВЕТА


