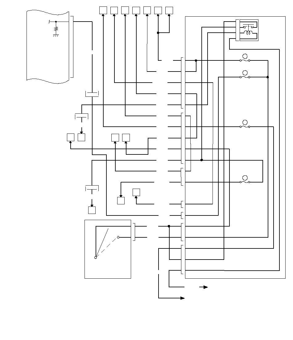
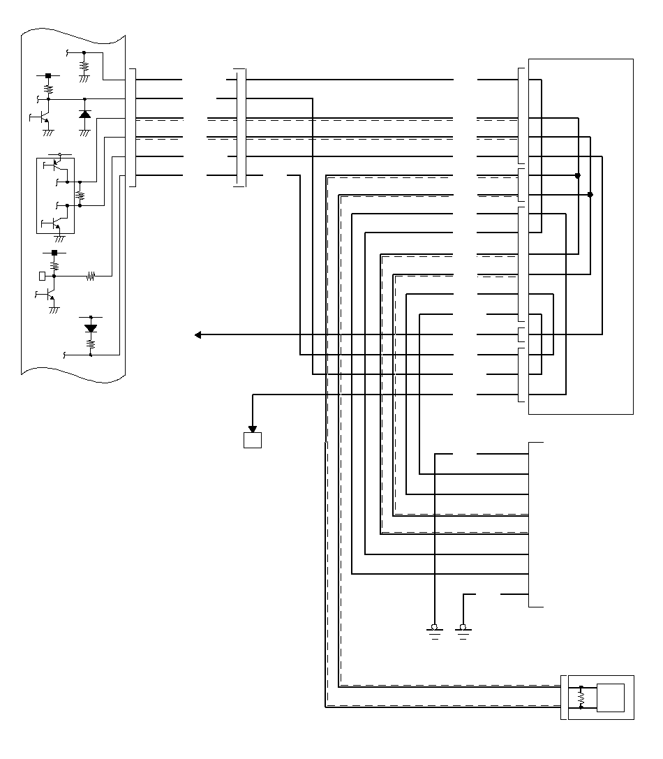
Электрическая схема топливной системы и системы выпуска отработанных газов
(ПОЛОЖЕНИЯ
КОЛЕНЧАТОГО ВАЛА)
ТОПЛИВОРАСПРЕДЕЛИТЕЛЬНОЙ
РАМПЫ (FRP)
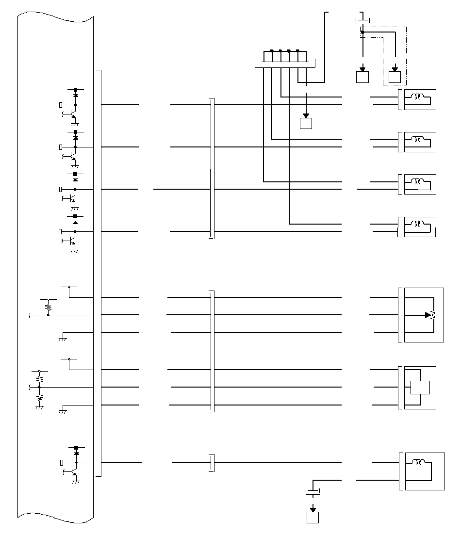
СВЕЧАМИ НАКАЛИВАНИЯ
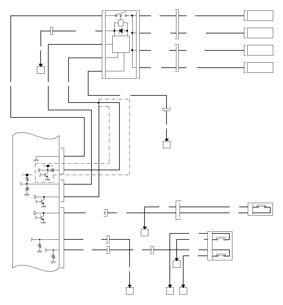
ПЕДАЛИ ТОРМОЗА
Педаль тормоза отпущена: открыт
Педаль тормоза отпущена: закрыт
ПЕДАЛИ ТОРМОЗА
ВЫКЛЮЧАТЕЛЬ
*2: с системой DPF
*3: без системы DPF
(20P РАЗЪЕМ)*1
РАЗЪЕМ
ДАТЧИК 1 IAT
РАЗЪЕМ
СИСТЕМЫ РЕЦИРКУЛЯЦИИ
ОТРАБОТАВШИХ ГАЗОВ (EGR)
УСИЛЕНИЯ
ТУРБОНАГНЕТАТЕЛЯ
КЛАПАН УПРАВЛЕНИЯ ШКИВОМ
ВПУСКНОГО КОЛЛЕКТОРА (IMRC)
БЛОКИРОВКИ ЗАДНЕГО ХОДА
УПРАВЛЕНИЯ ШКИВОМ
ВПУСКНОГО КОЛЛЕКТОРА (IMRC)
РАЗЪЕМ
ТОПЛИВОРАСПРЕДЕЛИТЕЛЬНОЙ
РАМПЫ
ВТОРИЧНОГО ВАЛА
(ПРОМЕЖУТОЧНОГО ВАЛА)
*4: Автомобиль с ЛРК
ОХЛАЖДАЮЩЕЙ ЖИДКОСТИ (ECT) 1
ДАТЧИК 2 IAT
ТЕМПЕРАТУРЫ ТОПЛИВА
УРОВНЯ ВОДЫ
В ТОПЛИВНОМ ФИЛЬТРЕ
ПЕДАЛИ СЦЕПЛЕНИЯ
Педаль сцепления выжата: замкнут
Педаль тормоза отпущена: открыт
ПЕДАЛИ СЦЕПЛЕНИЯ
Педаль сцепления выжата: замкнут
Педаль тормоза отпущена: открыт
РАЗЪЕМ
КОНДИЦИОНЕРА
(20P РАЗЪЕМ)*1
ОХЛАЖДАЮЩЕЙ ЖИДКОСТИ (ECT) 2
МОТОРНОГО МАСЛА
ДАВЛЕНИЯ МАСЛА
РАЗЪЕМА
ТАХОМЕТРА
РАЗЪЕМ
ПРИБОРОМ (ТАХОМЕТРОМ)
ПЕРЕДАЧИ
ДАННЫХ
(13-контактный) РАЗЪЕМ
(7)*1
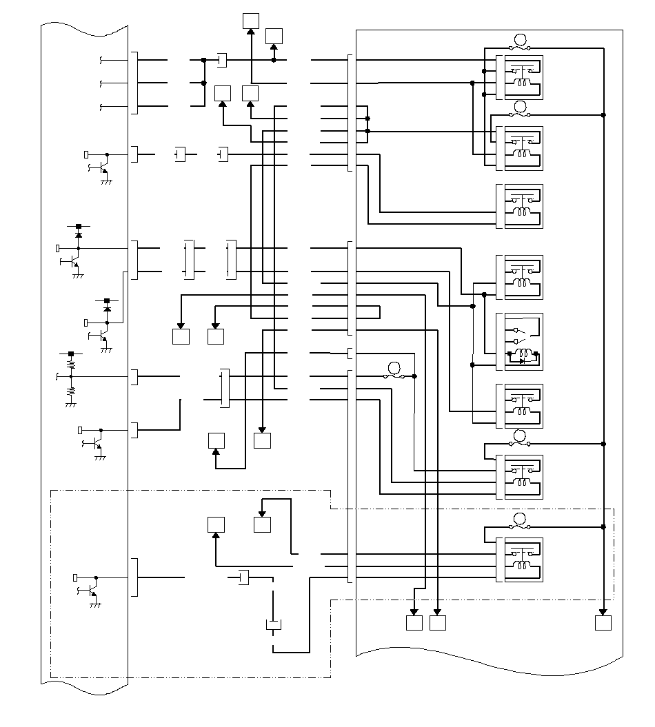
РЕЛЕ 1
СИСТЕМЫ
PGM-FI
РЕЛЕ 2
СИСТЕМЫ
PGM-FI
ВЕНТИЛЯТОРА
РАДИАТОРА
УПРАВЛЕНИЯ
ВЕНТИЛЯТОРОМ
СИСТЕМЫ
ОХЛАЖДЕНИЯ
ВЕНТИЛЯТОРА
КОНДЕНСАТОРА
КОНДИЦИОНЕРА
ВОЗДУХА
ПОДОГРЕВА
ТОПЛИВА
МУФТЫ
СЦЕПЛЕНИЯ
КОМПРЕССОРА
КОНДИЦИОНЕРА
ВОЗДУХА
РАЗЪЕМ
РАЗЪЕМ
RED
РАЗЪЕМ
РАЗЪЕМ
РАЗЪЕМ
(13-контактный) РАЗЪЕМ
(20P РАЗЪЕМ)*1
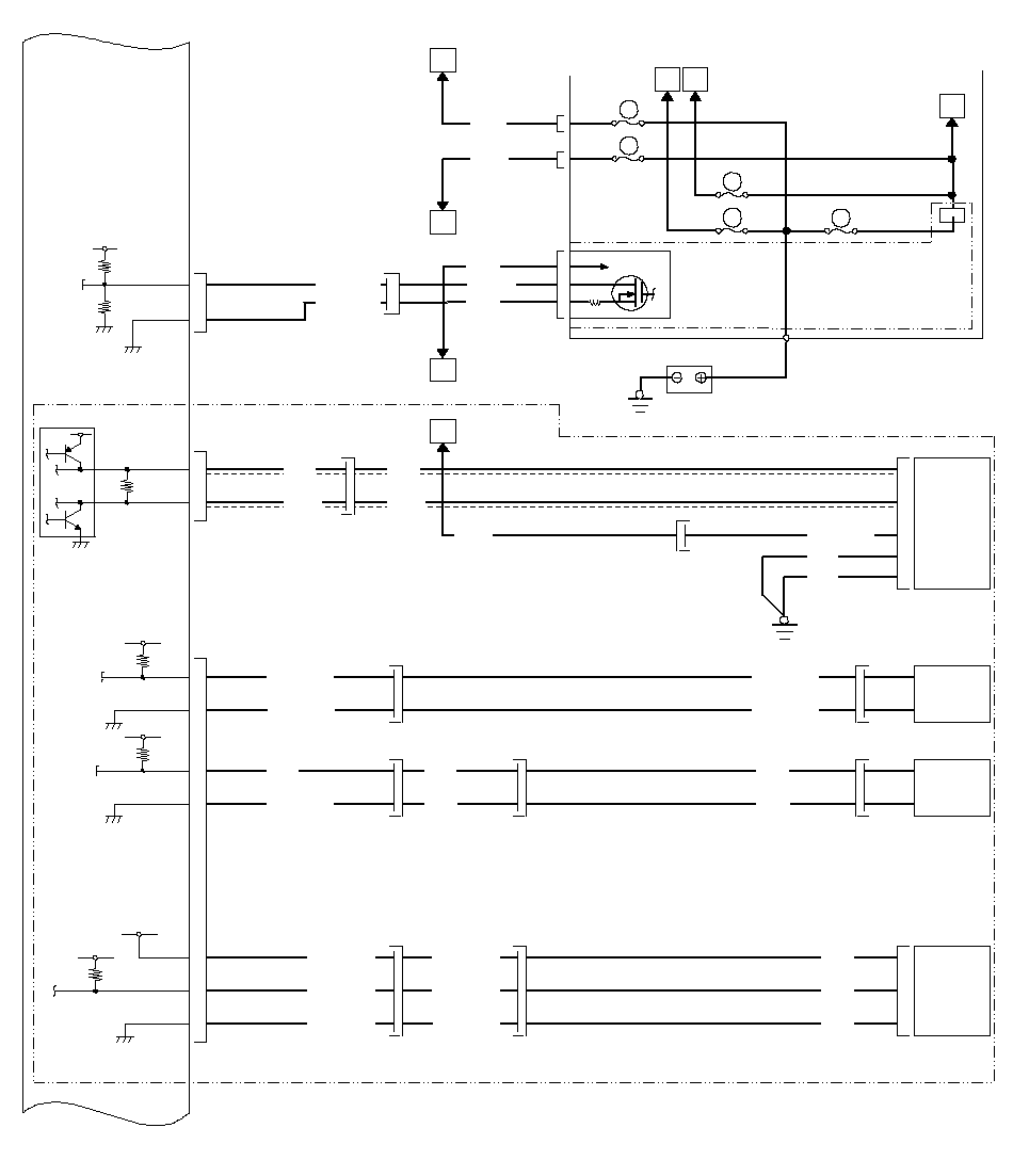
УПРАВЛЕНИЯ
ISV
*3: с системой DPF
ВПУСКНОЙ
КЛАПАН
РАЗЪЕМ
ДИЗЕЛЬНОГО ФИЛЬТРА ТВЕРДЫХ ЧАСТИЦ (DPF)
РАЗЪЕМ
РАЗЪЕМ
*3: с системой DPF
РАЗЪЕМ
РАЗЪЕМ
РАЗЪЕМ
(28P РАЗЪЕМ)*1
ПРЕРЫВАНИЯ
ПОДАЧИ ТОКА
НА СТАРТЕР
(ST CUT)
РАЗЪЕМ
РАЗЪЕМ
РАЗЪЕМ
ПРЕРЫВАНИЯ ПОДАЧИ ТОКА К IG2
ЗАПУСКА ДВИГАТЕЛЯ
МОТОРНОГО ОТСЕКА:
(1)№ 9 IGP (20 A)
(2)№ 8 IGP 2 (15 A)
(3)№ 25 ИНДИКАТОРА
ТОПЛИВНОГО
ОБОГРЕВАТЕЛЯ (7,5 A)
(4)№ 23 ТОПЛИВНЫЙ
ОБОГРЕВАТЕЛЬ (30 A)
(5)№ 24 ISV (15 A)
(6)№ 5 GLOW (70 A)
(7)№ 2 IG MAIN (50 A)
(8)№ 16 BACK UP (15 A)
(9)№ 21 HORN, STOP (15 A)
(10)№ 1 BATTERY (100 A)
БЛОК РЕЛЕ/ПРЕДОХРАНИТЕЛЕЙ
ПОД ПАНЕЛЬЮ ПРИБОРОВ:
(11)№ 3 ГЕНЕРАТОР (10 A)
(12)№ 2 ТОПЛИВНЫЙ НАСОС (15 A)
(13)№ 36 IG2 HAC (A/C)
(10 A)
(14)№ 23 СИГНАЛ СТАРТЕРА (7,5 A)
(7,5 A)
СТАРТЕРУ
РЕЛЕ 2 СТАРТЕРА
БЛОКИРАТОРА
ЗАПУСКА ДВИГАТЕЛЯ


