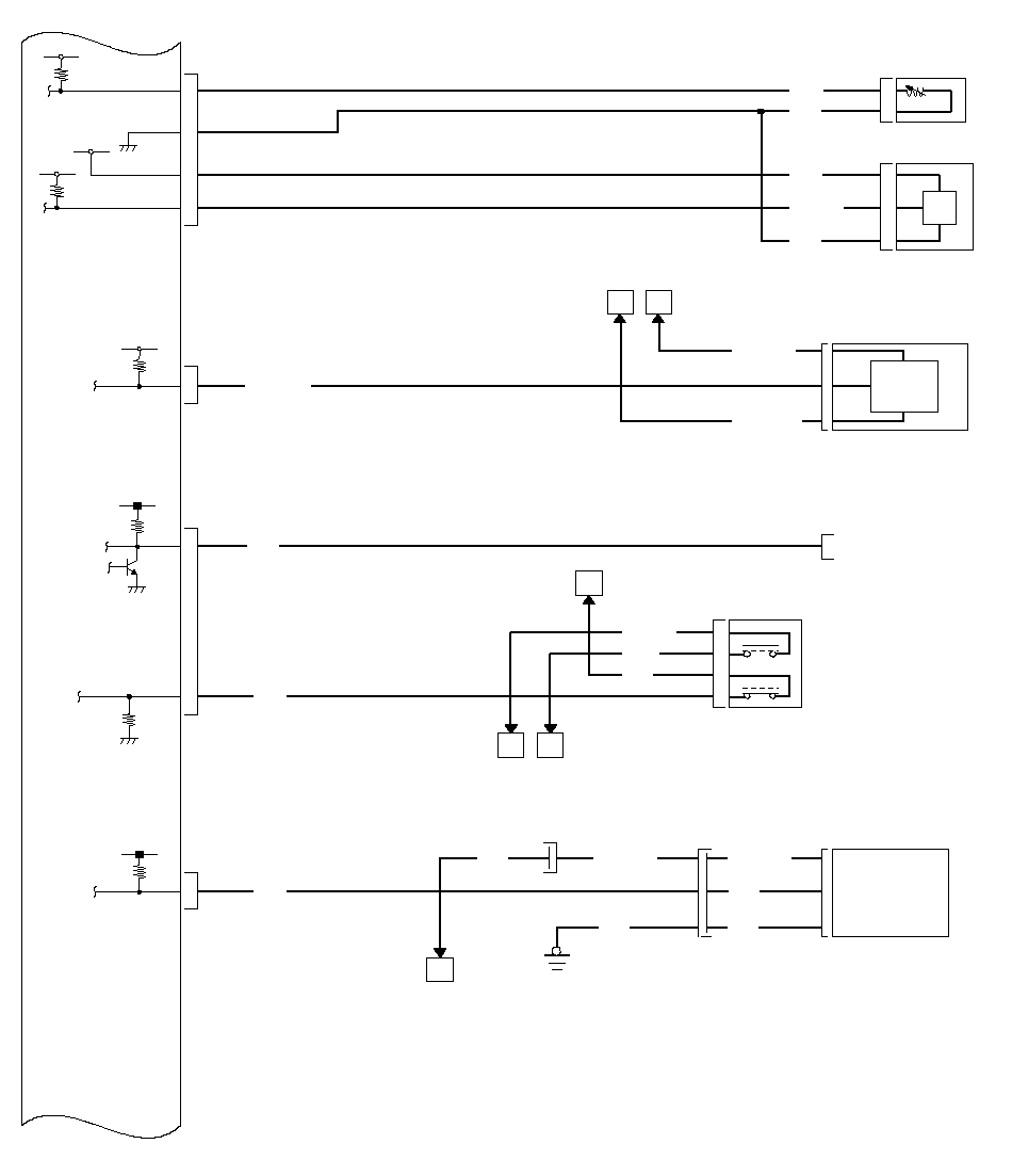
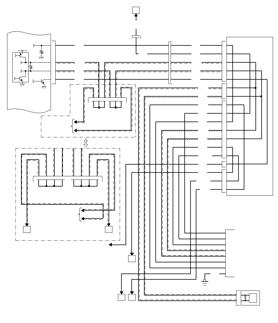
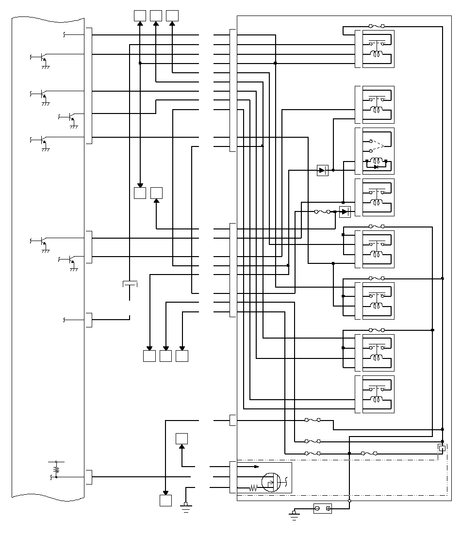
Электрическая схема топливной системы и системы выпуска отработанных газов
РАЗЪЕМ
РАЗЪЕМ
МОТОРНОГО МАСЛА (EOP)
УПРАВЛЕНИЯ МАСЛОМ
КОРОМЫСЛА
РАЗЪЕМ
РАЗЪЕМ
КЛАПАНА
СИСТЕМЫ РЕЦИРКУЛЯЦИИ
ОТРАБОТАННЫХ ГАЗОВ (EGR)
РЕЦИРКУЛЯЦИИ
ОТРАБОТАННЫХ
ГАЗОВ (EGR)
МЕХАНИЗМ СИСТЕМЫ IMT
IAT
МЕХАНИЗМ
ДРОССЕЛЬНОЙ ЗАСЛОНКИ
МАССЫ
ВОЗДУШНОГО
ПОТОКА
(MAF)
ОХЛАЖДАЮЩЕЙ
ЖИДКОСТИ (ECT) 1
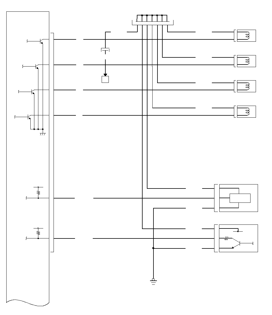
YEL
СВЕЧЕ
ЗАЖИГАНИЯ
СВЕЧЕ
ЗАЖИГАНИЯ
СВЕЧЕ
ЗАЖИГАНИЯ
СВЕЧЕ
ЗАЖИГАНИЯ
РАЗЪЕМ
WHT
РАЗЪЕМ
АБСОРБЕРА EVAP
(Системы поглощения
паров топлива)
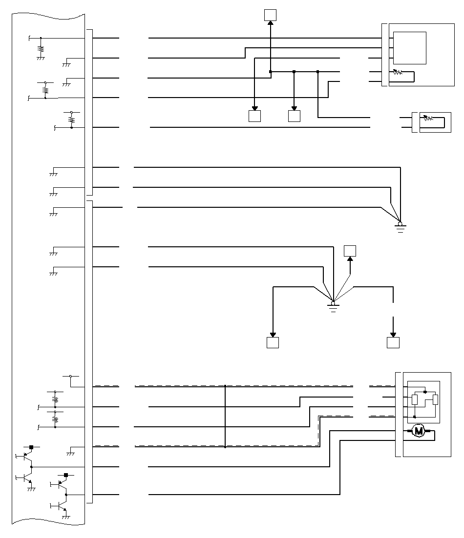
БЛОКИРОВКИ ЗАДНЕГО ХОДА
РАЗЪЕМ
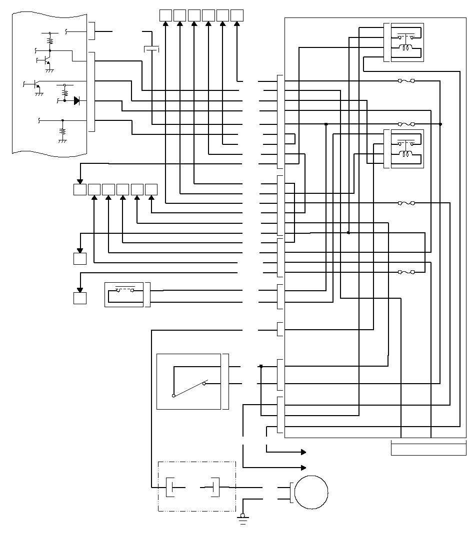
(КОЭФФИЦИЕНТА ИЗБЫТКА
ВОЗДУХА)
(ДАТЧИК 1)
РАЗЪЕМ
HO2S
(ДАТЧИК 2)
ДАВЛЕНИЯ МАСЛА
Педаль тормоза отпущена: закрыт
ПОЛОЖЕНИЯ ПЕДАЛИ СЦЕПЛЕНИЯ
ОХЛАЖДАЮЩЕЙ ЖИДКОСТИ (ECT) 2
КОНДИЦИОНЕРА
РАЗЪЕМА ТАХОМЕТРА
Педаль тормоза отпущена: открыт
Педаль тормоза отпущена: закрыт
ПЕДАЛИ ТОРМОЗА
ВТОРИЧНОГО ВАЛА
(ПРОМЕЖУТОЧНОГО ВАЛА)
СОЕДИНИТЕЛЬНЫЙ
РАЗЪЕМ
(20-КОНТАКТНЫЙ РАЗЪЕМ)*3
YEL
РАЗЪЕМ
ПЕРЕДАЧИ
ДАННЫХ
*2: МКП
*3: Автомобиль с ПРК
УПРАВЛЕНИЯ ПРИБОРАМИ
(ТАХОМЕТР)
БЛОКУ
УПРАВЛЕНИЯ
МОДУЛЯТОРА
VSA
СОЕДИНИТЕЛЬНЫЙ
РАЗЪЕМ
БЛОКУ
УПРАВЛЕНИЯ
МОДУЛЯТОРА
VSA
(5)
*3
(11)
*3
(8)
*3
(2)
*3
управления
ETCS
КОМПРЕССОРА КОНДИЦИОНЕРА ВОЗДУХА (A)
РЕЛЕ
PGM-FI
РЕЛЕ 1
СИСТЕМЫ
PGM-FI
КАТУШКИ
ЗАЖИГАНИЯ
ВЕНТИЛЯТОРА
КОНДЕНСАТОРА
КОНДИЦИОНЕРА
ВОЗДУХА
УПРАВЛЕНИЯ
ВЕНТИЛЯТОРОМ
СИСТЕМЫ
ОХЛАЖДЕНИЯ
ВЕНТИЛЯТОРА
РАДИАТОРА
GRN
РАЗЪЕМ
МОДУЛЯ PGM-FI
(ТОПЛИВНЫЙ НАСОС)
ПРЕРЫВАНИЯ
ПОДАЧИ ТОКА НА
СТАРТЕР
(ST CUT)
РАЗЪЕМ
МОТОРНОГО ОТСЕКА:
(1)№ 8 DBW (УПРАВЛЕНИЕ
ИСПОЛНИТЕЛЬНЫМ ЭЛЕМЕНТОМ
ДРОССЕЛЬНОЙ ЗАСЛОНКИ) (15 A)
(2)№ 14 IG (15 A)
(3)№ 9 IGP (15 A)
(4)№ 13 LAF (датчик A/F) (15 A)
(5)№ 20 OIL LVL (7,5 A)
(6)№ 2 ГЛАВНАЯ КАТУШКА ЗАЖИГАНИЯ (50 A)
(7)№ 16 РЕЗЕРВ (15 A)
(8)№ 21 СТОП-СИГНАЛ, ЗВУКОВОЙ СИГНАЛ (15 A)
(9)№ 1 АККУМУЛЯТОРНАЯ БАТАРЕЯ (100 A)
БЛОК РЕЛЕ/ПРЕДОХРАНИТЕЛЕЙ
ПОД ПАНЕЛЬЮ ПРИБОРРОВ:
(10)№ 3 ГЕНЕРАТОР (10 A)
(11)№ 2 ТОПЛИВНЫЙ НАСОС (15 A)
(12)№ 36 IG2 HAC (A/C) (10 A)
(13)№ 23 СИГНАЛ СТАРТЕРА (7,5 A)
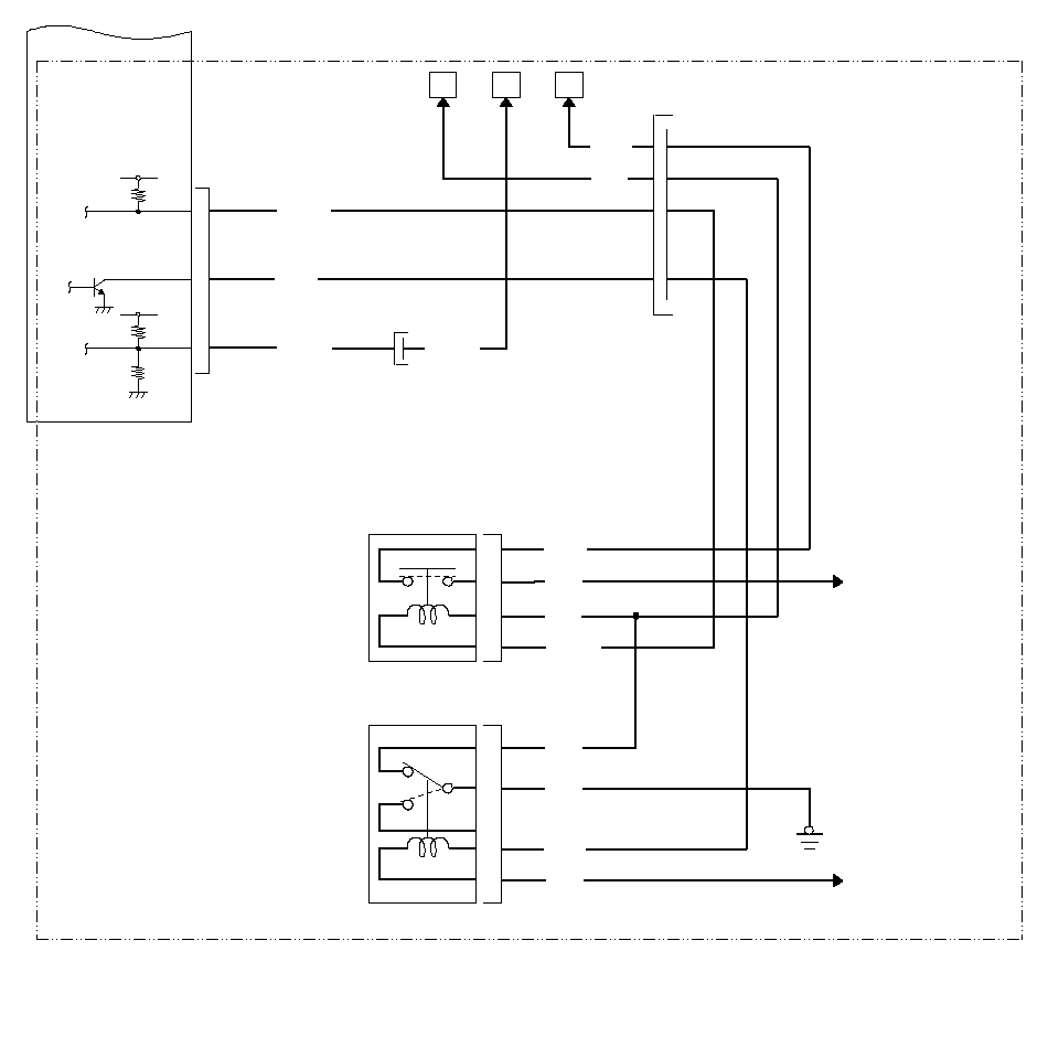
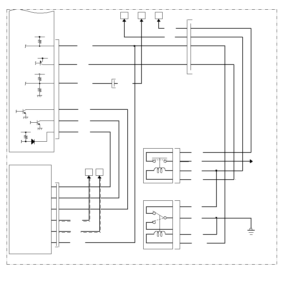
РАЗЪЕМ
РАЗЪЕМ
РАЗЪЕМ
(4)*3
РАЗЪЕМ
(TCM)
*3: Автомобиль с ПРК
РАЗЪЕМ
РАЗЪЕМ
*3: Автомобиль с ПРК
(4)*3


