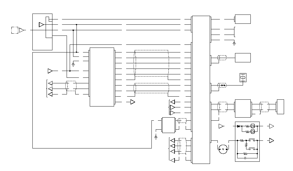
Электрическая схема системы навигации
ПОД ПАНЕЛЬЮ ПРИБОРОВ
МОТОРНОГО
ОТСЕКА
РАДИО
(GA−NET)
GND
(GA−NET)
(GA−NET)
(GA−NET)
SHIELD GND
СИСТЕМА
(GA−NET)
(GA−NET)
ЩИТОК GND
СИСТЕМА
№ 14 (7,5 A)
(В блоке реле и
предохранителей под
панелью
управления)
TMC
РАДИОПУЛЬТА
КЛИМАТ-
КОНТРОЛЯ
(GA−NET)
SHIELD GND
(GA−NET)
(GA−NET)
GND
GND
(сигнал скорости
автомобиля)
СИСТЕМЫ НАВИГАЦИИ
GPS
GPS
ПОДСВЕТКИ
ПАНЕЛИ
УПРАВЛЕНИЯ
№ 14
(7,5 A)
(В
блоке реле и
предохранителей под
панелью управления)
МИКРОФОННОГО
ВЫХОДА
ВЫХОД−
ВЫХОД+
НАВИГАЦИИ
STRG
SW
СИСТЕМА
ЩИТОК
GND
УПРАВЛЕНИЯ
HANDS FREE
RDS−TMC
АНТЕННА
(FM)
(RDS−TMC)
РАДИО
ЩИТОК
ЩИТОК


