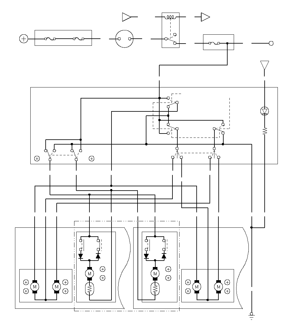
Электрическая схема цепи электрозеркал
электрозеркалами)
ЭЛЕКТРОПРИВОДОМ
МОТОРНОГО ОТСЕКА
БАТАРЕЯ
ПОД ПАНЕЛЬЮ ПРИБОРОВ
(БЛОК РЕЛЕ−ПРЕДОХРАНИТЕЛЕЙ
ПАНЕЛИ УПРАВЛЕНИЯ)
ДВИГАТЕЛЯ
БЛОКИРОВКИ
ОБОГРЕВАТЕЛЯ
ЭЛЕКТРИЧЕСКИХ
ЗЕРКАЛ ЗАДНЕГО
ВИДА
ПРАВОГО
ЗЕРКАЛА
ЛЕВОГО
ЗЕРКАЛА
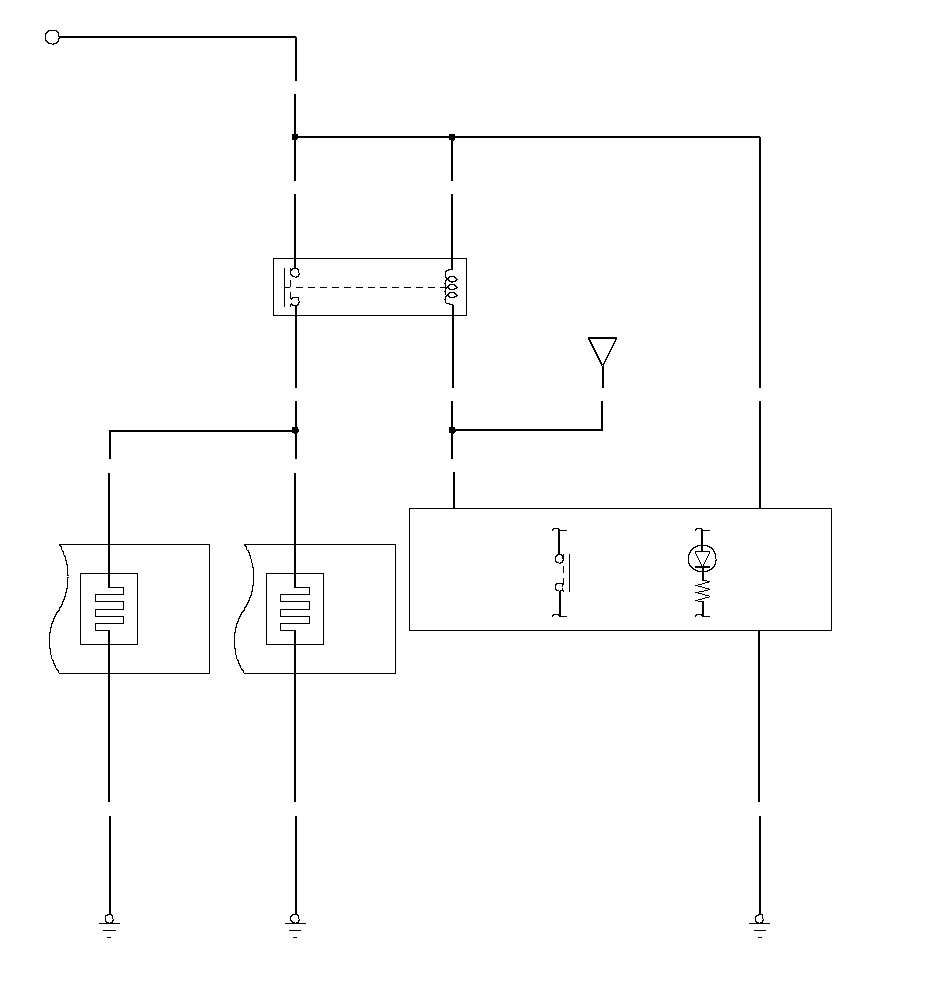
ОБОГРЕВАТЕЛЯ
ЗАДНЕГО СТЕКЛА/
ОБОГРЕВАТЕЛЯ
ЭЛЕКТРОЗЕРКАЛ
ОТОПИТЕЛЕМ/
БЛОК КЛИМАТ
-КОНТРОЛЯ
заднего стекла
и схема таймера
обогревателя, встроенного в
блок управления отопителем/
блок климат-контроля.)
ВЫКЛЮЧАТЕЛЯ
ОБОГРЕВА
ЗАДНЕГО СТЕКЛА
/ОБОГРЕВАТЕЛЯ
ЭЛЕКТРОЗЕРКАЛА
(СВЕТОДИОД)
ОБОГРЕВА
ЗАДНЕГО
СТЕКЛА


