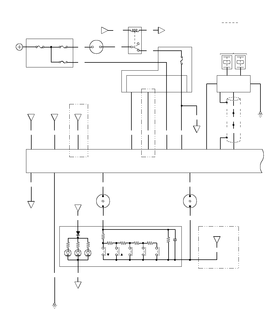
Электрическая схема аудиосистемы - без аудио
(ЗВУК)
(ЗВУК)
№ 14 (7,5 A)
(В блоке реле и
предохранителей под
панелью управления)
ПОДСВЕТКИ
ПАНЕЛИ УПРАВЛЕНИЯ
АНТЕННЫ
(УСИЛИТЕЛЬ)
(В блоке реле и
предохранителей под
панелью управления)
ПРОВОДА
ПРОВОДА
ПОДСВЕТКИ
ПАНЕЛИ УПРАВЛЕНИЯ
дисплей
УПРАВЛЕНИЯ/ПЕРЕКЛЮЧАТЕЛЬ
ГОЛОСОВОГО УПРАВЛЕНИЯ
HFT−
НАБОР
РЕЛЕ БЛОКИРАТОРА
ЗАПУСКА
ДВИГАТЕЛЯ
АСС
МОТОРНОГО ОТСЕКА
БАТАРЕЯ
КЛИМАТ-КОНТРОЛЯ
№ 36 (10 A)
(В блоке
предохранителей/реле
под панелью приборов)
№ 15 (15 A)
(В блоке
предохранителей/реле
в моторном отсеке)
№ 14 (7,5 A)
(В блоке
реле и предохранителей под
панелью управления)
ПОДСВЕТКИ
ПАНЕЛИ УПРАВЛЕНИЯ


