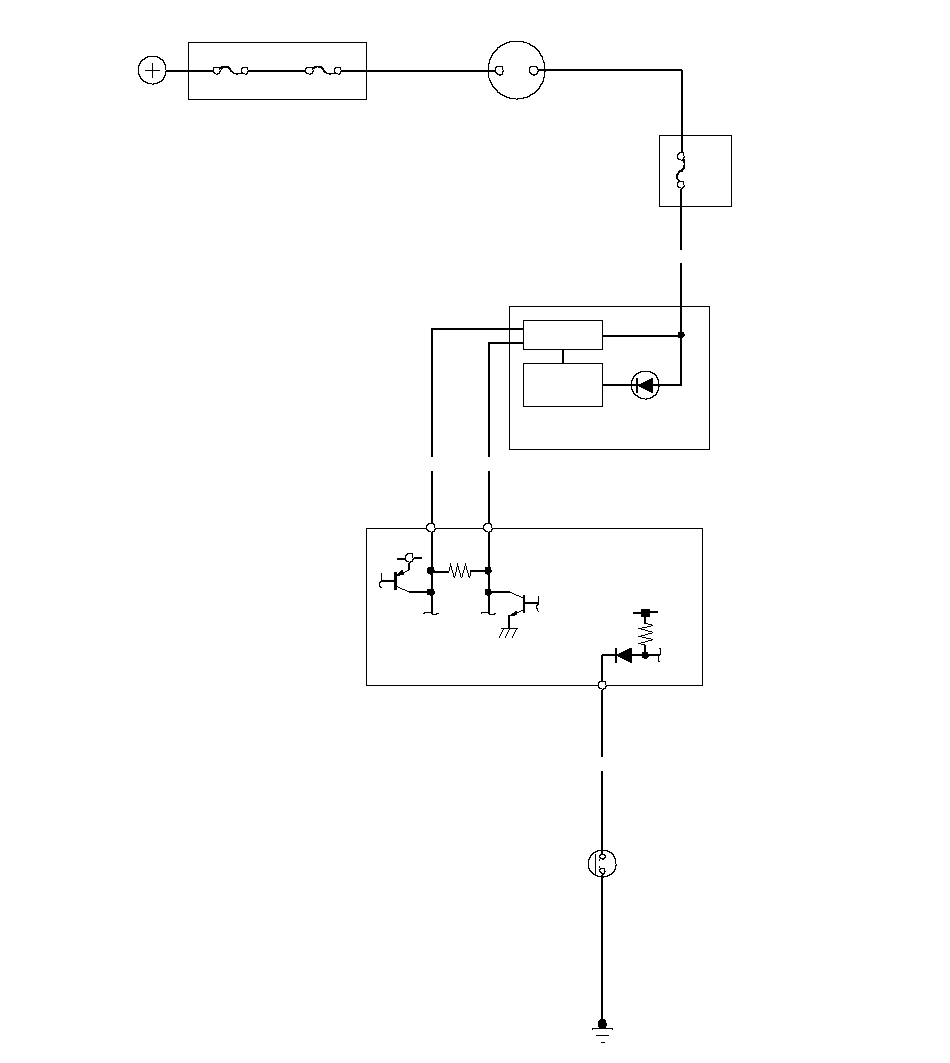
Электрическая схема цепи индикатора низкого давления масла
Применимость для следующих годов выпуска и кузовов: 2007, RE3, RE4
КЛЮЧ
ПОД ПАНЕЛЬЮ ПРИБОРОВ
НИЗКОГО ДАВЛЕНИЯ
МАСЛА
(Закрыт: низкое давление)


