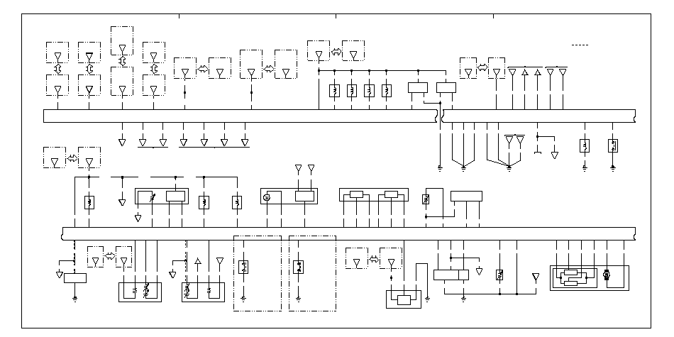
Схема электропроводки
жидкости (системы охлаждения
двигателя) (ЕСТ2)
(СИСТЕМЫ ОХЛАЖДЕНИЯ
ДВИГАТЕЛЯ) (ЕСТ) 1
СИСТЕМЫ IMT
ECT
ECT
РЕЦИРКУЛЯЦИИ
ОТРАБОТАВШИХ
ГАЗОВ (EGR)
ДАТЧИК
КЛАПАНА
СИСТЕМЫ EGR
МАССЫ
ВОЗДУШНОГО
ПОТОКА (MAF)
IAT
№ 7 (15 A)
(2-D)
ДЕТОНАЦИИ
МЕХАНИЗМ
ДРОССЕЛЬНОЙ
ЗАСЛОНКИ
ПРОДУВКИ
БАЧКА
АБСОРБЕРА EVAP
КОНДИЦИОНЕРА
МОТОРНОГО МАСЛА
КЛАПАН
БЛОКИРОВКИ
ЗАДНЕГО ХОДА
РЕЛЕ PGM−FI
(1-C)
ПОЛОЖЕНИЯ
ПЕДАЛИ СЦЕПЛЕНИЯ
(педаль сцепления
выжата: открыт)
(педаль сцепления
отпущена: закрыт)
СЦЕПЛЕНИЯ (SIL)
(педаль сцепления
выжата: закрыт)
(педаль сцепления
отпущена: открыт)
№ 21 (7,5 A)
(1-С)
КЛАПАН
УПРАВЛЕНИЯ
РАБОТОЙ
ОПОРЫ
ДВИГАТЕЛЯ
№ 21 (7,5 A)
(5-С)
РЕЛЕ PGM-FI
(5-C)
№ 7 (15 A)
(6-D)
КОЛЕНЧАТОГО ВАЛА)
(ПОЛОЖЕНИЯ
КОЛЕНЧАТОГО
ВАЛА)
ПЕРЕДАЧИ ДАННЫХ
(11-B)
БЛОК
ДИСТАНЦИОННОГО
УПРАВЛЕНИЯ (11-С)
РАЗЪЕМА
ТАХОМЕТРА
ПОЛОЖЕНИЯ
ПЕДАЛИ ТОРМОЗА (22-C, D)
(9-С)
(1-C)
PGM-FI
(1-D)
РЕЛЕ PGM−FI
(1-C)
СИСТЕМОЙ
ЭЛЕКТРОННОГО
УПРАВЛЕНИЯ
ДРОССЕЛЬНОЙ
ЗАСЛОНКОЙ
(ETCS) (1-D)
PGM-FI
(2-D)
ДАТЧИК
ДАВЛЕНИЯ МАСЛА
PGM-FI
(1-D)
СИСТЕМОЙ
ЭЛЕКТРОННОГО
УПРАВЛЕНИЯ
ДРОССЕЛЬНОЙ
ЗАСЛОНКОЙ
(ETCS) (1-D)
(9-C, D)
КЛАПАН
УПРАВЛЕНИЯ
МАСЛОМ
КОРОМЫСЛА
УПРАВЛЕНИЯ EPS
(35-В)
№ 9 (20 A)
(2-D)
(5-C)
PGM-FI
(5-D)
СИСТЕМОЙ
ЭЛЕКТРОННОГО
УПРАВЛЕНИЯ
ДРОССЕЛЬНОЙ
ЗАСЛОНКОЙ
(ETCS) (5-D)
№ 9 (20 A)
(6-D)
РЕЛЕ PGM-FI
(5-C)
СИСТЕМОЙ
ЭЛЕКТРОННОГО
УПРАВЛЕНИЯ
ДРОССЕЛЬНОЙ
ЗАСЛОНКОЙ
(ETCS) (5-D)
PGM-FI
(6-D)
PGM-FI
(5-D)


