Функция автодиагностики модуля управления датчиками
Применимость для следующих годов выпуска и кузовов: 2009, CU1, CU2
|
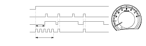
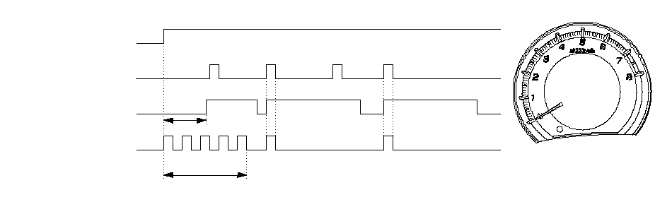
Проверка сегментов жидкокристаллического дисплея (LCD)
При запуске режима автодиагностики все сегменты мигают по пять раз.
|
|
Выключение функции авто-диагностики
Поверните ключ зажигания в положение блокировки "LOCK" (0).
ПРИМЕЧАНИЕ: Функция автодиагностики выключается, если автомобиль движется со скоростью выше 2 км/ч.
|


